
Delving into the intricacies of cutting-edge microcontrollers, enthusiasts and professionals alike embark on a journey through a labyrinth of technical specifications and functionalities. In the realm of embedded systems, every component bears significance, weaving a tapestry of innovation and capability. Within this expansive landscape lies a treasure trove of information, a beacon for those seeking to harness the power of advanced microcontrollers.
Embarking on this expedition, one encounters a document akin to a map, detailing the nuances of a particular microcontroller’s prowess. This compendium, laden with insights and technical details, serves as a guiding light for engineers and developers alike. Within its pages lie the blueprints for innovation, beckoning the curious to unlock the potential within.
It is here that the symbiosis of hardware and software flourishes, each specification akin to a piece of a grand puzzle. From the intricacies of input-output configurations to the labyrinth of communication protocols, every facet contributes to the holistic understanding of a microcontroller’s capabilities. As the veil is lifted, a world of possibilities unfolds before the eager explorer, offering a glimpse into the realm of endless innovation and creativity.
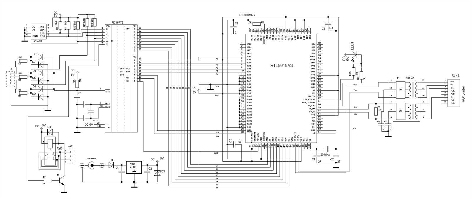
Understanding the Architecture of Microcontroller

In this section, we delve into the intricate design and functionality of a microcontroller, exploring its internal structure, operational principles, and key components. Through a comprehensive examination, we aim to provide insights into how these devices facilitate the execution of various tasks in embedded systems.
Core Components

The microcontroller comprises several core components, each playing a crucial role in its operation. These components include the central processing unit (CPU), which serves as the brain of the device, executing instructions and performing arithmetic and logical operations. Additionally, the memory units, including ROM (Read-Only Memory) and RAM (Random Access Memory), store program instructions and data temporarily during operation, respectively.
Peripheral Interfaces

Peripheral interfaces enable communication between the microcontroller and external devices, expanding its capabilities and facilitating interaction with the surrounding environment. These interfaces may include UART (Universal Asynchronous Receiver-Transmitter), SPI (Serial Peripheral Interface), I2C (Inter-Integrated Circuit), and USB (Universal Serial Bus), among others. They enable data exchange, sensor integration, and connectivity with other devices, enhancing the versatility of the microcontroller in various applications.
| Component | Functionality | |||||||||||||||
|---|---|---|---|---|---|---|---|---|---|---|---|---|---|---|---|---|
| CPU | Executes instructions and performs arithmetic and logical operations | |||||||||||||||
| Memory Units | Stores program instructions (ROM) and data temporarily (RAM) | |||||||||||||||
Peripheral Interfaces
Exploring the Core Features and Capabilities
In this section, we delve into the fundamental attributes and functionalities of the innovative microcontroller, shedding light on its intrinsic capabilities and potential applications. Embracing a comprehensive exploration, we dissect the core elements that empower this device, unraveling its myriad functionalities and versatile performance. Let’s embark on a journey to uncover the essence of this cutting-edge technology, deciphering its intricacies and unlocking its vast array of features.
Through an in-depth analysis of these core features and capabilities, we gain valuable insights into the potential applications and versatility of this advanced microcontroller, empowering engineers and innovators to leverage its full potential in diverse projects and applications. Programming and Development Tools for the Powerful Pic18f67j50 Microcontroller
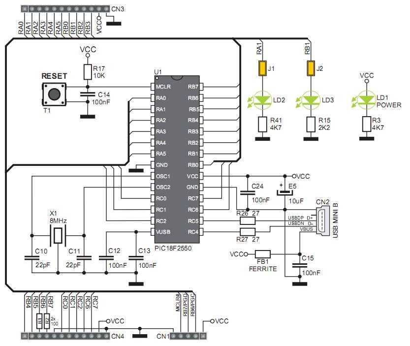
In the realm of microcontroller development, having the right tools at your disposal is paramount. This section explores the diverse array of resources available to streamline the programming and development process for the high-performance Pic18f67j50 microcontroller. 1. Integrated Development Environments (IDEs):
2. Compiler Suites:
3. Debugging Tools:
4. Simulation Environments:
5. Peripheral Libraries and Middleware:
By leveraging these programming and development tools, developers can harness the full potential of the Pic18f67j50 microcontroller, accelerating the creation of innovative embedded systems and applications. Optimizing Workflow and Efficiency
In the realm of microcontroller documentation exploration, the quest for enhanced productivity and streamlined processes is paramount. This section delves into methodologies aimed at refining your approach, amplifying efficacy, and fostering a seamless operational trajectory. Embracing Systematic Approaches: Efficient utilization of resources necessitates a structured methodology. By adopting systematic approaches, intricacies are delineated, allowing for a more lucid comprehension of operational dynamics. Through systematic analysis and strategic planning, avenues for optimization emerge, leading to heightened efficiency. Maximizing Resource Allocation: Resource allocation serves as the bedrock upon which efficient workflows are constructed. It entails judicious distribution of time, manpower, and technological assets to fortify operational efficacy. By optimizing resource allocation, redundancies are minimized, and productivity is maximized, paving the path towards streamlined processes. Harmonizing Collaborative Endeavors: Collaboration acts as a catalyst for innovation and efficiency. Cultivating a collaborative environment fosters synergy among team members, propelling collective efforts towards overarching objectives. Through effective communication, knowledge exchange, and mutual support, collaborative endeavors yield exponential gains in workflow optimization. Iterative Refinement and Adaptation: The pursuit of optimization is an iterative journey marked by continual refinement and adaptation. By embracing feedback mechanisms and staying attuned to evolving requirements, workflows undergo iterative enhancement. This iterative refinement cycle engenders adaptability, ensuring that workflows remain responsive to dynamic operational landscapes. Cultivating a Culture of Efficiency: Efficiency permeates not only processes but also organizational culture. Fostering a culture that values efficiency empowers stakeholders to proactively seek optimization opportunities. Through incentivizing efficiency-driven initiatives, organizations cultivate a collective ethos geared towards perpetual improvement and sustainable success. Embracing Technological Advancements: Technological advancements serve as catalysts for transformative change. By embracing cutting-edge tools, techniques, and methodologies, workflows transcend conventional boundaries. Harnessing the potential of emerging technologies empowers practitioners to unlock new dimensions of efficiency and innovation. Embark on a journey of optimization, where every stride towards efficiency propels you closer to realizing the full potential of your endeavors. Application Examples and Practical Utilization of the Pic18f67j50 Microcontroller
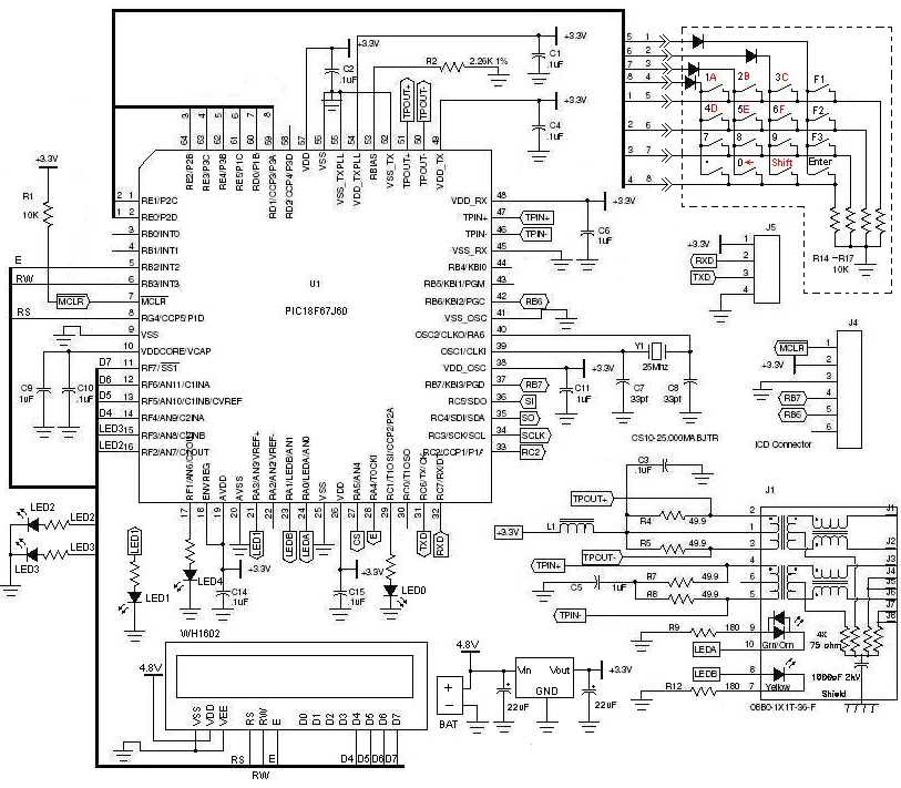
In this section, we delve into the practical application scenarios and real-world implementation of the versatile Pic18f67j50 microcontroller. Through various use cases and scenarios, we explore how this microcontroller can be effectively harnessed to address diverse challenges and fulfill specific requirements across different domains. Industrial Automation Solutions
One of the prime areas where the Pic18f67j50 demonstrates its prowess is in industrial automation. By leveraging its robust processing capabilities and integrated peripherals, this microcontroller serves as the backbone for numerous automation solutions. From controlling machinery to monitoring environmental parameters, the Pic18f67j50 offers unparalleled flexibility and reliability, ensuring seamless operation in demanding industrial environments. Embedded Systems Development
Embedded systems development represents another domain where the Pic18f67j50 shines brightly. With its compact form factor and extensive feature set, this microcontroller serves as an ideal choice for developing embedded systems across various applications. Whether it’s designing IoT devices, home automation systems, or automotive electronics, the Pic18f67j50 empowers developers to bring their innovative ideas to life, thanks to its efficient performance and rich set of peripherals. These are just a couple of examples highlighting the versatile nature and practical utility of the Pic18f67j50 microcontroller. Its adaptability and reliability make it a preferred choice among engineers and developers seeking to implement sophisticated solutions across a wide spectrum of applications. |





