
Exploring the intricate blueprint of modern electronic devices unveils a labyrinth of innovation and precision engineering. Within these technical manuscripts lies a wealth of knowledge, guiding engineers and enthusiasts alike through the intricate pathways of circuitry and functionality. Today, we embark on a journey to unravel the mysteries concealed within the pages of one such document, a treasure trove of insights into a crucial component of electronic systems.
Delving into the heart of this documentation, we uncover a tapestry woven with the threads of electrical diagrams, performance specifications, and operational intricacies. Each line and symbol serves as a signpost, directing the curious explorer towards a deeper understanding of the component’s capabilities and limitations. As we navigate through these pages, we are presented with a glimpse into the inner workings of a technological marvel, where innovation converges with meticulous craftsmanship.
Within these written archives lie the keys to unlocking the potential of electronic systems, offering a roadmap for both novices and seasoned professionals alike. With each paragraph deciphered, a new layer of comprehension is unearthed, illuminating the path towards mastery in the realm of electrical engineering. Join us as we embark on this voyage of discovery, where the pages themselves whisper tales of innovation and possibility.
The Fundamentals of ISL6236 Documentation

In the realm of electronic component exploration, understanding the intricacies of technical documents is paramount. In this section, we delve into the foundational elements encapsulated within the documentation for the ISL6236 integrated circuit. Here, we embark on a journey to unravel the essential aspects that underpin this component’s informational framework.
Component Overview: At the heart of every technical document lies a comprehensive overview of the component in question. This section serves as the gateway, providing a bird’s-eye view of the ISL6236’s functionality, purpose, and potential applications. It offers a narrative that bridges the gap between conceptual understanding and practical implementation.
Functional Description: Within the labyrinth of technical jargon, a lucid functional description acts as a guiding light. Here, the ISL6236’s operational intricacies are unveiled, delineating its behavior under various conditions. This segment elucidates the component’s role within a broader system, shedding light on its interplay with other elements.
Electrical Characteristics: In the realm of electronics, precision is paramount. The electrical characteristics section serves as a compass, navigating through the component’s electrical landscape. Through a meticulous exposition of parameters such as voltage, current, and frequency, this segment unveils the ISL6236’s electrical persona, empowering engineers to make informed design decisions.
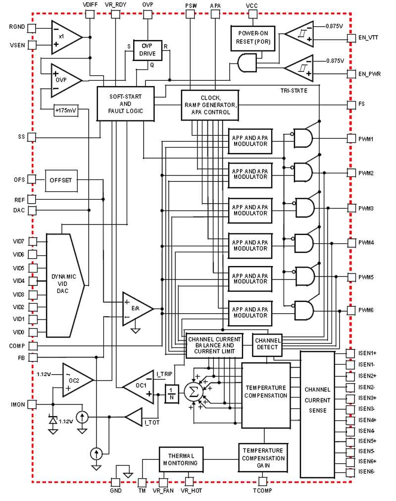
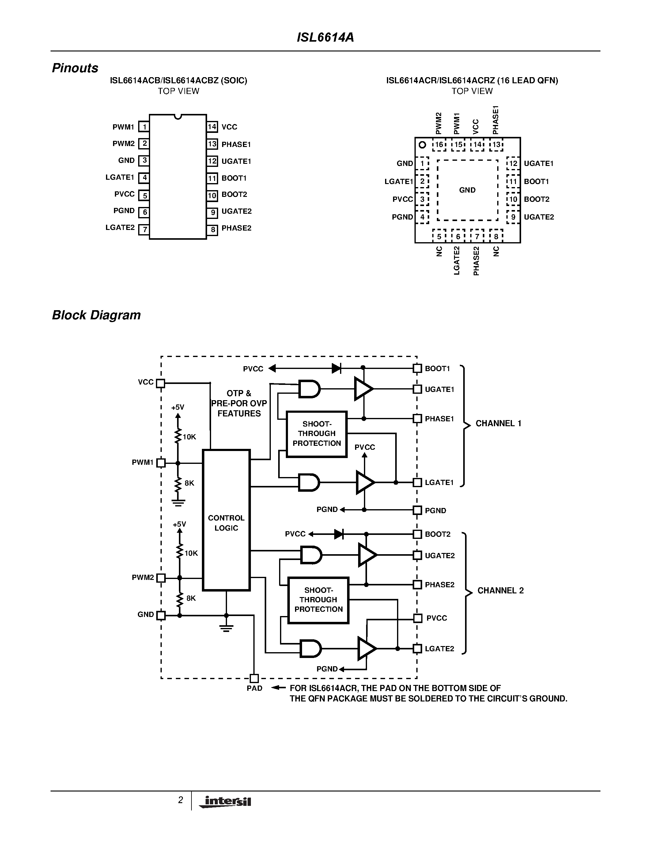
Pin Configuration: Like the constellation in the night sky, the pin configuration diagram elucidates the spatial arrangement of the ISL6236’s connecting points. This visual aid transcends linguistic barriers, offering a universal roadmap for circuit integration. It fosters a symbiotic relationship between the abstract and the tangible, facilitating seamless integration into diverse electronic architectures.
Application Information: Bridging theory with practice, the application information segment provides real-world insights into harnessing the ISL6236’s capabilities. Through exemplary circuits, design considerations, and performance optimizations, this section equips engineers with the tools necessary to translate theoretical prowess into tangible solutions.
Conclusion: In the labyrinth of technical documentation, clarity is the ultimate treasure. The fundamentals outlined herein serve as a beacon, illuminating the path to a comprehensive understanding of the ISL6236. Armed with this knowledge, engineers can embark on a journey of innovation, leveraging the intrinsic potential of this integrated circuit to realize groundbreaking electronic endeavors.
Understanding the Key Features

In this section, we delve into the essential aspects and functionalities encapsulated within the document under scrutiny. By dissecting the core attributes, we aim to provide a comprehensive comprehension of the intricate workings and fundamental characteristics inherent to the subject matter at hand.
| Feature | Description |
| Functionality | The operational capabilities and functionalities embedded within the device, elucidating its purpose and utility. |
| Performance | An evaluation of the device’s efficacy, efficiency, and overall performance metrics in various operational scenarios. |
| Integration | The seamless integration potential of the device within existing systems and frameworks, facilitating interoperability and synergy. |
| Compatibility | The extent to which the device aligns with industry standards and protocols, ensuring interoperability and ease of integration. |
| Reliability | An assessment of the device’s dependability and resilience in diverse operating conditions, emphasizing its trustworthiness and stability. |
By unraveling these pivotal features, stakeholders can gain profound insights into the underlying mechanisms and capabilities of the subject matter, thereby enabling informed decision-making and strategic utilization.
Application Examples and Circuit Designs

In this section, we explore practical implementations and configurations for utilizing the functionality of the integrated circuit discussed earlier. Through various illustrative scenarios and schematic diagrams, we delve into the diverse applications and circuitry designs that harness the capabilities offered by the component in question. From powering portable devices to optimizing energy efficiency in larger systems, the following examples elucidate the versatility and adaptability of the technology in real-world contexts.
One exemplar involves the integration of the component within a portable electronic device, showcasing its role in managing power distribution and optimizing battery usage. Another scenario illustrates its application within a renewable energy system, highlighting its efficacy in regulating voltage and current flow to maximize efficiency. Furthermore, we explore its utilization in automotive electronics, where its robustness and reliability are paramount for ensuring consistent performance under varying conditions.
Through detailed circuit designs and insightful analyses, we aim to provide a comprehensive understanding of how this integrated circuit can be effectively employed across a spectrum of applications. By elucidating both basic configurations and advanced setups, we offer practical insights to engineers and enthusiasts seeking to leverage the capabilities of this component in their respective projects and products.
Optimizing Power Management with ISL6236
In the realm of efficient energy utilization, achieving optimal power management stands as a paramount objective. Within this pursuit, the ISL6236 emerges as a pivotal component, orchestrating the intricate ballet of power allocation and distribution in electronic systems.
The Essence of Power Optimization

Effective power optimization transcends mere efficiency; it embodies a holistic approach towards enhancing performance, prolonging battery life, and minimizing wastage. It entails a delicate balance between power supply, consumption, and regulation, ensuring seamless operation while maximizing resource utilization.
Strategies for Enhanced Power Management

Embracing intelligent power management strategies empowers systems to operate at peak efficiency, harnessing the full potential of the ISL6236. Through diligent monitoring, dynamic voltage scaling, and adaptive load management, devices can adapt to varying demands, mitigating excess power consumption and extending operational longevity.
By synergizing hardware capabilities with intelligent algorithms, the ISL6236 facilitates not only energy conservation but also performance enhancement, ushering in a new era of power-conscious computing.
Efficiency and Performance Considerations

Exploring the intricacies of optimizing operational outcomes and maximizing functionality within electronic components entails a comprehensive understanding of efficiency and performance dynamics. Delving into the realm of enhancing operational effectiveness without compromising on resource utilization is pivotal. This section delves into the multifaceted considerations surrounding the efficacy and operational prowess, aiming to unveil the mechanisms driving enhanced functionality and performance.
| Parameter | Considerations |
| Power Consumption | Examining the judicious allocation of power resources to minimize wastage and optimize energy utilization. |
| Heat Dissipation | Understanding mechanisms for efficient dissipation of heat generated during operation to maintain optimal temperature thresholds. |
| Component Interactions | Assessing the synergy and compatibility among various components to ensure seamless operation and mitigate performance bottlenecks. |
| Signal Integrity | Ensuring the preservation of signal integrity throughout the operational cycle to mitigate signal degradation and optimize performance. |
| Load Regulation | Implementing strategies to regulate load variations effectively, ensuring stable and consistent performance under diverse operational conditions. |
By meticulously addressing these considerations and navigating the intricate balance between efficiency and performance, stakeholders can unlock the full potential of electronic components, thereby ushering in an era of enhanced functionality and operational efficacy.