
Discover a game-changing innovation in power electronics with the Ir21365s Datasheet. This cutting-edge resource unveils the inner workings and capabilities of a revolutionary component that is set to revolutionize power conversion technologies. Brace yourself for a captivating journey into a world of enhanced efficiency, unprecedented performance, and unrivaled reliability.
Within these pages, you will find comprehensive information about the Ir21365s and its numerous applications in diverse industries. Dive deep into the intricacies of its design, as well as its unique features that set it apart from its counterparts. Uncover the secrets behind its remarkable efficiency and how it achieves optimal power conversion with utmost precision.
Experience a power revolution like never before as you delve into the technical specifications and performance attributes of the Ir21365s. Armed with this invaluable resource, engineers, researchers, and technology enthusiasts will unlock the potential for groundbreaking advancements in the world of power electronics.
Prepare to be captivated as you explore the Ir21365s Datasheet, a winning combination of technical excellence and comprehensive insights. From fundamental concepts to complex applications, this resource leaves no stone unturned, providing you with the knowledge and expertise to harness the full potential of this revolutionary component. Embrace the power of innovation, embrace the Ir21365s.
Overview of the Ir21365s IC

In this section, we will provide a comprehensive overview of the Ir21365s integrated circuit, focusing on its key features and functionality. The goal is to provide a clear understanding of the capabilities and applications of this IC without relying on specific technical details.
Introduction
The Ir21365s IC is a highly advanced electronic component that is widely used in various industries and applications. It is designed to facilitate efficient control and regulation of power systems, making it a vital element in modern electronic devices.
Key Features

The Ir21365s IC boasts several key features that set it apart from other integrated circuits. One of its notable features is its high efficiency, which allows it to optimize power usage and reduce energy consumption. Additionally, it offers precise control and regulation capabilities, ensuring stable and reliable performance.
- High efficiency
- Precise control and regulation
- Reliable performance
- Adaptability to various applications
Functionality

The Ir21365s IC functions as a sophisticated power management system within electronic devices. It is responsible for controlling and regulating the flow of power, ensuring optimal performance and protection against potential issues such as overvoltage and overcurrent.
Furthermore, the IC offers flexible configuration options, allowing it to adapt to different power system requirements. This versatility makes it an excellent choice for a wide range of applications, including motor control, power supplies, and energy-efficient systems.
Conclusion

The Ir21365s IC is a highly efficient and versatile integrated circuit that plays a crucial role in power management. Its ability to provide precise control and regulation, along with its adaptability to various applications, makes it an essential component in modern electronic devices. With its advanced features and functionalities, the Ir21365s IC enables enhanced performance and reliability in power systems.
Technical Specifications of the Ir21365s IC

In this section, we will explore the technical specifications of a highly advanced integrated circuit (IC), known for its impressive capabilities in various applications. This IC, often used in electronic devices, offers a myriad of features and functionalities. Let’s delve into the details.
| Feature | Description |
|---|---|
| Operating Voltage Range | The allowable voltage range for the IC to function properly, ensuring reliable performance in different power supply conditions. |
| Output Current | The maximum current that can be sourced or sunk by the output pins, determining the IC’s ability to drive various loads. |
| Switching Frequency | The frequency at which the IC can switch on and off, playing a crucial role in regulating power flow and signal processing. |
| Undervoltage Lockout | A protective feature that disables the IC when the supply voltage drops below a certain threshold, preventing unstable operation and potential damage. |
| Protection Features | Multiple built-in protection mechanisms, such as overcurrent protection, overvoltage protection, and thermal shutdown, safeguarding the IC and the connected circuitry. |
| Control Inputs | The inputs used to control the operation of the IC, enabling the user to adjust its behavior according to specific requirements. |
| Digital Communication Interfaces | Support for various digital communication protocols, facilitating seamless integration with microcontrollers and other digital devices. |
| Packaging Options | The available package types for the IC, allowing flexibility in PCB design and addressing different mounting and thermal considerations. |
These technical specifications provide a glimpse into the capabilities and versatility of the Ir21365s IC. With its impressive features and robust performance, this IC serves as a reliable solution for diverse electronic applications.
Application Examples of the Ir21365s IC

In this section, we will explore various practical applications where the Ir21365s integrated circuit (IC) can be utilized. The IC offers a range of functionalities for different electronic systems and devices, making it a versatile component for a variety of applications.
Motor Control Systems

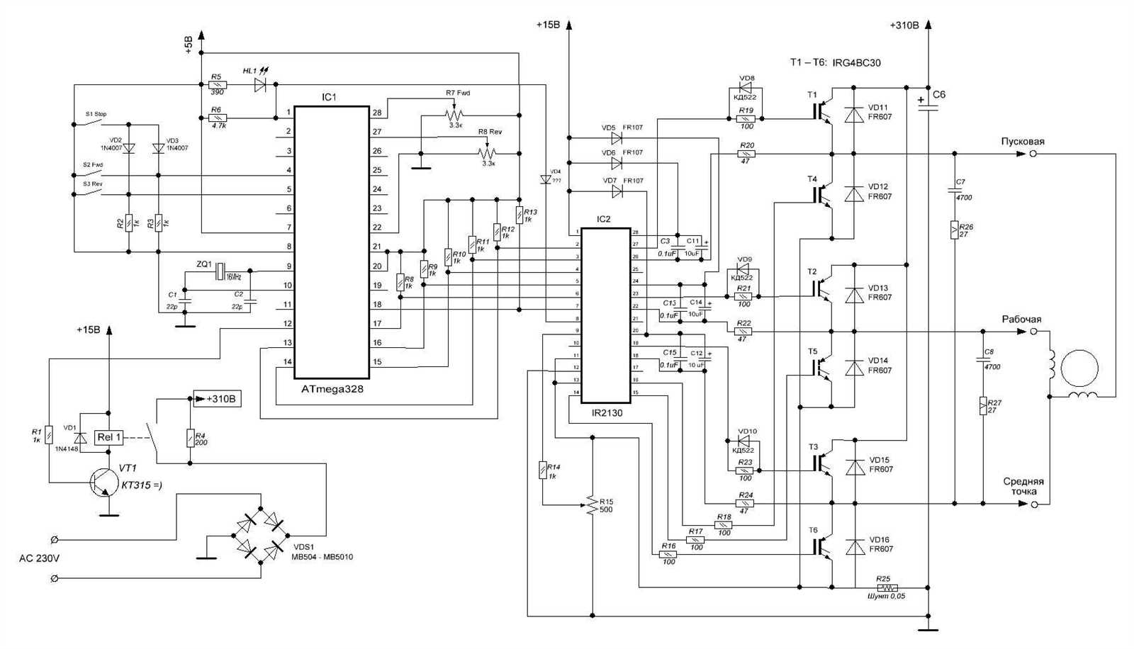
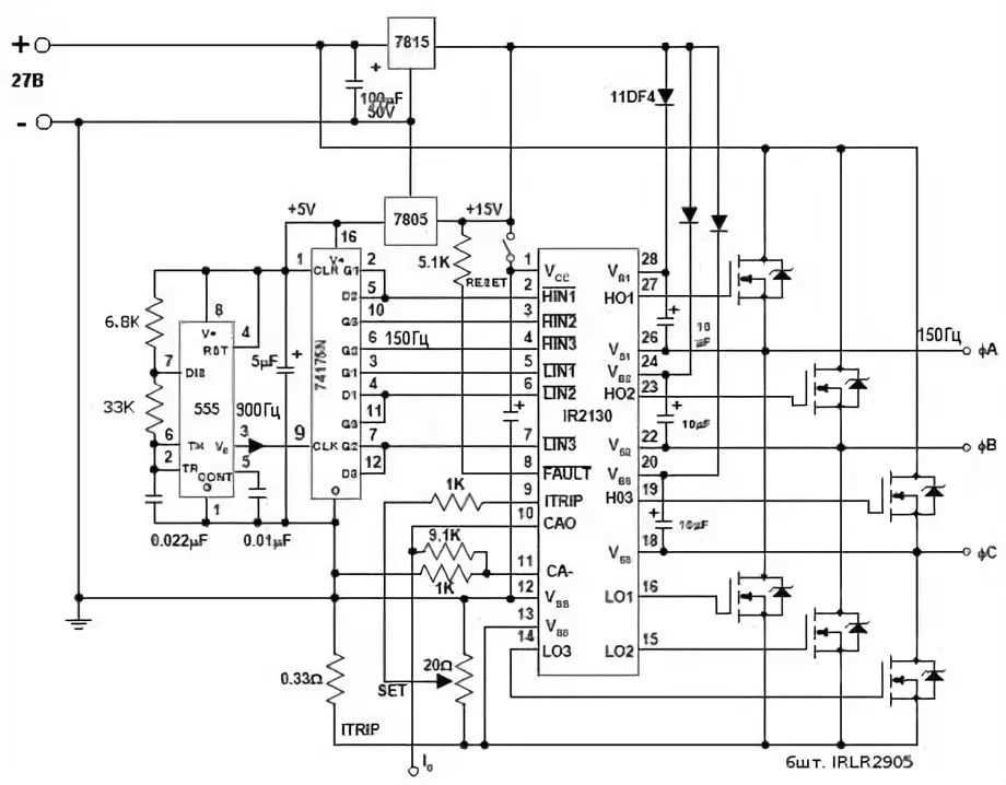
The Ir21365s IC can be effectively employed in motor control systems, enabling precise and efficient control of motor movements. Its advanced features, such as pulse-width modulation (PWM) and fault protection, make it ideal for applications like robotics, automated machinery, and automotive systems.
By leveraging the PWM capabilities of the IC, motor speed can be accurately regulated, providing smooth and consistent performance. Additionally, the fault protection features safeguard the motor and the IC from potential damages caused by overcurrent, overtemperature, or other unforeseen events.
Power Supplies

Another key application area for the Ir21365s IC is power supply systems. The IC’s high voltage and current handling capabilities make it well-suited for controlling power conversion processes in various industries.
By utilizing the IC in power supply systems, efficient conversion of electrical energy can be achieved, ensuring stable and reliable power output. This is particularly beneficial in applications where a consistent power supply is critical, such as telecommunications, industrial equipment, and renewable energy systems.
Moreover, the Ir21365s IC offers advanced protection features, such as undervoltage lockout and overvoltage protection, which enhance the safety and reliability of the power supply systems.
In conclusion, the Ir21365s IC finds its application in a wide range of electronic systems, including motor control systems and power supply systems. With its versatile features and robust protection mechanisms, the IC contributes to the efficient and reliable functioning of these systems, empowering various industries with enhanced performance and safety.