
Within the vast realm of digital logic, lies a powerful and versatile electronic component known as the JK Flip-Flop. This enigmatic device, often regarded as the bread and butter of sequential circuitry, plays a pivotal role in various applications across the world of electronics and computer engineering.
Also referred to as a “Janus-Knowledge Flip-Flop,” the JK Flip-Flop embodies the essence of dual functionality. It possesses the remarkable ability to store data in a synchronized fashion and manipulate it based on external inputs. This feature, as well as its ability to engage in clocked sequential operations, makes the JK Flip-Flop a key component in the construction of digital systems.
When delving into the intricacies of the JK Flip-Flop, one would come across a plethora of technical specifications and operational details encapsulated within its comprehensive datasheet. This specialized document acts as a guide, unveiling the inner workings of the JK Flip-Flop, providing engineers with a roadmap for leveraging its capabilities to their fullest extent.
Join us as we embark on a fascinating journey, dissecting the JK Flip-Flop datasheet, unlocking its secrets, and comprehending the intricate details that make it an indispensable tool in the world of digital logic. Through this exploration, we aim to unravel the essence of this remarkable device, shedding light on its functional principles and real-world applications.
Understanding the Flip Flop JK Datasheet: A Comprehensive Guide

Unraveling the intricacies of the Flip Flop JK Datasheet is essential for a thorough grasp of this fundamental electronic component. This comprehensive guide emphasizes a comprehensive understanding of the data sheet, highlighting key aspects and providing valuable insights into its functioning and features.
- 1. Component Overview:
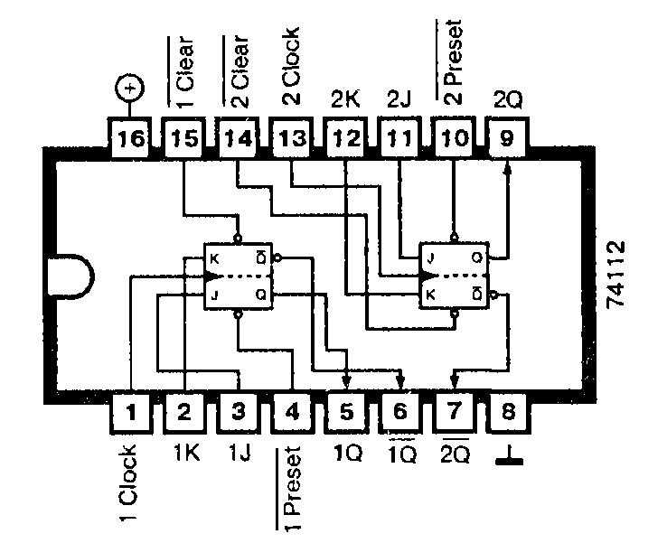
- 2. Pin Configuration:
- 3. Timing Diagrams:
- 4. Truth Table Analysis:
- 5. Operating Conditions:
- 6. Features and Limitations:
- 7. Application Circuit Examples:
- 8. Troubleshooting Tips:
- 9. Frequently Asked Questions:
Discover a broad overview of the Flip Flop JK and its relevance in digital circuits. Gain insight into its purpose, its role in sequential logic, and its significance in storing binary information.
Explore the intricate pin configuration of the Flip Flop JK, deciphering the purpose of each pin and understanding their inputs and outputs. Gain an understanding of how these pins influence the internal functioning of the component.
Analyzing the timing diagrams is crucial for a holistic comprehension of the Flip Flop JK. Uncover the intricate patterns and fluctuations in voltage and timing, and gain valuable insights into the component’s behavior under varying conditions.
Delve into the truth table analysis to determine the Flip Flop JK’s behavior under different input combinations. Analyze the intricate relationships between the J, K, CLK, and Q pins, and understand how they affect the component’s output.
A comprehensive understanding of the operational conditions is vital for utilizing the Flip Flop JK effectively. Learn about the recommended voltage and temperature ranges, as well as the power supply requirements to ensure optimal performance and longevity of the component.
Discover the unique features and characteristics of the Flip Flop JK and understand its limitations in specific applications. Gain insights into its storage capacity, propagation delay, power consumption, and any inherent design constraints.
Explore diverse application circuit examples that showcase the practical implementation of the Flip Flop JK. Gain valuable insights into its usage in various digital systems, such as shift registers, counters, and memory units.
Uncover troubleshooting tips and tricks to overcome common challenges associated with the Flip Flop JK. Learn how to diagnose and rectify potential issues, such as timing conflicts, input signal compatibility, and signal integrity problems.
Address common queries and concerns regarding the Flip Flop JK, providing comprehensive answers to frequently asked questions. Enhance your understanding and resolve any doubts or ambiguities surrounding this essential electronic component.
By navigating through this comprehensive guide, you will gain a comprehensive understanding of the Flip Flop JK Datasheet, equipping you with the knowledge to harness its full potential in digital circuit design and implementation.
Key Features and Specifications

In this section, we will explore the essential characteristics and specifications of the JK flip flop, a fundamental component in digital electronics. By understanding the key features of this device, we can gain insights into its functionality and potential applications, without referring to the specific details mentioned in its datasheet.
Functional Capabilities

The JK flip flop offers a range of functional capabilities that make it a versatile component in digital circuits. It provides the ability to store and transfer data, making it suitable for sequential logic circuits and memory applications. The flip flop has the advantage of being able to toggle between its two output states based on the inputs it receives, allowing it to serve as a basic memory element.
Robust Design

The robust design of the JK flip flop ensures its reliable performance in various electrical environments. It operates at a wide range of voltages, making it compatible with different power supply levels. Additionally, it features high noise immunity, enabling it to handle interference and fluctuations in input signals without compromising its output stability.
Flexible Inputs
The JK flip flop offers flexible input options, accommodating various logic signal levels. Its versatile inputs can accept both positive and negative transitions, allowing for better compatibility with different circuit configurations. This feature enhances the reliability and adaptability of the JK flip flop in complex digital systems.
Diverse Applications
Owing to its unique characteristics, the JK flip flop finds applications in numerous electronic systems. It serves as a key component in counters, shift registers, and other sequential logic circuits. Its ability to store and transfer data makes it suitable for memory units and data storage devices. Moreover, its robust design and flexible inputs enable its usage in digital communication systems and control units.
Understanding the Pinout Configuration

The pinout configuration of a JK flip-flop, as indicated in the datasheet, plays a crucial role in its functionality. It provides a framework for connecting external components and allows for proper communication between various parts of a circuit. This section aims to provide a clear understanding of the pinout configuration, discussing its significance and implications.
The Pinout Configuration: Explained
- The “Clock” pin is responsible for the synchronization of the flip-flop and determines when the input data is accepted.
- The “J” and “K” pins represent the inputs that determine the flip-flop’s state. The J input sets the output to 1, while the K input resets it to 0.
- The “Clear” or “Reset” pin allows for the immediate and synchronous resetting of the flip-flop’s output to 0.
- The “Output” pin provides the resulting output of the flip-flop, indicating its state after the inputs and clock signals have been processed.
- Additional pins, such as power supply and ground pins, ensure the proper functioning of the flip-flop by providing necessary voltage levels to the internal components.
Understanding the significance of each pin and its role in the overall functionality of the flip-flop is essential when designing and implementing circuits. A thorough grasp of the pinout configuration allows for accurate connections and reliable operation of the flip-flop within a larger system.
Moreover, it is important to note that the pinout configuration may vary depending on the specific flip-flop model or manufacturer. Therefore, referring to the relevant datasheet is crucial to ensure accurate pinout identification and proper integration within the circuit design.
In conclusion, comprehending the pinout configuration is vital for understanding the functionality and proper utilization of a JK flip-flop. By knowing the purpose of each pin and its significance within the circuit, engineers and designers can increase the efficiency and reliability of their projects, ultimately leading to successful implementations.