
Transistors are essential electronic components that play a crucial role in amplification, switching, and modulation of electronic signals. In this article, we will explore the characteristics and capabilities of a widely used transistor, which is commonly referred to as Bu508a. By delving into its diverse applications and examining its specifications, we aim to provide a comprehensive understanding of this versatile electronic device.
The Bu508a transistor, a powerful semiconductor device, enables efficient control and manipulation of electrical currents. With its robust construction and advanced design, this transistor stands at the forefront of technological innovation. It encompasses notable features such as high power dissipation, low collector-emitter saturation voltage, and excellent thermal capabilities.
Moreover, the Bu508a transistor is highly sought after in the field of electronics due to its ability to handle high voltage and current levels. This attribute makes it particularly suitable for applications where power amplification and switching are necessary. By leveraging its exceptional performance, engineers and enthusiasts alike can design and build cutting-edge electronic circuits that cater to a wide range of industrial and domestic needs.
In the following sections, we will delve into the detailed datasheet of the Bu508a transistor, examining its electrical characteristics, thermal properties, and mechanical dimensions. By understanding its technical specifications, users can effectively utilize this transistor to optimize their electronic designs, ensuring efficient and reliable performance. Stay tuned for an insightful exploration of the Bu508a transistor and unlock its full potential in your electronic projects!
Technical Specifications and Electrical Characteristics

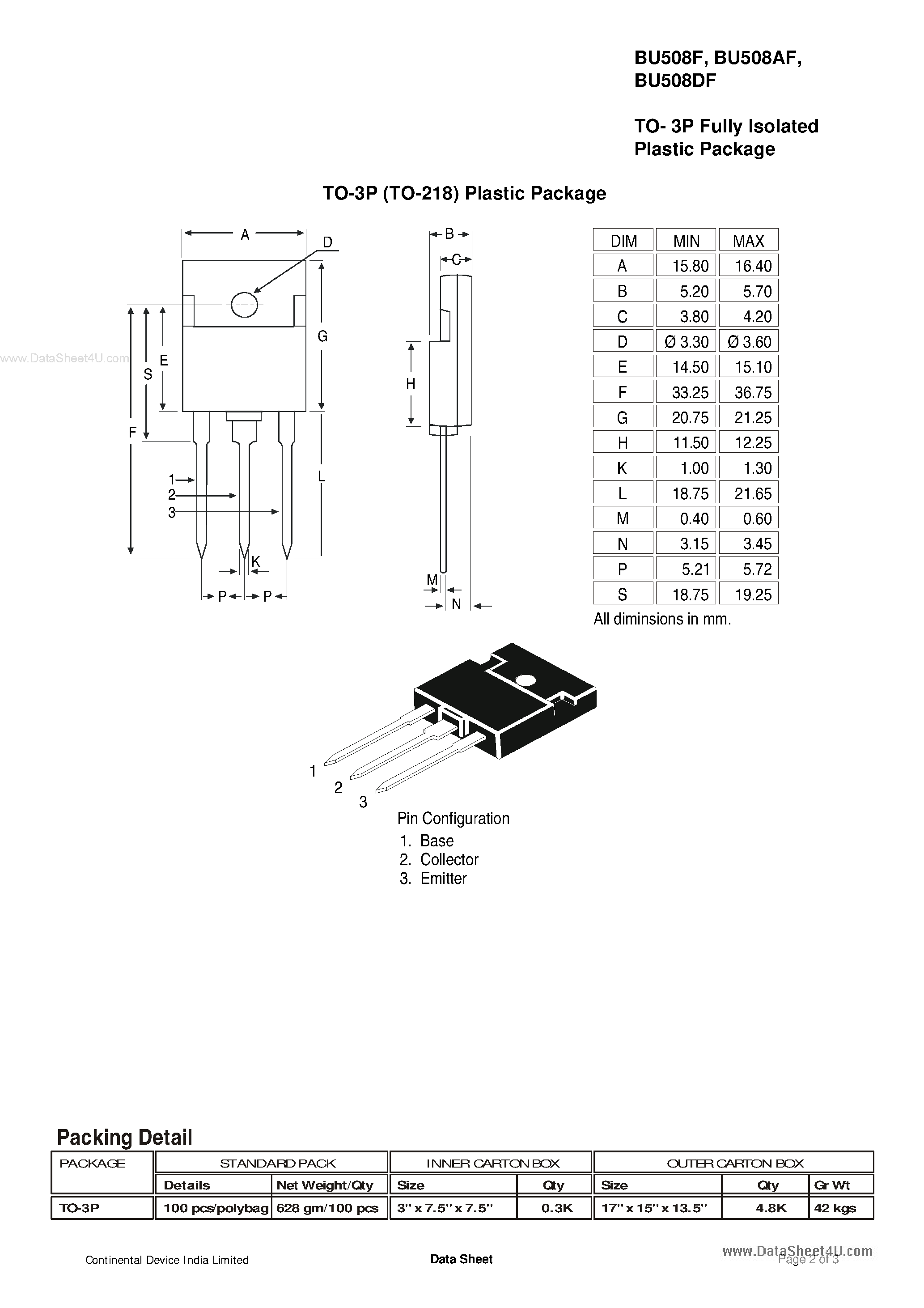
In this section, we will delve into the technical specifications and electrical characteristics of a particular component. We will explore its various parameters and features, providing a comprehensive understanding of its performance.
Starting with the electrical characteristics, we will discuss the voltage ratings, current capabilities, and power dissipation of the component. These specifications are crucial in determining the component’s suitability for different applications and ensuring its proper functioning within specified limits.
We will also analyze the operating temperature range, which defines the environmental conditions under which the component can operate reliably. Furthermore, we will examine the thermal resistance, a key parameter in designing the component’s heat management system.
Additionally, the technical specifications will cover the component’s switching speed and frequency response, indicating its ability to handle rapid changes in electrical signals. This information is essential for applications that require high-speed switching or frequency-dependent operations.
We will further explore the input and output characteristics, such as input and output capacitance, voltage gain, and impedance. Understanding these parameters allows designers to optimize circuit performance and ensure compatibility with other components and systems.
Moreover, we will discuss the component’s overall dimensions, package type, and pin configuration. These details are crucial for proper installation and integration into circuits, ensuring mechanical compatibility and ease of use.
In summary, this section will provide a comprehensive overview of the technical specifications and electrical characteristics of the component, enabling engineers and designers to make informed decisions regarding its implementation in various electronic systems.
Applications and Industrial Uses

In this section, we will explore the various applications and industrial uses of the Bu508a, a versatile electronic component that finds its place in a wide range of systems and devices. From power amplifiers to motor control circuits, this component plays a vital role in ensuring efficient and reliable operation.
One of the primary applications of the Bu508a is in power amplifiers, where it is used to amplify the signal strength without compromising the quality. Its robust design and high power rating enable it to handle large amounts of power, making it suitable for use in audio systems, radio transmitters, and communication devices.
Another important industrial use of the Bu508a is in motor control circuits. Motor control circuits require components that can handle high current and voltage levels, while providing precise control over the speed and direction of the motor. The Bu508a excels in these requirements, making it an ideal choice for motor control applications in industries such as manufacturing, automation, and robotics.
The Bu508a also finds its place in power supply systems, where it is utilized to regulate and distribute power efficiently. Its high current-carrying capacity and low saturation voltage make it highly suitable for power supply applications, ensuring stable and reliable power delivery to various electronic devices.
Furthermore, the Bu508a is commonly employed in switching circuits, where it facilitates the switching of signals and currents between different components. Its fast switching speed, combined with its high current-handling capability, allows for efficient and seamless operation in applications such as switching power supplies, lighting controls, and voltage regulators.
In summary, the Bu508a is a versatile electronic component with a wide range of applications and industrial uses. Its ability to handle high power, provide precise control, and ensure efficient power distribution makes it an indispensable part of numerous systems and devices in various industries.