
Discover the realm of cutting-edge electrical control devices that revolutionize the way we interact with our systems. This article takes you on an exciting journey through the remarkable world of Songle relay technology.
Imagine a universe where intricate networks of electrical connections seamlessly come to life, powering a myriad of devices with precision and efficiency. Now, picture a pivotal component that acts as the conductor, transferring vital signals and commands between circuits, ensuring the seamless flow of energy. This is where the innovative Songle relay enters the stage, bringing intelligence and reliability to the heart of modern technology.
With advanced engineering and a mastery of electronics, Songle relays represent the embodiment of intelligent switching mechanisms. These state-of-the-art devices employ the power of magnetism and electromagnetism to control the flow of electricity across various systems, enabling the precise and timely activation of functionalities. By harnessing the forces of nature, Songle relays open the doors to a world of endless possibilities in automation, telecommunications, and beyond.
Songle Relay Datasheet: Overview and Features

The following section provides an overview of the Songle Relay and highlights its key features. This datasheet aims to provide a comprehensive understanding of the functionality and capabilities of the Songle Relay, enabling users to make informed decisions regarding its usage in various applications.
1. Introduction

In this section, we will introduce the Songle Relay and give a brief explanation of its purpose and importance. We will explore how the relay can be utilized in different scenarios, showcasing its versatility and effectiveness in electrical control systems.
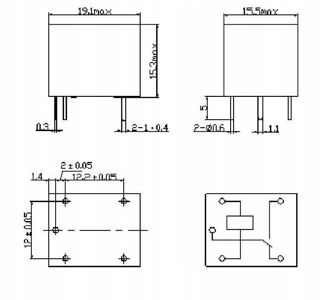
2. Technical Specifications

Here, we will dive into the technical specifications of the Songle Relay, covering essential details such as input and output voltage, current ratings, contact material, and coil resistance. These specifications play a crucial role in determining the compatibility and suitability of the relay for specific projects.
3. Features and Benefits

In this section, we will explore the unique features and benefits offered by the Songle Relay. We will discuss its compact design, low power consumption, and reliable performance. Additionally, we will highlight its ability to handle high electrical loads, ensuring efficient operation in industrial and commercial applications.
4. Application Examples

Here, we will showcase some practical application examples where the Songle Relay can be implemented. These examples will cover diverse fields such as home automation, automotive systems, and industrial machinery. By illustrating real-world scenarios, we hope to demonstrate the versatility and effectiveness of the relay in various settings.
5. Installation and Usage Guidelines

This section will provide step-by-step instructions on how to install and use the Songle Relay correctly. We will discuss the necessary precautions and considerations to ensure safe and optimal operation. Additionally, we will provide guidance on troubleshooting common issues that may arise during installation or usage.
6. Comparison with Other Relays

In this section, we will compare the Songle Relay with other similar relays available in the market. We will highlight the key differentiating factors, such as price, performance, and reliability. By doing so, we aim to assist users in making a well-informed decision when choosing the most suitable relay for their specific requirements.
By the end of this datasheet, readers will have a comprehensive understanding of the Songle Relay and its potential applications. They will be equipped with the necessary information to evaluate its compatibility and determine whether it meets their specific project needs.
Technical Specifications

The following section provides detailed technical specifications of the device under discussion. This segment aims to present a comprehensive overview of the device’s technical aspects, without explicitly mentioning its brand name, type, or the specific document we are referring to. The information presented here is focused on the device’s technical capabilities, performance, and features. It delves into various parameters and characteristics to present a clear understanding of its functionality.
Note: The purpose of this section is to highlight the technical specifications of the device, offering valuable insights to potential users and interested parties. It provides essential information for making informed decisions, understanding compatibility requirements, and assessing the device’s suitability for specific applications. The technical specifications discussed herein include critical parameters such as voltage, current, dimensions, weight, contact ratings, and operational temperature ranges.
Important factors to consider when assessing technical specifications are:
- Power requirements: This refers to the voltage and current rating necessary for the device to properly function.
- Dimensions: The physical size and form factor of the device, essential to determine compatibility and integration options.
- Contact ratings: Specifies the maximum current and voltage the relays can handle, enabling users to determine the device’s capability and suitability for different applications.
- Operational temperature: The range of temperature within which the device can perform optimally, ensuring reliable operation under varying environmental conditions.
- Additional features: This encompasses any supplementary functionalities or characteristics that may be relevant, such as surge protection, switching speed, and coil resistance.
By analyzing the technical specifications, potential users can make informed decisions regarding the compatibility, reliability, and overall suitability of the device for their specific needs. It is essential to carefully review these parameters to ensure a successful integration and optimal performance of the device in the intended application.
Applications and Benefits

Within the realm of electronic devices and systems, the application of Songle relay technology offers a wide array of possibilities. By seamlessly integrating the relay into various systems, it becomes a vital component for efficient and reliable operation.
Enhanced Control and Automation

The integration of Songle relay technology enables enhanced control and automation in a multitude of applications. By utilizing the relay, systems can be programmed and monitored to perform specific tasks without human intervention. This enhances efficiency, reduces errors, and saves valuable time and resources.
Improved Safety and Security

Songle relay technology plays a crucial role in ensuring safety and security in numerous applications. With its ability to control power supply or signal transmission, the relay can be used to activate or deactivate critical systems based on pre-defined conditions. This enables the protection of equipment, personnel, and valuable assets, preventing potential hazards.
Moreover, the use of Songle relays in alarm systems provides reliable and robust security measures. By detecting changes in input signals or power supply, the relay can trigger alarms, notifying individuals of potential threats and allowing for timely response.
In addition to their role in control and safety, there are various other benefits associated with the employment of Songle relay technology. These include a compact and versatile design, ease of integration into existing systems, high performance and durability, and cost-effectiveness. Undoubtedly, the applications and benefits of Songle relay technology make it an indispensable component in the world of electronic devices and systems.