
In the realm of electronic devices, the intricate world of RF integrated circuits holds immense potential for transforming the way we communicate. These cutting-edge components, with their ingenious designs and advanced functionalities, are at the heart of countless wireless applications. In this article, we explore a noteworthy member of this fascinating category, shining the spotlight on its exceptional features and capabilities.
Within the realm of RF ICs, there exists a remarkable component that captivates engineers and enthusiasts alike. Exemplifying excellence in its field, this semiconductor device epitomizes precision and efficiency, setting new standards in performance. Equipped with an impressive array of functions, this proficient circuit exhibits the power to amplify, modulate, and demodulate radio frequency signals.
Unveiling its ingenuity, this component boasts a compact form factor that belies its immense capabilities. With each meticulously crafted detail, it demonstrates a seamless integration of complex technologies, ensuring optimal performance in a wide range of applications. Combining versatility with high precision, this RF IC offers an extraordinary degree of control and customization, empowering designers to push the boundaries of innovation.
As we venture further into the realm of RF integrated circuits, we invite you to delve deeper into the features and specifications of this exceptional component. Through exploring its datasheet, we unravel the intricate details that make it a reliable and essential tool for electronic designers. Join us on this journey to discover the immense potential and endless possibilities that this incomparable RF IC brings to the world of wireless communication.
An Overview of the SA602A Datasheet

In this section, we will provide a comprehensive overview and summary of the SA602A datasheet, which contains important information about a versatile and widely-used integrated circuit. This datasheet serves as a valuable resource for engineers and hobbyists looking to gain a better understanding of the SA602A and its capabilities.
Key Features


The SA602A offers a multitude of features that make it suitable for various applications. This section will outline some of the key features of the SA602A, highlighting its versatility and potential use cases.
Circuit Operation

In this part of the datasheet, the underlying circuit operation of the SA602A will be elaborated. It will give insights into the fundamental principles and mechanisms that enable the SA602A to deliver its exceptional performance in different scenarios.
By delving into this overview of the SA602A datasheet, readers will gain a solid understanding of the potential applications and operation of this integrated circuit. This knowledge can serve as a foundation for further exploration and experimentation, enabling engineers and hobbyists to fully utilize the capabilities of the SA602A in their specific projects.
Understanding the SA602A IC: Features and Specifications

In this section, we will explore the features and specifications of the SA602A integrated circuit (IC), an essential component in many electronic devices. A thorough understanding of these features will enable you to make informed decisions when designing or working with circuits that include the SA602A.
Key Features
- Highly versatile and widely used IC in various applications
- Operates as a mixer, oscillator, and gain control amplifier
- Wide frequency range capability
- Low power consumption
- Excellent linearity and gain control characteristics
- Integrated on-chip adjustable oscillators
- Designed for use in radio communication and signal processing systems
- Compact and lightweight design for space-constrained applications
Specifications

The SA602A IC boasts exceptional performance and a range of specifications that make it a preferred choice in various electronic applications. Some of the key specifications include:
- Frequency range: Covers a wide frequency range for versatile application possibilities
- Gain control range: Offers precise control over the gain, allowing for customization based on specific needs
- Conversion gain: Provides a high conversion gain to improve overall system performance
- Dynamic range: Ensures accurate signal processing by accommodating a wide range of input signal levels
- Supply voltage range: Operates within a specific voltage range to ensure proper functionality
- Operating temperature range: Withstands a wide temperature range for reliable operation in different environments
- Package options: Available in various package options to accommodate different circuit designs and applications
By studying these features and specifications, you can gain a comprehensive understanding of the capabilities and performance of the SA602A IC. This knowledge will empower you to make informed decisions when incorporating this versatile component into your electronic designs.
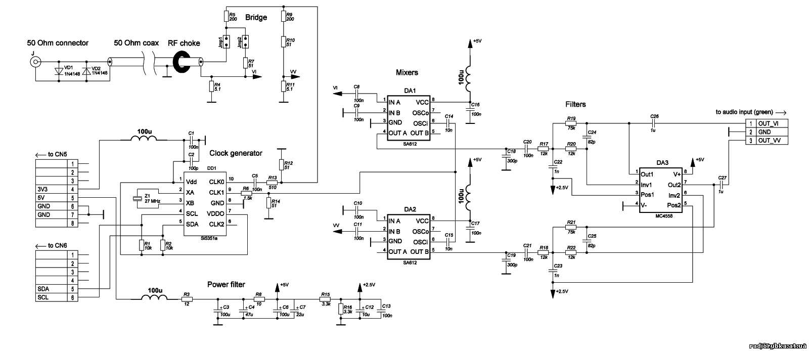
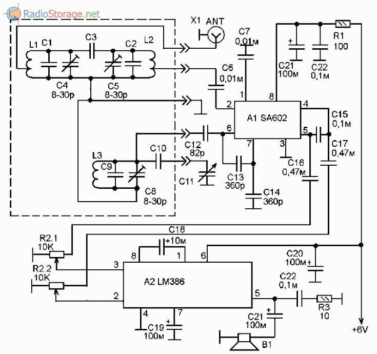
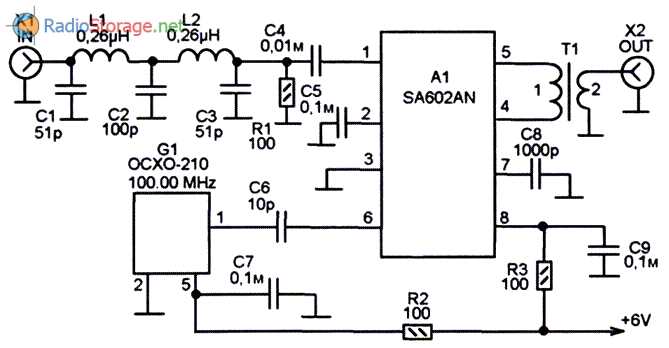
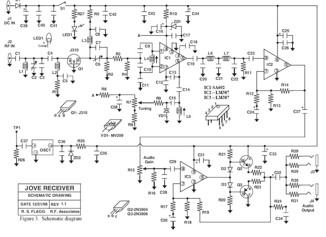
Application of the SA602A IC in Communications Systems

The SA602A integrated circuit (IC) is a versatile device that finds widespread application in various communications systems. This article explores the key areas where the SA602A IC plays a crucial role, offering enhanced performance and functionality.
Receiver Front-Ends

One of the primary applications of the SA602A IC is in receiver front-ends. By providing excellent performance in terms of gain, noise figure, and linearity, the SA602A IC allows for the reception of weak signals in communication systems. Its low noise characteristics make it suitable for applications requiring optimal sensitivity, such as radio receivers and software-defined radios (SDRs).
Mixers and Modulators

The SA602A IC also serves as a versatile mixer and modulator in communication systems. With its ability to convert the frequency of input signals while maintaining good signal integrity, the SA602A IC enables frequency translation and upconversion/downconversion processes. This makes it a valuable component in frequency synthesizers, transmitters, and transceivers.
| Key Features | Benefits |
|---|---|
| Wide frequency range | Enables operation across various communication bands |
| High linearity | Ensures accurate signal processing |
| Low power consumption | Enhances energy efficiency |
| Small form factor | Facilitates compact system design |
Furthermore, the SA602A IC offers excellent frequency linearity, allowing for minimal distortion and high-quality modulation. Its low power consumption makes it suitable for portable communication devices, while the small form factor contributes to space-efficient system designs.
In conclusion, the SA602A IC proves to be an invaluable component in communications systems, finding applications in receiver front-ends, mixers, and modulators. Its wide frequency range, high linearity, low power consumption, and compact form factor make it a versatile choice for various communication needs.
Tips for Successful Implementation of the SA602A IC in Circuit Designs

Designing circuits with integrated circuits (ICs) can be a complex and challenging process. When it comes to implementing the SA602A IC, attention to detail and careful consideration of various factors are essential for achieving successful results.
One important aspect to consider during the implementation of the SA602A IC in circuit designs is the proper understanding of its functionalities and specifications. Familiarize yourself with the key features and capabilities of the SA602A IC to ensure its optimal utilization within your circuit design.
Another crucial factor for successful implementation is the thorough examination of circuit layout and component placement. Take into account the electrical characteristics of the SA602A IC and arrange the surrounding components in a way that minimizes interference and maximizes signal integrity.
Additionally, paying attention to power supply requirements is vital for the proper functioning of the SA602A IC. Ensure that the IC is supplied with a stable and clean power source within the specified voltage range to prevent performance issues or damage.
Moreover, considering the thermal aspects of the SA602A IC is crucial to prevent overheating and ensure long-term reliability. Adequate heat sinking and ventilation strategies should be implemented to maintain the IC’s temperature within acceptable limits.
Lastly, during the implementation process, it is essential to keep an eye on potential noise sources and interference that can impact the performance of the SA602A IC. Employ appropriate filtering techniques and isolation methods to minimize external disturbances and ensure accurate and reliable operation.
By following these tips and considering the various aspects discussed, you can enhance the overall success and effectiveness of your circuit designs when incorporating the SA602A IC. Proper understanding, meticulous planning, and attention to detail are the keys to achieving optimal performance and maximizing the potential of this versatile integrated circuit.