
Delve into the intricate blueprint of cutting-edge microelectronics. Within the realm of technological innovation lies a treasure trove of insight into the foundational components that power our digital landscape. In the heart of this labyrinth lies a meticulously crafted manuscript, an invaluable guide that unveils the essence of microcontrollers, their functionalities, and the intricate dance of electrons that propels them forward.
Embark on a journey through the labyrinthine corridors of silicon marvels, where every line of code becomes a symphony of binary brilliance. As we navigate through this digital expanse, we encounter a document akin to an ancient scroll, whispering secrets of voltage thresholds, signal propagation, and the dance of logic gates. Here, amidst the sea of data, we find ourselves drawn to a singular manuscript, a compendium of wisdom encapsulating the essence of microcontroller architecture.
Peer into the inner workings of electronic enigmas, where ones and zeros reign supreme. Within these pages lie the blueprints of silicon sentinels, guardians of computation and arbiters of electronic orchestration. Each line, each symbol, a testament to the ingenuity of human intellect, weaving together a tapestry of instruction and execution. Join us as we unravel the mystique of microcontroller documentation, where every word is a command and every diagram a roadmap to digital enlightenment.
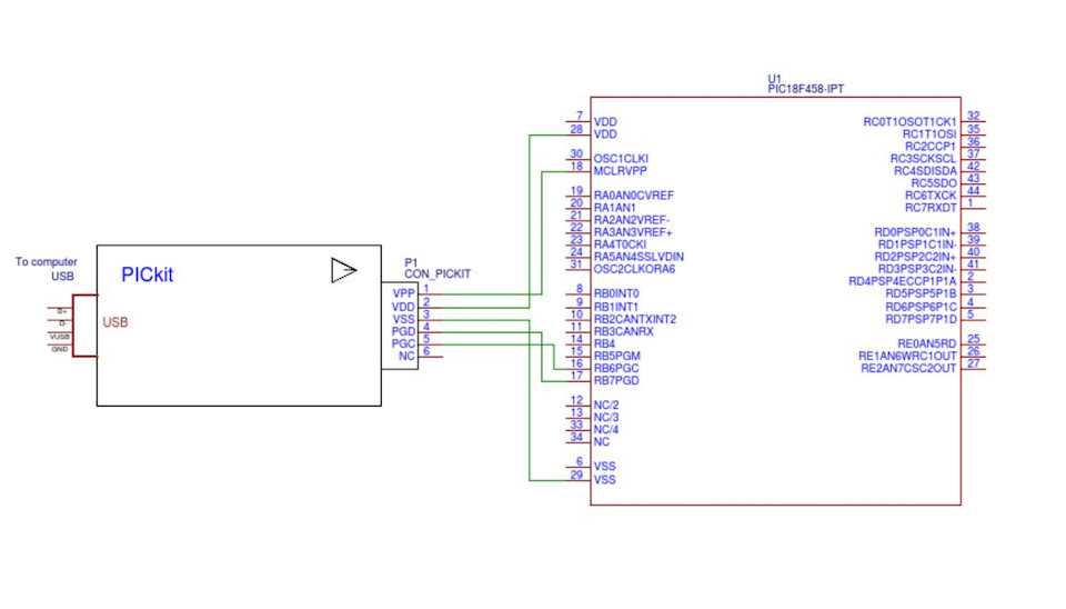
The Key Features of Pic18f14k22 Microcontroller

In this section, we delve into the fundamental aspects and distinguishing characteristics of the Pic18f14k22 microcontroller. Understanding its core functionalities is essential for grasping its utility and potential applications.
| Performance | The performance metrics of the Pic18f14k22 underscore its efficiency and responsiveness in executing tasks, ensuring swift and reliable operation. |
| Peripheral Integration | The seamless integration of various peripherals within the Pic18f14k22 enhances its versatility, enabling diverse functionalities without external components. |
| Memory Configuration | The memory architecture of the Pic18f14k22 facilitates seamless data storage and retrieval, crucial for accommodating diverse applications and programming requirements. |
| Communication Interfaces | The diverse communication interfaces supported by the Pic18f14k22 enable seamless interaction with external devices, fostering connectivity and interoperability. |
| Power Management | Efficient power management features of the Pic18f14k22 optimize energy consumption, prolonging battery life and enhancing sustainability in various applications. |
| Security Features | Robust security features embedded within the Pic18f14k22 safeguard sensitive data and prevent unauthorized access, ensuring the integrity of the system. |
These key attributes collectively distinguish the Pic18f14k22 microcontroller, making it a preferred choice for diverse embedded systems and IoT applications.
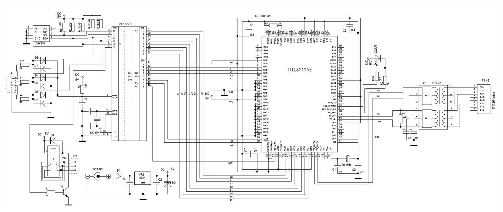
Understanding the Architecture and Technical Specifications
In this section, we delve into the intricacies of the microcontroller’s inner workings and its performance characteristics. We explore the underlying framework and operational principles, shedding light on its functionality without directly referencing specific model names or detailed documentation. Through this exploration, we aim to provide a comprehensive understanding of the architecture and technical specifications that define the capabilities of this microcontroller.
Core Architecture

- Examining the fundamental structure and organization of the processing unit.
- Understanding the role of registers, memory, and peripherals in executing tasks.
- Analyzing the data flow and control mechanisms within the architecture.
Performance Metrics and Specifications
- Exploring key performance indicators such as clock speed and execution time.
- Discussing memory constraints and addressing modes.
- Examining power consumption profiles and efficiency metrics.
By dissecting these aspects, we aim to provide a comprehensive insight into the underlying architecture and technical specifications of this microcontroller, empowering users to harness its full potential in diverse applications.
Unlocking the Potential: Exploring the Versatility of Technical Documentation

In the realm of embedded systems, uncovering the myriad applications and functionalities of advanced microcontrollers lies at the heart of innovation. This section delves into the wealth of possibilities presented by comprehensive technical documentation, providing a roadmap for harnessing the full capabilities of cutting-edge microcontroller architectures.
Exploring Diverse Utilizations: Within the realm of electronic design and automation, the utilization of intricate microcontroller specifications extends far beyond conventional boundaries. From intricate sensor interfacing to precision motor control, the breadth of applications span across industries, driving advancements in robotics, IoT, and beyond.
Empowering Development Endeavors: Understanding the intricacies of technical datasheets empowers developers to transcend limitations and craft bespoke solutions tailored to specific requirements. Through meticulous analysis and strategic implementation, engineers unlock the potential for groundbreaking innovation, propelling projects from conception to realization.
Optimizing Performance: The nuances embedded within comprehensive technical documentation serve as a blueprint for optimizing system performance and efficiency. By leveraging the wealth of information encapsulated within datasheets, developers fine-tune algorithms, mitigate bottlenecks, and unlock the latent potential of microcontroller architectures.
Driving Technological Evolution: As the cornerstone of modern electronics, microcontrollers epitomize the symbiotic relationship between innovation and technical documentation. By delving into the intricacies of datasheets, engineers pave the way for technological evolution, ushering in an era of unprecedented functionality and adaptability.
Fostering Creativity and Collaboration: Beyond serving as a technical manual, the exploration of microcontroller datasheets cultivates a culture of creativity and collaboration within the engineering community. Through shared insights and collective expertise, developers amplify their capabilities, fostering a dynamic ecosystem of innovation and progress.
Exploring Practical Applications in Embedded Systems
In the realm of embedded systems, there exists a wealth of opportunities for innovation and problem-solving. These compact computing systems, characterized by their integration into larger devices or systems, offer a myriad of practical uses across various industries. Let’s delve into the diverse applications of these sophisticated technologies.
- Industrial Automation: Embedded systems play a pivotal role in automating industrial processes, optimizing efficiency, and ensuring precision in manufacturing environments. From controlling robotic arms on assembly lines to monitoring environmental parameters in real-time, these systems enhance productivity and safety.
- Consumer Electronics: In the consumer market, embedded systems power an array of everyday devices, ranging from smart appliances to wearable gadgets. These systems enable seamless connectivity, intuitive user interfaces, and intelligent functionalities, enriching the user experience and simplifying daily tasks.
- Medical Devices: Embedded systems are instrumental in the development of advanced medical devices that revolutionize healthcare delivery. From implantable devices for monitoring vital signs to portable diagnostic tools, these systems contribute to improved patient care, diagnosis, and treatment outcomes.
- Automotive Industry: Embedded systems have become indispensable in modern vehicles, driving innovations in safety, navigation, and entertainment systems. From anti-lock braking systems to autonomous driving features, these systems enhance vehicle performance, reliability, and comfort.
- IoT Solutions: The Internet of Things (IoT) relies heavily on embedded systems to enable seamless communication and data exchange between interconnected devices. These systems form the backbone of smart infrastructure, enabling remote monitoring, predictive maintenance, and energy management in diverse domains.
Overall, embedded systems represent a versatile and indispensable technology with far-reaching implications across industries. Their integration into various applications continues to redefine possibilities, driving progress and innovation in the ever-evolving landscape of technology.
Optimizing Performance: Strategies and Techniques for Enhanced Efficiency
In this section, we delve into various methods to amplify the operational capabilities of the component in question. By exploring a spectrum of approaches, we aim to elevate the overall functionality and expedite the execution of tasks with finesse.
1. Streamlining Execution

One fundamental aspect revolves around refining the execution process to bolster efficiency. This encompasses a myriad of techniques ranging from code optimization to resource allocation.
2. Enhancing Resource Utilization

Another pivotal facet pertains to maximizing the utilization of available resources. This involves prudent management of memory, meticulous selection of peripherals, and adept configuration of system parameters.