
Delve into the core of innovation as we embark on a journey through the intricate framework of state-of-the-art microcontrollers, crafted by the visionary minds at Nordic. Explore the blueprint that lays the groundwork for a new era of technological advancement, where every line of code is imbued with the promise of revolutionizing connectivity and functionality.
Embark upon a voyage of discovery as we dissect the anatomy of next-generation microcontrollers, offering a glimpse into the intricate design elements that power the heart of modern electronics. Traverse through the labyrinth of circuitry, where each component plays a pivotal role in shaping the landscape of innovation.
Unravel the enigma of these cutting-edge marvels as we decipher the language of silicon and electrons, unraveling the mysteries concealed within the datasheets. Peer into the depths of functionality, where every line of code and configuration holds the key to unlocking unparalleled performance and efficiency.
Nordic nrf52833 Datasheet Overview

In this section, we delve into an exploration of the comprehensive documentation that illuminates the intricacies and capabilities of the Nordic nrf52833 microcontroller. Through this elucidation, we aim to provide a panoramic insight into the multifaceted functionalities, specifications, and performance metrics encapsulated within the datasheet of this cutting-edge semiconductor component.
Functional Attributes
Embarking on an analytical journey through the datasheet, one encounters a rich tapestry of functional attributes that delineate the operational prowess of the Nordic nrf52833 microcontroller. From its adeptness in wireless communication protocols to its robust processing capabilities, each facet contributes to a cohesive narrative of technological sophistication.
Performance Metrics

Beyond the realm of functionality lies a realm of quantifiable metrics that serve as beacons illuminating the performance landscape of the Nordic nrf52833. Through meticulous examination of parameters such as power consumption, clock frequency, and memory resources, stakeholders gain a nuanced understanding of the microcontroller’s prowess in diverse operational scenarios.
Understanding the Key Features

Exploring the essence of this component’s functionalities unveils a plethora of pivotal attributes that underscore its significance within electronic systems. Delving into its core specifications sheds light on the diverse capabilities and potentials it brings to the table.
At the heart of its design lie foundational elements engineered to optimize performance and efficiency, ensuring seamless integration into a myriad of applications. These intrinsic qualities empower developers with versatile tools to innovate and propel their projects forward.
An examination of its primary characteristics reveals a robust framework built to meet the demands of modern technological landscapes. From connectivity options to processing capabilities, each feature intricately contributes to the overall functionality of this component.
Unveiling the nuances of its functionalities provides a comprehensive understanding of its potential applications across various industries. By harnessing these features effectively, developers can unlock new possibilities and redefine the boundaries of innovation.
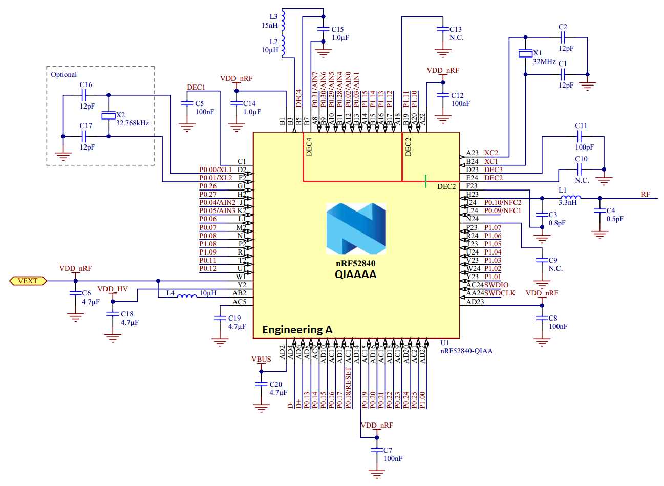
Hardware Specifications and Pin Configuration
In this section, we delve into the intricate details of the physical attributes and functional characteristics of the device, shedding light on its internal architecture and the arrangement of its essential components. Additionally, we explore the layout and allocation of pins, elucidating their roles and interactions within the system.
Device Specifications

The hardware specifications outline the fundamental parameters governing the performance and capabilities of the device. These encompass aspects such as processing power, memory capacity, communication interfaces, and peripheral support. Understanding these specifications is crucial for comprehending the device’s potential applications and limitations.
Pin Configuration
The pin configuration delineates the arrangement and assignment of pins on the device, specifying their functions and connectivity options. Each pin serves a distinct purpose, ranging from data input/output to power supply and control signals. A comprehensive understanding of the pin configuration facilitates proper integration and utilization of the device within diverse hardware environments.
| Pin Name | Description | Function |
|---|---|---|
| VDD | Power Supply Voltage | Provides operating voltage to the device |
| GND | Ground | Reference point for electrical signals |
| GPIO | General Purpose Input/Output | Configurable pin for data transfer |
| UART | Universal Asynchronous Receiver/Transmitter | Serial communication interface |
| SPI | Serial Peripheral Interface | Full-duplex synchronous serial communication |
| I2C | Inter-Integrated Circuit | Serial communication bus |
Exploring the Potential Applications of the Nordic nrf52833 Technical Documentation
In this section, we delve into the myriad of possibilities presented by the comprehensive technical documentation of the innovative Nordic nrf52833 system. By scrutinizing the intricacies of its specifications and functionalities, we uncover a diverse array of potential applications that harness its capabilities to address a multitude of needs across various domains.
Wireless Communication Systems
One area where the Nordic nrf52833 documentation shines is in enabling the development of advanced wireless communication systems. Leveraging its robust features and protocols, developers can create seamless and reliable connections in IoT devices, smart home applications, and industrial automation solutions. The comprehensive documentation acts as a guiding beacon, facilitating the implementation of efficient communication protocols tailored to specific requirements.
Embedded Sensor Networks
Another promising avenue explored within the Nordic nrf52833 technical documentation is the realm of embedded sensor networks. By integrating this versatile system-on-chip solution with an array of sensors, including accelerometers, gyroscopes, and environmental sensors, developers can construct sophisticated networks capable of gathering and transmitting real-time data for diverse applications. The documentation serves as a roadmap, offering insights into optimizing power consumption, maximizing sensor accuracy, and ensuring seamless data transmission.
| Application | Description |
|---|---|
| Health Monitoring Devices | Utilizing the Nordic nrf52833’s low-power capabilities and advanced processing features, developers can design compact and efficient health monitoring devices capable of tracking vital signs and transmitting data to healthcare professionals in real-time. |
| Asset Tracking Systems | The Nordic nrf52833’s robust wireless connectivity options make it an ideal choice for developing asset tracking systems, enabling seamless monitoring and management of valuable assets in diverse environments, from warehouses to outdoor facilities. |
| Smart Agriculture Solutions | By leveraging the Nordic nrf52833’s integration capabilities with various sensors and actuators, developers can create smart agriculture solutions that optimize resource utilization, monitor environmental conditions, and automate agricultural processes for increased efficiency and productivity. |
IoT Applications and Connectivity Options
In the realm of interconnected devices, a plethora of applications emerge, harnessing the potential of seamless connectivity to revolutionize various sectors. From smart homes to industrial automation, the landscape of IoT applications is vast and dynamic, offering innovative solutions to modern challenges.
Exploring Diverse Applications
IoT technologies find utility across numerous domains, facilitating tasks, optimizing processes, and enhancing user experiences. In the realm of home automation, IoT-enabled devices offer convenience and efficiency, enabling remote control of appliances, energy management, and security monitoring.
Moreover, IoT solutions extend their reach to healthcare, where remote patient monitoring systems enhance healthcare delivery, ensuring timely interventions and personalized care. In agriculture, IoT sensors and actuators revolutionize farming practices, enabling precision agriculture through real-time monitoring of environmental conditions and automated irrigation systems.
Connectivity Solutions

Connectivity lies at the heart of IoT, enabling seamless communication between devices and systems. Various connectivity options cater to diverse IoT requirements, offering a spectrum of solutions tailored to specific needs.
Wireless technologies such as Wi-Fi, Bluetooth, Zigbee, and LoRaWAN provide flexible connectivity options, each with its unique strengths and applications. Furthermore, cellular networks offer wide coverage and robust connectivity, ideal for applications requiring mobility and long-range communication.
Additionally, mesh networking architectures empower IoT ecosystems with resilience and scalability, facilitating seamless communication even in challenging environments. By leveraging a combination of wired and wireless connectivity, IoT deployments can achieve optimal performance and reliability.