
In the realm of luminosity innovation lies a treasure trove of enlightenment awaiting discovery, concealed within the intricate folds of technological blueprints.
Embrace the quest for brilliance as we delve into the core essence of a pivotal document, a beacon guiding enthusiasts and professionals alike towards the zenith of illumination mastery.
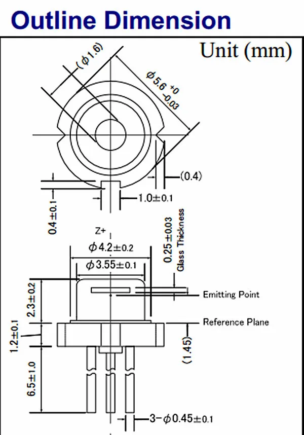
Within these pages, revelations await, offering insights into the anatomy of radiance, the blueprint of brilliance, and the roadmap to enlightenment.
Understanding Specifications of the Nichia 757 Component

In this section, we delve into the intricate details and specifications of the Nichia 757 component, shedding light on its various characteristics and functionalities. By comprehensively understanding these specifications, users can effectively utilize the capabilities of this component in their applications.
Key Parameters Overview

Before delving into the specifics, it’s essential to grasp the fundamental parameters that define the performance and behavior of the Nichia 757 component. These parameters encompass various aspects such as electrical characteristics, thermal properties, and optical performance, all of which play pivotal roles in determining its suitability for diverse applications.
Electrical Characteristics
- Forward Voltage: The voltage required to drive the component and achieve luminosity.
- Forward Current: The current flowing through the component when operational.
- Reverse Current: The leakage current when the component is reverse-biased.
Understanding these electrical characteristics enables precise control and optimization of the component’s performance in different circuit configurations.
Stay tuned as we delve deeper into each specification, providing insights and practical considerations for leveraging the Nichia 757 component effectively.
Deciphering Technical Parameters and Performance Metrics

Understanding the intricacies of technical specifications and performance metrics is crucial in evaluating the capabilities and suitability of electronic components. In this section, we delve into the various parameters and metrics associated with the subject matter, shedding light on their significance and implications.
Key Parameters

When examining the specifications of electronic components, certain key parameters stand out as fundamental indicators of their performance. These parameters encompass a range of characteristics, including but not limited to luminous flux, forward voltage, color rendering index (CRI), and thermal resistance. Each parameter plays a distinct role in defining the operational capabilities and limitations of the component.
Evaluating Performance Metrics
Beyond the basic parameters, performance metrics offer deeper insights into the overall performance of electronic components. Metrics such as efficacy, luminous efficacy, and color temperature provide quantitative measures of efficiency and quality. Additionally, metrics related to reliability, such as lumen maintenance and lifespan, are essential considerations for long-term performance and durability.
Unlocking the Potential: Applications of High-Performance LED Components
In this section, we delve into the myriad of possibilities that arise when leveraging advanced LED technology to illuminate various sectors of modern life. From enhancing energy efficiency in architectural marvels to revolutionizing the automotive industry’s lighting systems, the utilization of cutting-edge LED components promises unparalleled versatility and efficacy.
Enhancing Illumination Solutions: The utilization of innovative LED components opens avenues for creating illuminative solutions tailored to diverse environments. These components, renowned for their luminous efficacy and durability, serve as the backbone for crafting lighting systems that elevate ambiance and functionality across residential, commercial, and industrial settings. From vibrant displays to nuanced mood lighting, the adaptability of these components fosters creativity in illuminative design.
Empowering Sustainable Practices: Embracing high-performance LED technology aligns with the global shift towards sustainability. By incorporating energy-efficient LED components, organizations can significantly reduce their carbon footprint while simultaneously enhancing operational efficiency. Whether illuminating public spaces or powering intricate signage, the eco-friendly attributes of these components contribute to a greener, more sustainable future.
Driving Innovation in Automotive Lighting: The automotive industry undergoes a transformative evolution with the integration of advanced LED components. From sleek headlights that offer superior visibility to dynamic taillights that enhance safety, the adoption of high-performance LEDs redefines automotive lighting standards. Beyond functionality, these components enable automotive designers to imbue vehicles with distinctive aesthetics, captivating attention on the road.
Revolutionizing Horticultural Practices: High-quality LED components revolutionize the realm of horticulture by providing tailored lighting solutions for indoor cultivation. By precisely controlling light spectra and intensity, growers can optimize plant growth cycles, increase yields, and cultivate crops in non-traditional environments. The efficiency and flexibility of LED technology empower agricultural innovation, paving the way for sustainable food production amidst evolving climatic challenges.
Transforming Urban Landscapes: LED components serve as catalysts for transforming urban landscapes into vibrant, dynamic spaces. Through architectural lighting, cityscapes are imbued with artistic expression, fostering a sense of identity and community pride. Moreover, the integration of smart lighting systems enhances safety and efficiency, illuminating pathways and public spaces while minimizing energy consumption.
Conclusion: The applications of high-performance LED components, such as the innovative Nichia 757 series, extend far beyond conventional lighting solutions. From fostering sustainability to driving innovation across various industries, these components unlock a realm of possibilities, propelling us towards a brighter, more efficient future.
Exploring Versatile Implementations Across Industries

In this section, we delve into the myriad applications and adaptable solutions facilitated by innovative technologies. From illumination to cutting-edge electronics, the versatility of modern components enables a spectrum of implementations across diverse sectors.
The Intersection of Technology and Industry

Technological advancements continue to redefine the landscape of various industries, fostering new opportunities and enhancing existing processes. Whether in automotive manufacturing, medical devices, or consumer electronics, the integration of advanced components enables heightened efficiency, improved functionality, and unparalleled performance.
Adapting Solutions to Unique Challenges

Each industry presents its own set of challenges and requirements, necessitating tailored solutions for optimal outcomes. Through meticulous engineering and strategic utilization of components, professionals across sectors harness the versatility of technologies to address specific needs, driving innovation and pushing boundaries.
Maximizing Efficiency: Tips for Optimizing the Performance of Nichia’s 757 Series
In this section, we’ll explore strategies for enhancing the effectiveness and performance of the cutting-edge Nichia 757 series without relying solely on technical specifications. By delving into practical methods and insightful approaches, you can unlock the full potential of this advanced lighting technology.
1. Precision in Application
To harness the full capabilities of the 757 series, it’s imperative to carefully consider the application environment and tailor the utilization accordingly. Whether it’s architectural lighting, automotive applications, or signage, aligning the unique features of the Nichia LEDs with specific project requirements is crucial. By pinpointing the precise needs of each application, you can optimize efficiency and ensure optimal performance.
2. Strategic Thermal Management
Efficient thermal management plays a pivotal role in maximizing the longevity and luminous output of Nichia 757 LEDs. Implementing effective cooling solutions and thermal interfaces can mitigate heat buildup, safeguarding against degradation and maintaining consistent performance over time. By strategically managing thermal conditions, you can uphold efficiency and reliability, even under demanding operating conditions.
- Utilize heat sinks designed to dissipate heat efficiently.
- Ensure proper airflow and ventilation within the application environment.
- Consider active cooling solutions for high-power applications.
By integrating these strategies into your approach, you can elevate the efficiency and performance of Nichia’s 757 series, unlocking new possibilities across various lighting applications.