
Unlocking the potential of advanced gas sensing technology, the Mq4 gas detection module stands as a pioneering solution in ensuring a safer and more secure environment for industries and individuals alike. With its cutting-edge capabilities and precise measurements, this state-of-the-art device presents an invaluable tool for various industries, enabling them to monitor and detect potentially harmful gases.
Employing innovative mechanisms, the Mq4 gas detection module revolutionizes the way we approach gas detection. By leveraging advanced sensor technology, it provides real-time data on a wide range of gases, delivering unparalleled accuracy and reliability. This remarkable device serves as a game-changer in industrial safety, offering crucial information to prevent potential hazards and ensure swift response in critical situations.
Emphasizing adaptability and practicality, the Mq4 gas detection module boasts a comprehensive datasheet that encompasses an array of valuable information. From its technical specifications to detailed operating instructions, this datasheet assists users in understanding the device’s capabilities and maximizing its potential. By providing comprehensive documentation, the Mq4 gas detection module empowers users to harness the full benefits of this innovative technology, making it an indispensable asset in any gas detection system.
This groundbreaking gas detection module also introduces improved features and enhanced functionalities, enabling users to tailor its performance to their specific needs. Its versatility allows for seamless integration into existing systems, making it an ideal choice for numerous applications, including industrial environments, residential settings, and commercial establishments. With its unparalleled precision and adaptability, the Mq4 gas detection module sets the stage for a safer future, where the risks associated with gas exposure are mitigated, and preventative measures are readily available.
Overview of Mq4 Gas Sensor Datasheet

In this section, we will provide a comprehensive overview and analysis of the datasheet for the Mq4 gas sensor. This document aims to present a clear understanding of the capabilities, specifications, and operation principles of this highly sensitive and reliable gas detection device. By delving into the intricacies of the Mq4 gas sensor datasheet, readers will gain valuable insights into its performance and potential applications.
Understanding the Device

Before exploring the technical details, it is crucial to grasp the fundamental concept behind the Mq4 gas sensor. This advanced electronic component is designed to detect various gases present in the environment by measuring their concentrations. Utilizing cutting-edge technology and innovative engineering, the Mq4 gas sensor offers unparalleled precision and accuracy in identifying and quantifying target gases.
Key Features and Specifications

To fully comprehend the capabilities of the Mq4 gas sensor, we must examine its key features and specifications. The datasheet provides a comprehensive list of the device’s specifications, such as sensing range, response time, and power consumption. Additionally, it highlights the sensor’s adaptability to different gas types, making it a versatile solution for a wide range of applications.
One notable characteristic of the Mq4 gas sensor is its sensitivity to gas concentrations, allowing for accurate measurements even at very low levels. This makes it an ideal choice for enhancing safety and monitoring systems in various industries.
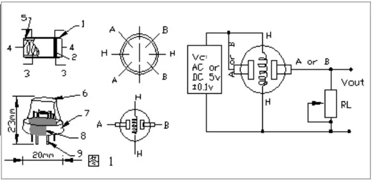
The datasheet also outlines the physical dimensions and wiring configuration of the Mq4 gas sensor, providing essential information for installation and integration into different systems. Furthermore, it details the device’s operating conditions, temperature range, and voltage requirements, ensuring optimal functioning and longevity.
Overall, the Mq4 gas sensor datasheet serves as a comprehensive guide for understanding the capabilities, specifications, and potential applications of this innovative gas detection device. By delving into the technical details and analyzing its features, readers can make informed decisions about integrating the Mq4 gas sensor into their projects and systems.
Understanding the Mq4 Gas Sensor

In this section, we will explore the intricate workings of the Mq4 gas sensor, delving into its underlying principles and highlighting its importance in ensuring safety and well-being. The utilization of such advanced technology allows for the seamless detection and monitoring of various gases, ensuring timely alerts and appropriate actions are taken when hazardous levels are detected.
As we delve deeper into the inner workings of the Mq4 gas sensor, it becomes evident that this innovative device operates on intricate chemical processes within its sensitive components. By utilizing state-of-the-art technology, this sensor is capable of identifying and quantifying the presence of potentially dangerous gases in the environment. Its highly responsive nature enables rapid detection, offering a vital tool in ensuring the safety of individuals and the surrounding environment.
Not only does the Mq4 gas sensor boast impressive sensitivity, but its adaptability showcases its potential for a wide range of applications. Whether used in industrial settings, commercial establishments, or even domestic environments, this versatile sensor proves to be an essential tool in identifying and preventing potential gas-related hazards. Its seamless integration with monitoring systems further enhances its functionality, allowing for real-time analysis and immediate response when gas levels exceed safety thresholds.
The Mq4 gas sensor’s reliability and accuracy are also worth noting. Owing to its meticulous calibration processes and precision engineering, this sensor can provide accurate readings, ensuring accurate gas detection. This feature allows for invaluable risk assessment and mitigation, enabling proactive measures to be undertaken before any potential harm occurs.
It is clear that understanding the inner workings and capabilities of the Mq4 gas sensor is of utmost importance. With its exceptional sensitivity, adaptability, reliability, and accuracy, this innovative device serves as a pivotal tool in maintaining safety, protecting lives, and minimizing the potential risks associated with various gases in our environment.
Key Specifications and Features

In this section, we will explore the essential specifications and features of the MQ4 gas sensor, providing a comprehensive overview of its capabilities and functions. It is important to understand these key aspects to effectively utilize this sensor in various applications.
Operating Range and Sensitivity

The MQ4 gas sensor offers a wide operating range, allowing it to detect gases in diverse environments. With its high sensitivity, it can quickly and accurately detect the presence of various gases, providing real-time information for monitoring and control purposes.
Response Time and Recovery Time

The response time of the MQ4 gas sensor refers to the time it takes for the sensor to detect the presence of a gas after being exposed to it. Similarly, the recovery time denotes how quickly the sensor returns to its original state after the gas is no longer present. These parameters are crucial in applications where immediate detection and response are crucial.
Reliability and Stability: The MQ4 gas sensor is known for its reliable and stable performance. It has been designed to withstand harsh conditions and maintain its accuracy over an extended period. This makes it suitable for long-term monitoring applications in various industries.
Low Power Consumption: The sensor is designed to operate efficiently with low power consumption, making it ideal for battery-powered applications. This feature enhances its versatility and extends its usability in portable and remote sensing devices.
Easy Integration: The MQ4 gas sensor is compatible with various microcontrollers and development boards, making it easy to integrate into existing systems. It simplifies the integration process, allowing for quick and hassle-free implementation.
Selectable Sensitivity: The sensor provides the flexibility to adjust its sensitivity levels to suit specific application requirements. This customization option allows for optimized gas detection performance in different scenarios.
Overall, the MQ4 gas sensor offers a range of key specifications and features that contribute to its reliability, accuracy, and versatility. It enables efficient gas detection and monitoring in a wide range of applications, making it a valuable component in various industries.
Interpreting the Datasheet Information

When exploring the documentation provided for the Mq4 gas sensor, it is essential to delve into the datasheet information to gain a proper understanding of its capabilities. By comprehending the details provided in the datasheet, users can effectively interpret and utilize the sensor’s features and specifications to their advantage.
Highlighting Performance Characteristics

Within the datasheet, various performance characteristics of the Mq4 gas sensor are presented, allowing users to identify its strengths and limitations. These characteristics encompass aspects such as sensitivity, response time, and operating temperature range. By carefully studying and interpreting this information, individuals can determine the sensor’s suitability for specific applications and environments.
Deciphering Electrical and Mechanical Specifications

Alongside performance characteristics, the datasheet also contains detailed electrical and mechanical specifications of the Mq4 gas sensor. These specifications cover parameters like voltage supply range, power consumption, physical dimensions, and pin connections. By thoroughly deciphering and understanding this information, users can successfully integrate the sensor into their projects, ensuring compatibility and optimal functioning.
In conclusion, interpreting the datasheet information provided for the Mq4 gas sensor is vital for leveraging its capabilities effectively. By analyzing the performance characteristics, electrical and mechanical specifications, users can make informed decisions regarding its implementation in various applications.