
When it comes to electronic devices, maintaining a stable power supply is of utmost importance. A voltage regulator, also known as a power regulator, is a crucial component that ensures a steady output voltage regardless of input fluctuations. In this article, we delve into the fascinating world of voltage regulators and explore the intricacies of the Mic29300 datasheet.
Diving into the Mic29300 datasheet, we uncover a wealth of information about this incredibly versatile voltage regulator. This datasheet serves as a roadmap for understanding the functionality and specifications of the Mic29300 and provides essential insights for engineers and enthusiasts alike.
With its robust design and impressive features, the Mic29300 is a force to be reckoned with in the world of voltage regulation. This regulator is designed to support a wide range of applications, from consumer electronics to industrial machinery, making it a go-to choice for engineers seeking a reliable power management solution.
We will explore the key features and performance characteristics of the Mic29300, such as input and output voltage ranges, load regulation, and thermal considerations. By understanding these specifications, readers will gain a deeper appreciation for how this voltage regulator can be integrated into various electronic systems.
Overview of the Mic29300 Datasheet
The following section provides a comprehensive overview of the essential information contained in the Mic29300 datasheet. This overview aims to give a general understanding of the components and specifications outlined within the datasheet.
Main Features

This section highlights the primary features and functionalities of the Mic29300. It provides a concise summary of the key characteristics without delving into specific technical details. By examining these main features, one can gain a clear understanding of the capabilities offered by the Mic29300.
Electrical Specifications
This subsection presents crucial electrical specifications that define the performance of the Mic29300. It includes parameters such as input voltage range, output current capability, dropout voltage, and output voltage accuracy. By examining these specifications, users can determine whether the Mic29300 meets their specific requirements.
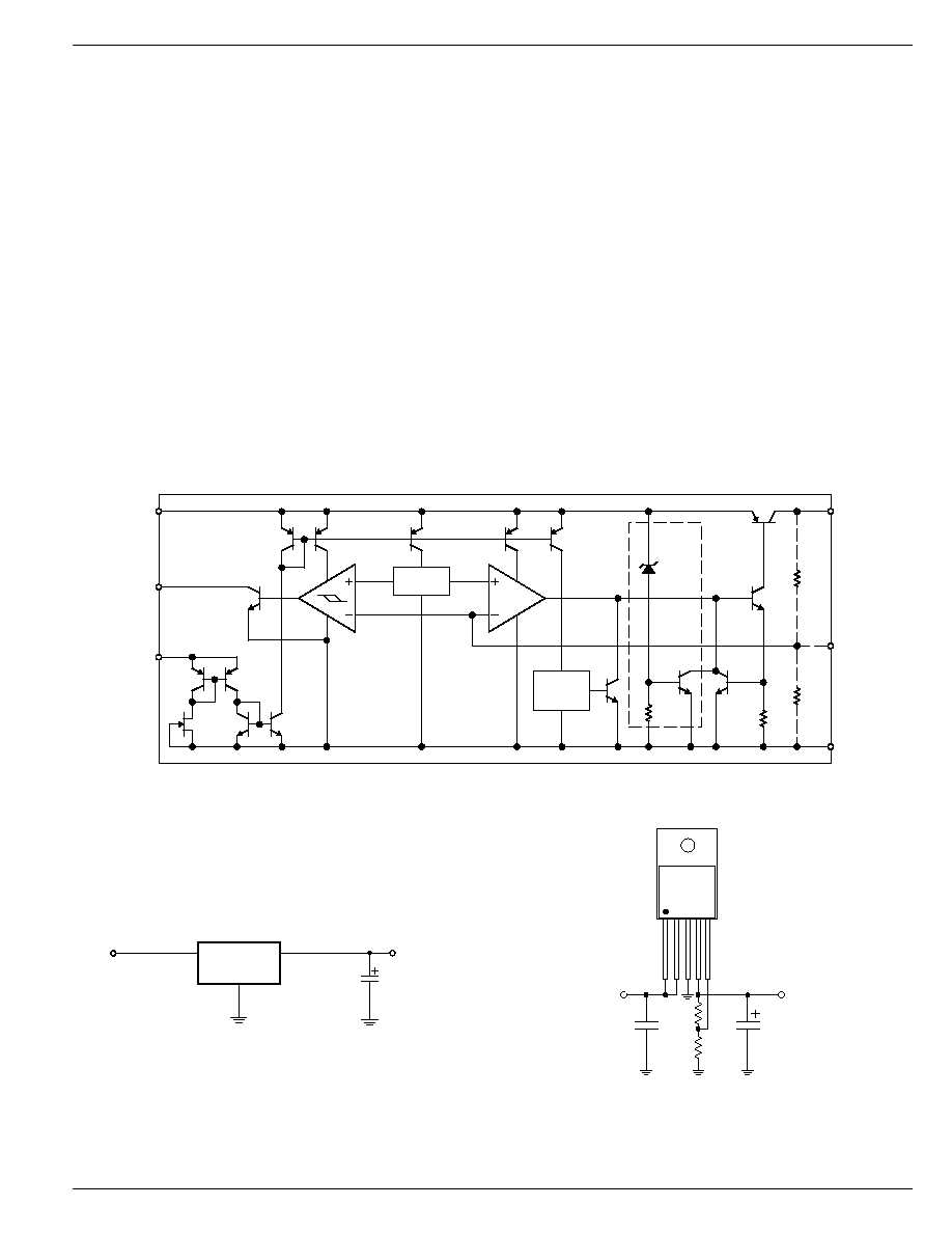
Functional Block Diagram

The functional block diagram visually illustrates the internal structure of the Mic29300, depicting key components and their interconnections. This diagram provides a high-level view of the architecture, aiding in understanding how different elements work together to achieve the desired functionality.
Pin Configuration
The pin configuration diagram showcases the physical layout of the Mic29300’s pins and their respective functions. It serves as a reference for proper connection and integration of the device within a system, ensuring maximum performance and reliability.
Recommended Operating Conditions
This table outlines the recommended operating conditions for the Mic29300, including parameters such as temperature, input/output voltage, and load current. Adhering to these conditions is crucial for ensuring the device’s optimal performance and long-term reliability.
Application Information
This section provides insight into the various applications where the Mic29300 can be employed. It offers guidance on how to best utilize the device in specific scenarios, providing practical examples and application-specific recommendations.
Protection Features
The protection features table highlights the built-in safeguards incorporated into the Mic29300, offering protection against potential faults or abnormal operating conditions. Understanding these features is essential for designing robust systems and ensuring the longevity of the device.
Package Information
This section details the different package options available for the Mic29300 and their physical dimensions. It provides information on package types and pin configurations, facilitating proper selection and integration into a specific application or system.
Ordering Information
The ordering information section presents details on how to order the Mic29300, including part numbers, packaging options, and quantity specifications. This information assists in procuring the correct components for the intended application or project.
Additional Resources
This final section provides references to additional resources, such as application notes, technical articles, and support documentation. These resources offer further in-depth information and guidance for users seeking a comprehensive understanding of the Mic29300 and its applications.
By browsing through this overview, users can gain a solid understanding of the Mic29300 without delving into the intricacies of the datasheet. It serves as a helpful starting point for exploring the various aspects of the Mic29300’s capabilities and applications.
Key features and specifications of the Mic29300

The Mic29300, a high-performance voltage regulator, offers a wide range of impressive features and specifications that make it a versatile and reliable component for various applications. This section provides an overview of the notable characteristics and technical details of this advanced device.
Efficient voltage regulation
One of the key features of the Mic29300 is its efficient voltage regulation capability. With its state-of-the-art design and advanced circuitry, this voltage regulator ensures precise and stable voltage output, enabling smooth operation of electronic devices. Whether it is maintaining a constant voltage level or handling varying loads, the Mic29300 delivers consistent and reliable performance.
Wide input voltage range
Another noteworthy aspect of the Mic29300 is its ability to handle a wide range of input voltages. This makes it compatible with diverse power sources, providing flexibility in design and application. From battery-powered devices to industrial systems, the Mic29300 can accommodate various input voltages, making it an ideal choice for a broad range of applications.
| Key Specifications | |
|---|---|
| Input Voltage Range | 2.5V to 26V |
| Output Voltage Range | 1.25V to 22V |
| Output Current | up to 3A |
| Dropout Voltage | typically 1.3V @ 3A |
| Quiescent Current | typically 1.1mA |
In addition to these standout features, the Mic29300 also offers excellent thermal regulation, short-circuit protection, and over-temperature shutdown functionality, ensuring safe and reliable operation even in demanding environments. Its compact form factor and easy-to-use design make it an ideal choice for various applications, ranging from consumer electronics to automotive systems, where reliable voltage regulation is essential.
Application examples and design considerations for the Mic29300
In this section, we will explore various application examples and design considerations for the Mic29300 voltage regulator. By examining different scenarios and providing practical insights, we aim to assist engineers and designers in effectively implementing the Mic29300 in their projects.
Voltage regulation for automotive systems
One potential application of the Mic29300 is in automotive systems, where the need for stable and reliable power supply is crucial. The voltage regulator can be used to maintain a constant voltage level for various components, such as sensors, actuators, and control modules, ensuring optimal performance and protection against voltage fluctuations.
Power management for industrial equipment
Another area where the Mic29300 can be applied is in industrial equipment, where consistent power delivery is essential for smooth operation. By providing a regulated output voltage, the Mic29300 helps maintain the stability and efficiency of critical components, such as motors, sensors, and control circuits, improving the overall reliability and performance of the equipment.
When designing with the Mic29300, it is important to consider factors such as input and output capacitance, load transient response, and thermal considerations. By carefully selecting appropriate capacitors and determining the required output capacitance, designers can optimize the regulator’s performance and ensure proper functionality even in dynamic load conditions.
Thermal management is also crucial, as excessive heat can degrade the regulator’s performance and reliability. Designers should consider factors such as power dissipation, operating temperature range, and thermal resistance to implement adequate heat sinking or ventilation solutions, ensuring stable operation and prolonged lifespan of the Mic29300.
Overall, the Mic29300 offers a versatile solution for voltage regulation in various applications, ranging from automotive systems to industrial equipment. By understanding the specific design considerations and exploring practical application examples, engineers can effectively integrate the Mic29300 into their projects, achieving reliable and efficient power management.