
In the realm of electronic engineering, there exists a diverse array of microcontrollers, each with its own intricacies and functionalities. Embedded within the heart of many technological systems, these compact components orchestrate a symphony of operations, powering everything from consumer gadgets to industrial machinery. Within this expansive landscape, one particular microcontroller, renowned for its versatility and robustness, emerges as a cornerstone of innovation.
Unraveling the inner workings of this electronic marvel unveils a tapestry of precision and efficiency. Embedded within its compact confines lies a labyrinth of circuits and pathways, meticulously designed to execute a myriad of tasks with unparalleled accuracy. Through a delicate interplay of logic gates and semiconductor components, this microcontroller embodies the epitome of technological prowess, offering a glimpse into the future of embedded systems.
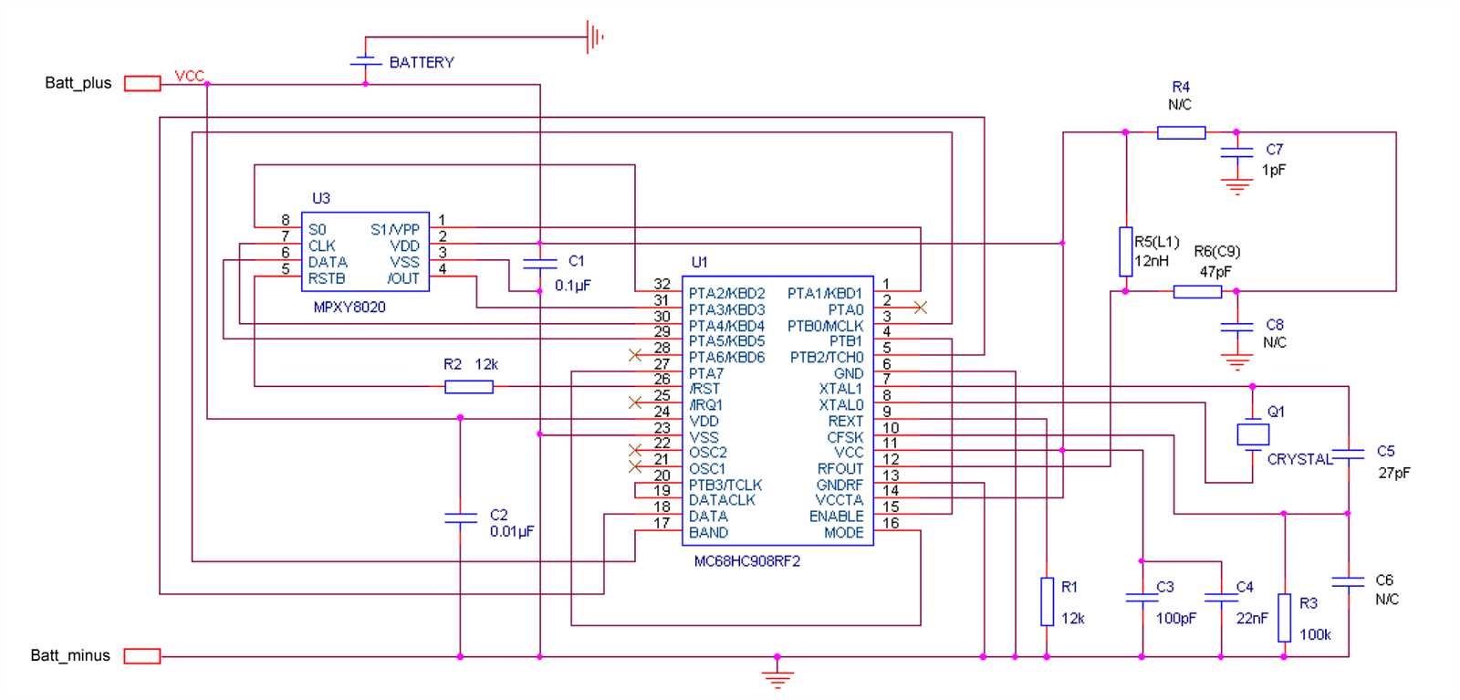
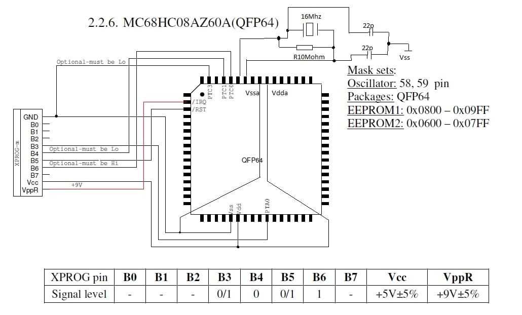
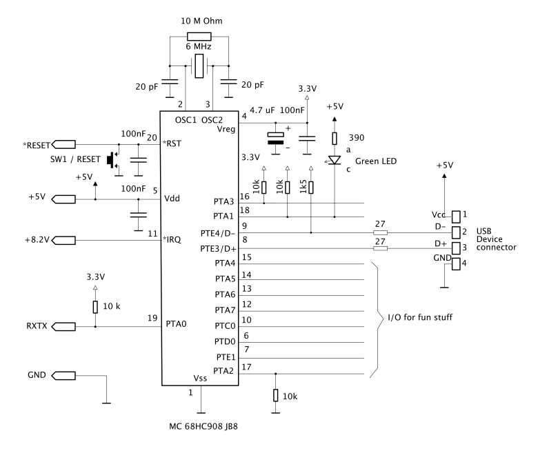
Within the confines of its 32-pin configuration lies a world of possibilities, where each pin serves as a gateway to functionality. From analog inputs to digital outputs, these ports form the lifeline through which data flows, facilitating seamless communication between the microcontroller and its surrounding peripherals. With each pin imbued with a specific purpose, the datasheet of this microcontroller serves as a roadmap, guiding engineers through the intricacies of its operation.
Understanding the Basics of Mc68hc908 Documentation

In the realm of microcontrollers, delving into the intricacies of technical documents is akin to deciphering blueprints for electronic mastery. Within the expansive domain of embedded systems, a crucial cornerstone lies in comprehending the fundamental tenets of the documentation that guides engineers and enthusiasts alike.
Deciphering Technical Insight
Embarking on a journey to grasp the essence of microcontroller documentation entails navigating through a labyrinth of specifications, functionalities, and operational intricacies. Amidst this labyrinth, lies a treasure trove of insights crucial for harnessing the full potential of these electronic marvels.
Embedded within these documents are not just mere instructions, but a roadmap unveiling the architecture, capabilities, and operational nuances (such as pin configurations, functional descriptions, and operational modes) of the coveted Mc68hc908 microcontroller series.
Exploring Pin Configurations and Functions

In this section, we delve into the intricacies of the interface connections and operational features inherent in the electronic framework under examination. Our exploration revolves around the network of connectors and their respective functionalities, shedding light on the intricate architecture of this electronic system.
Functional Significance of Interface Nodes

Within the intricate web of interconnections lie pivotal nodes that govern the functionality of the system. These nodes serve as conduits for data transmission, power supply, and communication protocols, each playing a crucial role in the holistic operation of the electronic assembly.
Mapping Connectivity Patterns

Through a meticulous examination of connectivity patterns, we unravel the underlying structure of the interface grid. By discerning the relationships between various pins and their corresponding functions, we gain insight into the synergistic interplay essential for seamless operation.
Unlocking the Potential: Mc68hc908 Programming Guide
In this section, we delve into unleashing the capabilities of the powerful microcontroller, exploring its vast programming potential. Discovering the intricacies of harnessing its functionality goes beyond mere technicalities; it’s about tapping into its latent power and optimizing its performance to meet diverse application needs.
Exploration of the programming landscape unveils the pathways to unlocking the full scope of this dynamic microcontroller. Through strategic coding techniques and innovative approaches, we navigate through the complexities, enabling seamless integration and efficient utilization of its resources.
Unlocking the potential of this versatile device involves a nuanced understanding of its architecture and functionalities. By delving into programming intricacies and methodologies, we empower developers to maximize the efficiency and versatility of their applications, transcending conventional boundaries.
Through this comprehensive guide, developers are equipped with the knowledge and tools necessary to propel their projects to new heights. From foundational concepts to advanced programming strategies, every aspect is meticulously addressed to facilitate a deeper understanding and unleash the true potential of the Mc68hc908 microcontroller.
Step-by-Step Guide to Optimize Coding Efficiency

In this section, we delve into systematic methods to enhance your coding proficiency, fostering streamlined development practices and maximizing output. Efficient coding entails strategic utilization of resources, meticulous planning, and adherence to established best practices.
1. Algorithmic Precision
Begin by structuring your algorithms with meticulous precision, focusing on clarity, efficiency, and scalability. Employing well-defined algorithms ensures optimized code execution and facilitates seamless integration within complex systems. Emphasize algorithmic simplicity without compromising functionality, enabling easier debugging and maintenance.
2. Modularization Strategies
Implement modularization techniques to enhance code reusability and maintainability. Breaking down functionalities into cohesive modules promotes code organization and fosters collaboration among developers. Utilize encapsulation to conceal implementation details, fostering code abstraction and facilitating future modifications.
Optimizing Performance of a 32-Pin Microcontroller: Insights and Strategies
In this section, we delve into enhancing the operational efficiency of a specific microcontroller, exploring various techniques and methods to elevate its overall performance. Our focus lies on maximizing the capabilities of a 32-pin microcontroller, uncovering tips and tricks to streamline execution and augment functionality.
1. Streamlining Execution Pathways
One fundamental aspect of optimizing microcontroller performance involves refining the execution pathways, ensuring swift and efficient processing of instructions. By strategically organizing code segments and minimizing redundant operations, developers can significantly enhance the responsiveness and speed of the microcontroller’s operation.
2. Leveraging Peripheral Integration

Another avenue for performance optimization revolves around harnessing the integrated peripherals of the microcontroller. By judiciously utilizing peripheral modules such as timers, UART, and ADC, developers can offload tasks from the core processor, thereby reducing computational burden and enhancing overall efficiency.