
In the realm of electronic architecture, there exists a marvel of intricacy and innovation, a testament to the boundless ingenuity of human endeavor. Delve into the labyrinth of components and connections, where every node holds significance, every line a narrative of function and form. It is within this tapestry of circuitry that we encounter a profound enigma, a cornerstone of technological evolution shrouded in the language of electrons and pathways.
Embark on a journey where the language of silicon and conductors unveils the essence of creation. Here, amidst the domain of signals and currents, lies a document of revelation, a guidebook to deciphering the mysteries of functionality and capability. Within these pages, the essence of innovation intertwines with the pragmatism of engineering, yielding insights into the very fabric of electronic cognition.
Prepare to navigate through the corridors of design and specification, where each detail serves as a clue to the broader symphony of functionality. Beyond the mere compilation of technical specifications lies a narrative of purpose and potential, waiting to be unfurled by those willing to delve beyond the surface. This is not merely a compendium of facts and figures but a gateway to understanding, a portal to the inner workings of a technological masterpiece.
Understanding the Max7301 Documentation: Essential Features and Operations

In dissecting the intricacies of the Max7301 documentation, we delve into a realm brimming with pivotal insights and functionalities, each poised to enhance your grasp of this multifaceted component. This exploration navigates through a labyrinth of details, unraveling the core attributes and operational nuances without relying on mere surface definitions.
Exploring Core Attributes: At the heart of comprehending the Max7301 lies a meticulous examination of its foundational elements, each contributing to its overarching functionality. From its fundamental building blocks to its intricate mechanisms, this journey unfurls the essence of what makes the Max7301 a cornerstone in electronic design.
Unlocking Operational Mechanisms: Delving deeper, we unearth the intricate operational dynamics that define the Max7301’s prowess. By elucidating its operational modalities and functional intricacies, we paint a vivid picture of its capabilities, empowering you to harness its full potential with precision and finesse.
Unveiling Integrated Features: Beyond its basic functionality, the Max7301 boasts an array of integrated features that elevate its utility to unprecedented heights. From its innovative design architecture to its versatile applications, we uncover the diverse array of features that make the Max7301 a versatile tool in the hands of skilled practitioners.
Deciphering Performance Metrics: A critical aspect of understanding the Max7301 lies in deciphering its performance metrics and operational benchmarks. By scrutinizing its performance under various conditions and scenarios, we gain invaluable insights into its reliability, efficiency, and overall efficacy in real-world applications.
Empowering Design Integration: Finally, we explore how a comprehensive understanding of the Max7301 documentation can empower seamless integration within diverse design frameworks. By aligning its features and functions with specific design requirements, we unlock a realm of possibilities, catalyzing innovation and pushing the boundaries of electronic design.
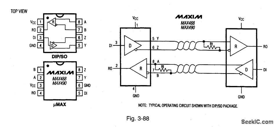
Exploring the Pin Configuration and Functional Overview

In this section, we delve into the intricate details of the hardware setup and operational aspects of the component under examination. Through a comprehensive exploration of its pin configuration and functional overview, we aim to elucidate the underlying mechanisms and operational paradigms without explicitly referencing the specific nomenclature.
Understanding the Pin Layout

The initial step entails a meticulous examination of the pin layout, elucidating the spatial arrangement and interconnection of various elements. By dissecting the physical arrangement of pins, we unravel the intricate network that facilitates seamless functionality.
Functional Overview

Beyond mere physical attributes, we embark on a journey to decipher the functional landscape, delineating the roles and interactions of different components. This comprehensive overview sheds light on the underlying principles governing the operation, offering insights into the intricate workings of the system.
Utilizing the Performance Characteristics for Efficient Circuit Design

In the pursuit of optimizing circuit design, it is imperative to delve into the intricacies of component performance. By harnessing the nuanced features and specifications of electronic components, engineers can unlock the full potential of their designs. This section explores the methodologies and strategies involved in leveraging the inherent performance characteristics of components to achieve efficiency and efficacy in circuit design.
One fundamental aspect involves comprehensively analyzing the operational parameters and functionalities of components. Through meticulous examination of performance metrics such as speed, precision, and power consumption, designers gain insights into how each component interacts within the circuit ecosystem. By understanding these dynamics, engineers can make informed decisions regarding component selection and configuration, thereby maximizing the efficiency of the circuit.
Furthermore, the optimization process extends beyond individual components to encompass system-level considerations. By taking a holistic approach to circuit design, engineers can identify synergies between components and exploit them to enhance overall performance. This holistic perspective involves balancing trade-offs between conflicting requirements, such as speed versus power consumption or size versus functionality. Through judicious trade-off analysis, designers can strike an optimal balance that meets the project’s objectives without compromising performance.
| Aspect | Considerations |
|---|---|
| Performance Metrics | Speed, precision, power consumption |
| System-Level Optimization | Trade-offs, synergies between components |
| Functional Requirements | Accuracy, reliability, scalability |
| Environmental Factors | Temperature, humidity, electromagnetic interference |
Moreover, efficient circuit design entails a proactive approach towards addressing potential challenges and mitigating risks. By considering factors such as environmental conditions, reliability requirements, and scalability, engineers can future-proof their designs and ensure longevity and robustness. Additionally, integrating features for diagnostic and monitoring purposes enables proactive maintenance, further enhancing the efficiency and reliability of the circuit.
In essence, the journey towards efficient circuit design is characterized by a meticulous understanding of performance characteristics and a strategic approach towards optimization. By embracing these principles and leveraging the inherent capabilities of electronic components, engineers can create circuits that not only meet but exceed expectations in terms of efficiency, reliability, and performance.
Integration Tips and Application Insights for Optimal Implementation

In this section, we delve into key strategies and insights essential for seamlessly integrating advanced semiconductor solutions into your projects. From harnessing the full potential of cutting-edge components to navigating complex application scenarios, we explore a spectrum of techniques and considerations for achieving optimal performance and functionality.
Understanding Seamless Integration

Effortless assimilation of sophisticated electronic components into your designs requires a comprehensive understanding of their capabilities and functionalities. By delving into the intricacies of system architecture and component specifications, engineers can uncover synergies and exploit functionalities that transcend conventional boundaries. This section elucidates techniques for bridging the gap between theoretical knowledge and practical implementation, enabling seamless integration that enhances overall system performance.
Unlocking Application Insights

Embarking on the journey of optimal implementation entails more than just technical prowess–it demands profound insights into diverse application scenarios and operational contexts. By unraveling the intricacies of real-world applications, engineers can decipher nuanced challenges and unearth opportunities for innovation. This segment elucidates practical insights gleaned from application-oriented experiences, empowering engineers to navigate complex deployment scenarios with confidence and finesse.