
In the realm of electronic components, there exists a crucial document, a roadmap, if you will, that guides engineers and enthusiasts alike through the intricate terrain of innovative technology. This document unveils the inner workings of a tiny yet powerful device, offering insights into its capabilities and potential applications. Within these pages lie the keys to unlocking the mysteries of a groundbreaking electronic marvel.
Unlocking the Potential
Embedded within this document are detailed descriptions, diagrams, and specifications that paint a vivid picture of this technological wonder. It serves as a beacon for those seeking to harness its power, providing a comprehensive overview of its features and functionalities. Each line of text is a thread in the intricate tapestry of knowledge, weaving together a narrative of endless possibilities.
Unraveling Complexity
As readers delve deeper, they are greeted with explanations that peel back the layers of complexity surrounding this enigmatic component. From its fundamental principles to its nuanced intricacies, every aspect is dissected with precision and clarity. Through this exploration, one gains not only an understanding but also an appreciation for the ingenuity behind its design.
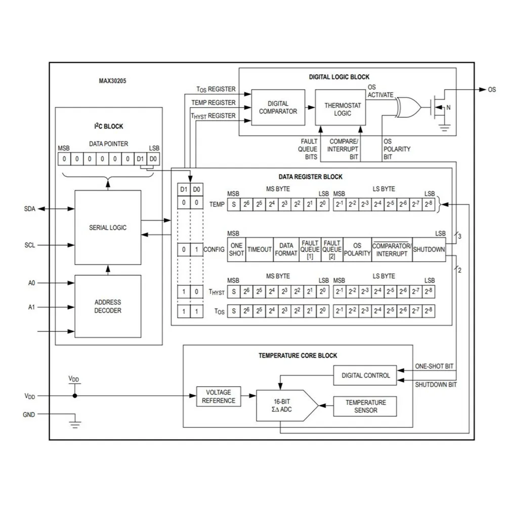
Understanding the Documentation of Max30205

In the realm of electronic components, delving into the intricacies of technical documentation is paramount for engineers and enthusiasts alike. Within this context, comprehending the intricacies of the documentation associated with the device under scrutiny proves indispensable. This section aims to elucidate the nuances embedded within the technical dossier of the Max30205, unraveling its operational principles and functionalities.
Deciphering Specifications: The initial foray into understanding the Max30205 documentation involves deciphering its specifications. These specifications serve as the bedrock upon which the device’s capabilities are delineated. Through meticulous analysis, one can glean insights into the device’s operational parameters, ranging from temperature range to power supply requirements.
Interpreting Functional Diagrams: Embedded within the documentation are functional diagrams that serve as visual representations of the device’s internal architecture. These diagrams provide a holistic view of the Max30205’s functional blocks, facilitating a deeper understanding of its operational flow and signal pathways.
Analyzing Timing Diagrams: Timing diagrams constitute a pivotal aspect of the Max30205 documentation, offering a chronological depiction of signal transitions and timing constraints. By scrutinizing these diagrams, one can ascertain the temporal dynamics inherent within the device’s operation, thus optimizing its integration within broader electronic systems.
Exploring Application Notes: Supplementing the core technical specifications are application notes, which elucidate practical insights into leveraging the Max30205 within diverse contexts. These notes expound upon application-specific considerations, offering valuable guidance for engineers endeavoring to harness the device’s capabilities effectively.
Unveiling Register Maps: Central to the Max30205 documentation is the elucidation of register maps, which delineate the configuration and control registers integral to the device’s operation. By delving into these maps, one can discern the register addresses, bit definitions, and operational modes crucial for interfacing with the Max30205.
In essence, navigating the documentation of the Max30205 entails a multifaceted exploration encompassing specifications, diagrams, application notes, and register maps. Through diligent scrutiny and interpretation, one can unravel the intricacies of this device, paving the way for informed decision-making and seamless integration within electronic endeavors.
Exploring Temperature Sensing Capabilities of a Cutting-Edge Sensor

In this section, we delve into the intricate details and capabilities of a state-of-the-art temperature sensing device, uncovering its extensive array of specifications and features.
1. Precision Temperature Measurement
At the heart of this innovative sensor lies the ability to precisely gauge temperature variations with exceptional accuracy. Through advanced sensing mechanisms, it discerns subtle temperature changes, enabling applications that demand utmost precision in temperature monitoring.
2. Robust Performance in Varied Environments

One of the standout attributes of this temperature sensor is its resilience across diverse environmental conditions. From controlled laboratory settings to harsh industrial environments, it maintains consistent performance, ensuring reliable temperature measurements under varying circumstances.
- Adaptability to fluctuating temperatures
- Resistance to electromagnetic interference
- Tolerance to mechanical vibrations
By withstanding external influences, it emerges as a dependable solution for applications requiring steadfast temperature monitoring capabilities.
Interpreting the Functionality of Max30205
In this section, we delve into comprehending the operational intricacies and functional attributes of the device. It entails a nuanced examination of its operational principles, performance metrics, and utilization scenarios.
Functional Framework Overview

The functional framework of the device encapsulates a spectrum of operations and features aimed at facilitating precise and reliable temperature sensing. This section elucidates the underlying mechanisms governing its functionality, providing insights into its core principles and operational modalities.
Interpretive Guidelines

- Deciphering the functional description necessitates a keen understanding of the device’s architecture and its interplay with external components.
- Interpretation involves discerning the implications of various functional parameters on system performance and application-specific requirements.
- Exploring real-world scenarios aids in elucidating the practical relevance of the functional description, guiding effective integration and utilization strategies.
By comprehensively interpreting the functional description, stakeholders can glean invaluable insights into maximizing the efficacy and utility of the device within diverse applications and environments.
Utilizing Application Insights and Recommendations for Enhanced Integration
In this section, we delve into the wealth of application insights and expert recommendations available for seamless integration and optimized performance. By harnessing these invaluable resources, developers can navigate through intricate design challenges and capitalize on the full potential of the device in question.
Understanding Application Notes

Application notes serve as comprehensive guides, offering detailed explanations, practical examples, and troubleshooting tips tailored to specific contexts. They provide invaluable insights into best practices, potential pitfalls, and innovative techniques for maximizing functionality and efficiency.
Implementing Recommendations for Optimal Performance

By adhering to recommended guidelines and best practices, developers can circumvent common pitfalls and ensure smooth integration of the device within their applications. These recommendations encompass a spectrum of considerations, from hardware configurations to software optimizations, empowering developers to unleash the full capabilities of the technology at hand.
| Key Areas of Focus | Benefits |
|---|---|
| Temperature Calibration | Ensures accurate temperature readings under varying conditions. |
| Noise Reduction Techniques | Minimizes interference and enhances signal clarity for precise data acquisition. |
| Power Management Strategies | Optimizes energy consumption for prolonged battery life and enhanced sustainability. |
| Interface Optimization | Facilitates seamless communication between the device and external components for streamlined operation. |
By integrating these recommendations into their design processes, developers can unlock the full potential of the device, ensuring optimal performance and reliability across diverse applications.