
Discovering the intricacies of cutting-edge electronic components delves into a realm where innovation intertwines with precision engineering. Within this domain lies a document that serves as a guiding light for engineers and enthusiasts alike, offering insights into the inner workings of a seminal integrated circuit. As technophiles navigate the labyrinth of electronic specifications, one particular document emerges as a beacon of knowledge, illuminating the pathways to circuit mastery.
Embark on a journey beyond mere technical jargon, where the language of electrons converges with the artistry of design. Within these pages, enthusiasts decipher the blueprints of innovation, unlocking the secrets encoded within the silicon confines of a revolutionary microchip. This compendium of insights transcends the boundaries of conventional understanding, paving the way for unprecedented exploration into the realm of electronic design.
Unravel the enigmatic tapestry woven by the architects of technology, as you traverse the corridors of this meticulously crafted document. Embrace the challenge of deciphering the cryptic symbols that herald a new era in electronic exploration. Within these pages lie the keys to unlocking the full potential of integrated circuits, empowering enthusiasts to embark on a voyage of discovery into the heart of technological innovation.
The LM565 Datasheet: Deciphering its Specifications

In this section, we delve into the intricacies of comprehending the blueprint of the LM565 component, shedding light on its intricate specifications. Understanding these intricacies is paramount for harnessing the full potential of this electronic device.
Functional Overview: Before delving into the granular details, it’s imperative to grasp the overarching functionality encapsulated within the LM565. This entails deciphering its operational principles and the roles it plays within electronic circuits.
Electrical Characteristics: Within this domain lie the quantitative aspects of the LM565’s performance. We explore its electrical parameters, including but not limited to voltage range, current consumption, and frequency response. Mastery of these figures empowers engineers to optimize circuit designs for efficiency and reliability.
Performance Metrics: Beyond raw electrical data, the LM565’s performance metrics provide insights into its behavior under varying conditions. This encompasses factors such as stability, sensitivity, and noise rejection, pivotal for ensuring robust functionality across diverse applications.
Applications: Unveiling the versatility of the LM565, this section elucidates its myriad applications across different domains. From telecommunications to frequency synthesis, understanding these applications fosters creativity and innovation in engineering endeavors.
Integration Guidance: Concluding our exploration, we offer guidance on integrating the LM565 within broader circuitry. This involves considerations of compatibility, interfacing with other components, and best practices for optimal performance.
Mastering the specifications of the LM565 is not merely a technical exercise; it’s a journey towards unlocking its full potential and harnessing its capabilities to propel electronic innovation forward.
Key Features and Electrical Characteristics

In this section, we delve into the fundamental aspects and distinctive attributes of the LM565 integrated circuit, exploring its essential functionalities and electrical properties. By examining its core features and electrical characteristics, we aim to provide a comprehensive understanding of the device’s capabilities and performance metrics.
Core Features

The LM565 boasts a range of core features that underpin its functionality and versatility. It incorporates advanced circuitry designed to facilitate precise signal processing and modulation, enabling seamless integration into various electronic applications. From frequency detection to phase-locked loop synthesis, the LM565 offers a diverse array of capabilities tailored to meet the demands of modern circuit design.
Electrical Characteristics

At the heart of the LM565 lie its electrical characteristics, which define its behavior and performance within electronic systems. With carefully specified parameters such as voltage range, frequency response, and signal-to-noise ratio, the LM565 exhibits robustness and reliability across a wide range of operating conditions. These electrical characteristics ensure consistent and stable operation, making the LM565 an indispensable component in the realm of analog signal processing and communication systems.
Utilizing LM565: Practical Circuit Design Tips

Unlocking the Potential: In this section, we delve into practical strategies for harnessing the capabilities of a certain integrated circuit without solely relying on its technical specifications. Here, we explore insightful approaches to maximize the performance and efficiency of this electronic component in various applications.
Optimizing Circuit Configurations: Effective circuit design extends beyond mere adherence to datasheet guidelines. It involves strategic arrangement of components and thoughtful consideration of operational parameters. By employing innovative configurations and circuit topologies, engineers can enhance the functionality and reliability of their designs.
Enhancing Stability and Performance: Stability is paramount in circuit design, especially in systems where precision and accuracy are critical. This section offers guidance on mitigating noise, minimizing drift, and ensuring robustness against environmental factors. By implementing proper filtering techniques and compensation mechanisms, designers can achieve superior performance and longevity.
Addressing Common Challenges: Every design process encounters obstacles, and familiarity with common pitfalls is indispensable. Through practical examples and troubleshooting strategies, this segment equips designers with the knowledge to navigate challenges such as signal distortion, frequency drift, and interference. By preemptively addressing these issues, engineers can streamline development cycles and optimize overall system performance.
Leveraging Application-Specific Insights: The versatility of integrated circuits enables their deployment across diverse applications, each with its unique requirements and constraints. By tailoring design approaches to specific application scenarios, engineers can unlock hidden potential and uncover novel solutions. This segment provides actionable insights and case studies to illustrate the adaptability and versatility of circuit design methodologies.
Applications and Circuit Configurations

In this section, we explore various practical implementations and circuit arrangements utilizing the LM565 integrated circuit, delving into its versatile applications across different domains. By examining distinct configurations and scenarios, we elucidate the wide spectrum of possibilities this component offers, showcasing its adaptability and efficacy in diverse electrical and electronic systems.
Frequency Detection and Tracking

One prominent application of the LM565 involves frequency detection and tracking, where it serves as a pivotal component in discerning and maintaining specific frequencies within a signal. Whether employed in communication systems, radar technologies, or audio equipment, the LM565 facilitates precise frequency monitoring, ensuring signal accuracy and integrity.
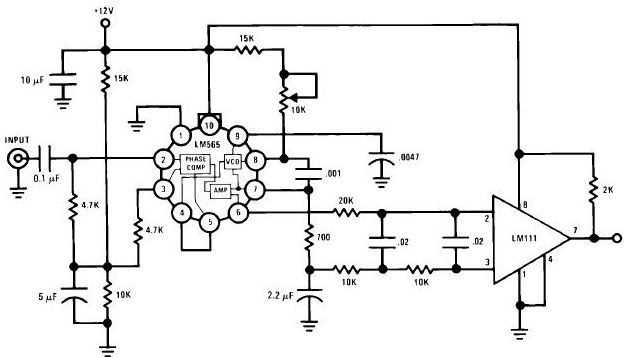
Phase-Locked Loops (PLLs)

Another area where the LM565 excels is in the realm of phase-locked loops (PLLs). By harnessing the inherent characteristics of the LM565, engineers construct PLL circuits capable of synchronizing signals, generating stable clock outputs, and recovering timing information. Such applications find utility in telecommunications, digital data synchronization, and frequency synthesis, among others, highlighting the LM565’s indispensable role in modern electronic systems.
Troubleshooting and Common Problems with LM565 Documentation

In this section, we delve into the intricacies of understanding and resolving issues encountered while working with the LM565 documentation. We explore various challenges that may arise during the utilization of this resource, aiming to provide clarity and solutions to common stumbling blocks.
When consulting the LM565 documentation, users may encounter obstacles that hinder their progress. These hurdles can range from ambiguities in specifications to difficulties in interpreting application notes. Understanding and addressing these challenges is paramount to harnessing the full potential of the LM565 resources.
- Interpreting Specifications: Deciphering the technical specifications of the LM565 device can be daunting for users unfamiliar with its terminology. Ambiguities in parameter definitions or units may lead to confusion during circuit design or troubleshooting.
- Application Notes Ambiguities: While application notes serve as valuable guides for integrating the LM565 into circuits, they may sometimes lack clarity or fail to address specific use cases. Resolving discrepancies between application notes and practical implementations is crucial for successful project development.
- Component Compatibility: Integrating the LM565 into a circuit requires careful consideration of component compatibility. Mismatched components or improper connections can result in erratic behavior or failure to meet performance specifications.
- Environmental Factors: External factors such as temperature variations, electromagnetic interference, or power supply fluctuations can impact the performance of the LM565 device. Identifying and mitigating these influences are essential for ensuring reliable operation in diverse operating conditions.
- Testing and Validation: Adequate testing and validation procedures are essential for verifying the functionality and performance of circuits utilizing the LM565. Lack of comprehensive testing may result in undetected issues or suboptimal performance.
By addressing these common challenges encountered while navigating the LM565 documentation, users can enhance their understanding and proficiency in utilizing this valuable resource effectively.