
In the realm of electronic engineering, delving into the intricacies of component specifications often resembles navigating through a labyrinthine repository of technological blueprints. These documents, akin to treasure maps, hold the key to unlocking the full potential of electronic components, guiding engineers through the maze of technical intricacies towards the realization of innovative designs and functional circuits.
Within this expansive landscape of technical literature, one finds a particular genre of documentation that serves as the cornerstone of every electronic project: the comprehensive guide to integrated circuit functionality and application. These guides, while often daunting to the uninitiated, harbor a wealth of invaluable information, providing engineers with the insights necessary to harness the capabilities of cutting-edge semiconductor technology.
Today, we embark on a journey to explore one such document, a veritable compendium of knowledge encapsulating the essence of a remarkable integrated circuit. Through careful examination and analysis, we endeavor to uncover the nuances of its design, decode its operational intricacies, and unearth the myriad possibilities it presents for innovation and advancement in the realm of electronic design.
The Fundamentals of LM3916 Documentation

In this section, we delve into the foundational aspects of comprehending the informational blueprint accompanying the LM3916 component. Understanding the essence of this documentation facilitates a robust grasp of its operational intricacies and application possibilities.
Introduction to Datasheets: Delving into the realm of electronic components necessitates adept navigation of datasheets, which serve as comprehensive guides outlining the functionality, specifications, and operational parameters of various devices. The LM3916 datasheet, akin to a roadmap, furnishes invaluable insights essential for harnessing the full potential of this integrated circuit.
Structural Overview: Within the confines of the LM3916 datasheet, a meticulous portrayal of the component’s internal architecture unfolds, elucidating the interplay of its constituent elements and their roles in orchestrating its functionality. This section dissects the hierarchical arrangement of features and pin configurations, providing a lucid blueprint for integration within diverse circuit designs.
Functional Synopsis: At the core of the LM3916 datasheet lies a comprehensive exposition of the component’s operational principles and functional modalities. By deciphering this segment, one embarks on a journey unveiling the myriad applications and performance nuances encapsulated within the ambit of this versatile device.
Performance Metrics: Equipped with an array of performance metrics, the LM3916 datasheet furnishes quantitative insights into the component’s dynamic range, accuracy, and efficiency. This section serves as a compass for engineers, aiding in the judicious selection and optimization of circuit parameters to align with specific application requirements.
Application Guidelines: The LM3916 datasheet transcends mere documentation, offering pragmatic guidelines and application notes tailored to diverse scenarios. By assimilating these insights, engineers embark on a transformative journey, seamlessly integrating the LM3916 into a myriad of projects spanning from audio level indicators to automotive instrumentation.
Conclusion: Mastery of the LM3916 datasheet constitutes a pivotal milestone in the journey towards harnessing its full potential. By embracing the fundamentals elucidated herein, engineers embark on a voyage marked by innovation, efficiency, and precision, propelling their projects towards unprecedented realms of success.
Understanding Key Specifications

In the realm of electronic component documentation, comprehending vital specifications is paramount for effective utilization. This section delves into deciphering essential attributes, offering insights into the performance and functionality of the component under scrutiny.
- Operating Range: Exploring the permissible operational boundaries aids in determining the environments conducive to optimal performance.
- Accuracy: Assessing the precision of measurements ensures reliability in data acquisition and processing.
- Dynamic Range: Understanding the span between the smallest and largest values accommodated facilitates discernment of applicability across diverse scenarios.
- Resolution: Evaluating the granularity of output assists in gauging the level of detail achievable in data representation.
- Response Time: Grasping the speed of system reaction enables anticipation of latency and real-time responsiveness.
- Power Consumption: Examining energy requirements aids in designing efficient power management strategies.
- Interface Compatibility: Assessing compatibility with interfacing protocols elucidates integration possibilities within existing systems.
By dissecting these fundamental specifications, users can navigate the intricacies of component utilization, optimizing functionality and performance while aligning with project requirements.
Application Insights for LM3916 Documentation

Understanding the operational nuances of the LM3916 component goes beyond conventional assessments. This segment delves into practical implementations and guidelines for maximizing its potential within diverse applications. Through nuanced exploration, we unravel insights into leveraging the LM3916 effectively, ensuring optimal performance and functionality.
Exploring Circuit Configurations: Discover various configurations tailored to specific applications, each designed to harness the inherent capabilities of the LM3916. From simple configurations to intricate setups, this section elucidates the versatility of the component, offering tailored solutions for a myriad of scenarios.
Optimizing Performance: Uncover strategies for enhancing the efficiency and accuracy of LM3916-driven systems. Through practical tips and best practices, learn how to fine-tune parameters and mitigate potential pitfalls, ensuring seamless operation across varied environments.
Integration Guidelines: Seamlessly integrate the LM3916 into your design with comprehensive integration guidelines. Explore compatibility considerations, interfacing techniques, and signal conditioning methods to streamline the integration process and achieve optimal results.
Advanced Applications: Unlock the full potential of the LM3916 through advanced applications and creative implementations. From audio level indicators to precision measurement systems, delve into innovative uses that push the boundaries of conventional design paradigms.
Design Considerations and Circuit Examples

In this section, we delve into various factors crucial for successful integration of the LM3916 into your circuitry, exploring design considerations that optimize performance and functionality. Additionally, we provide illustrative circuit examples to aid in understanding the practical application of these considerations.
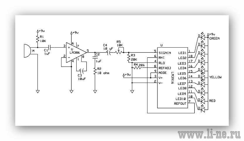
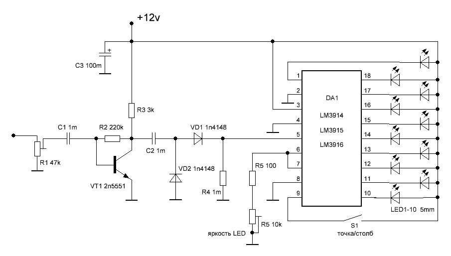
Input Signal Conditioning

Before feeding the signal into the LM3916-based circuit, it’s essential to ensure proper conditioning to achieve accurate and reliable performance. This encompasses techniques such as signal amplification, filtering, and level shifting to tailor the input signal to the LM3916’s requirements.
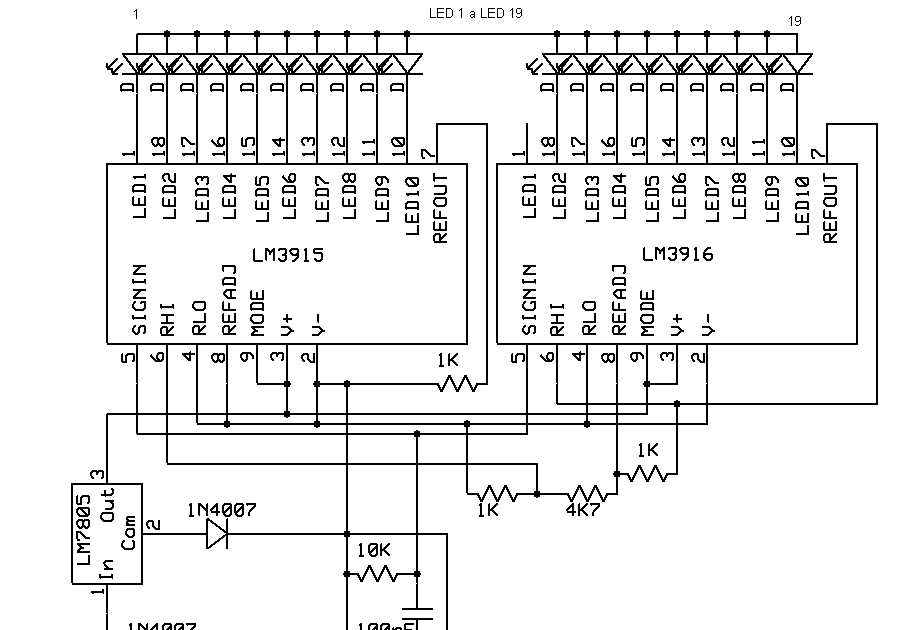
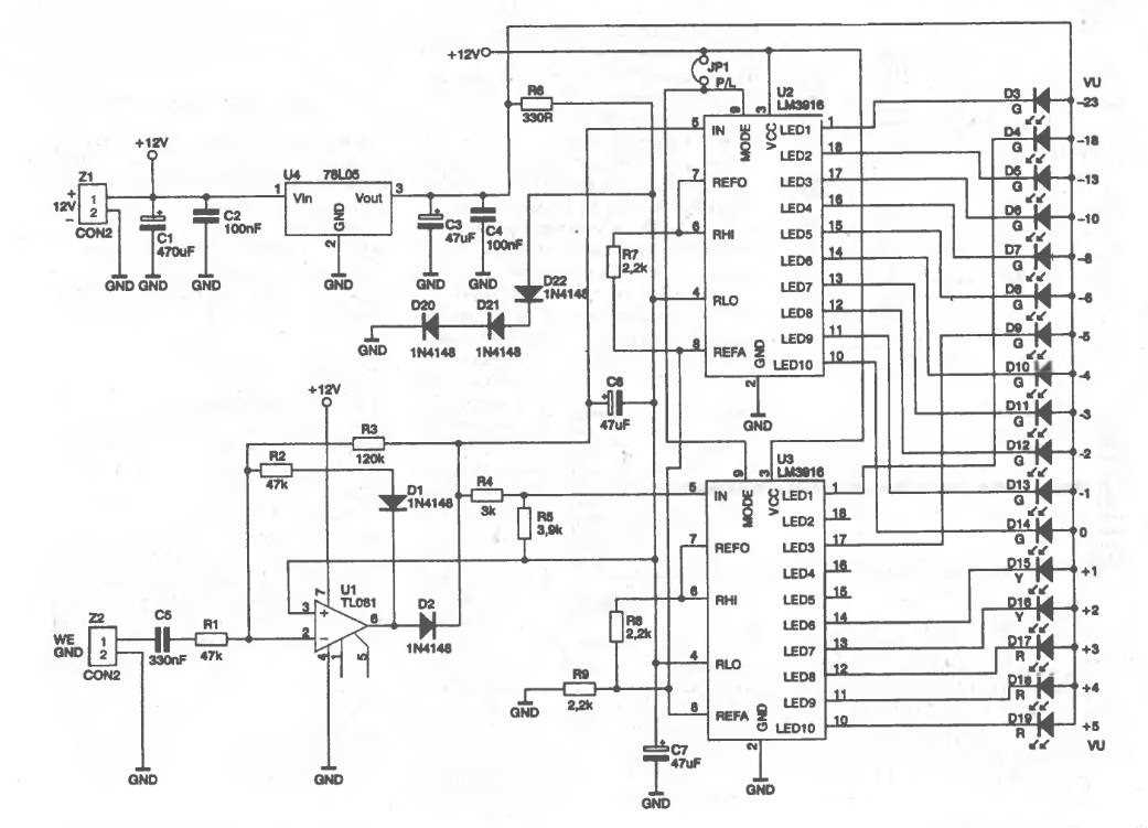
LED Display Configuration

The configuration of the LED display significantly impacts the visual representation of the input signal. We discuss various approaches to configuring LED arrays, including segment arrangement, brightness matching, and power management strategies to optimize visibility, uniformity, and power efficiency.
| Example | Description |
|---|---|
| Single-Channel Voltage Monitor | Illustrates a basic LM3916 circuit for monitoring a single voltage channel, showcasing input conditioning and LED display setup. |
| Audio Level Meter | Provides a schematic for constructing an audio level meter utilizing the LM3916, demonstrating signal conditioning tailored for audio inputs and LED display optimization for level indication. |
Advanced Features Unveiled

In this segment, we delve into the intricacies and nuances that set the LM3916 apart, exploring its advanced functionalities and capabilities beyond the conventional scope. Unveiling a spectrum of features, this section sheds light on the sophisticated facets of this component, illuminating its potential applications and versatility.
- Enhanced Precision: Discover how the LM3916 refines accuracy to a fine degree, enabling precise control and measurement in diverse scenarios.
- Dynamic Range Expansion: Explore how the LM3916 extends its reach beyond conventional boundaries, amplifying its dynamic range to accommodate various input signals.
- Customization Options: Delve into the myriad customization options offered by the LM3916, empowering users to tailor its behavior to suit specific requirements and preferences.
- Advanced Signal Processing: Uncover the advanced signal processing capabilities embedded within the LM3916, facilitating sophisticated manipulation and analysis of input signals.
- Integrated Protection Mechanisms: Learn about the integrated safeguards engineered into the LM3916, ensuring reliability and longevity even in demanding operating conditions.
This section serves as a comprehensive guide to the advanced features of the LM3916, providing valuable insights into its inner workings and highlighting the myriad possibilities it unlocks for engineers and enthusiasts alike.