
Unlocking the potential of contemporary electronic components, this article delves into the intricate realms of state-of-the-art semiconductor devices, guiding enthusiasts and professionals alike through the labyrinth of modern technological marvels. Delving beyond mere specifications and mundane descriptions, it embarks on a journey to unearth the essence of innovation and progress in the realm of electronic engineering.
Embark on a voyage of discovery, where circuits are not just circuits but gateways to boundless creativity and functionality. Within these digital landscapes lie the blueprints of our interconnected world, where every microchip tells a story of ingenuity and advancement.
Embrace the narrative of silicon symphonies and transistor tales, where each component plays a crucial role in the grand orchestration of technological evolution. Through meticulous examination and insightful interpretation, this exploration transcends the confines of technical jargon to paint a vivid portrait of innovation in action.
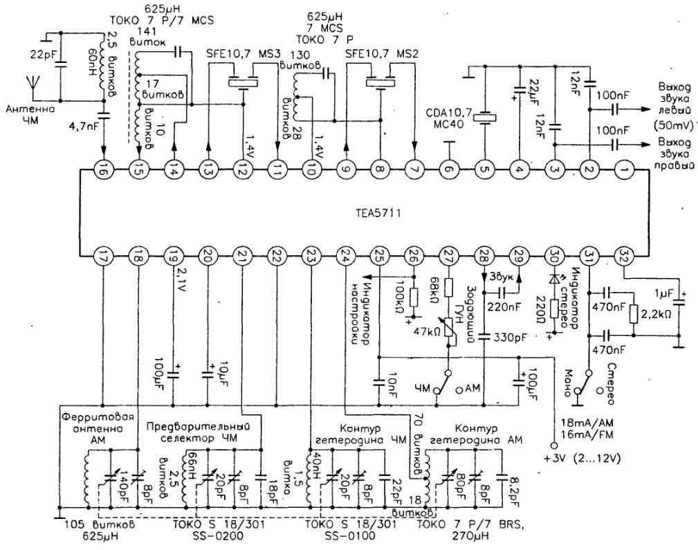
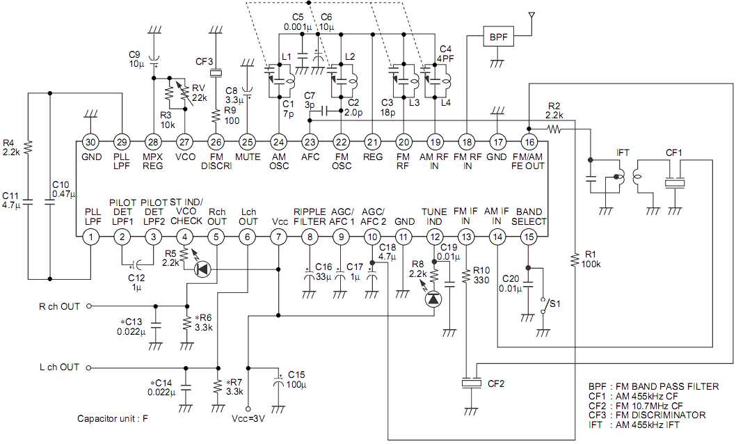
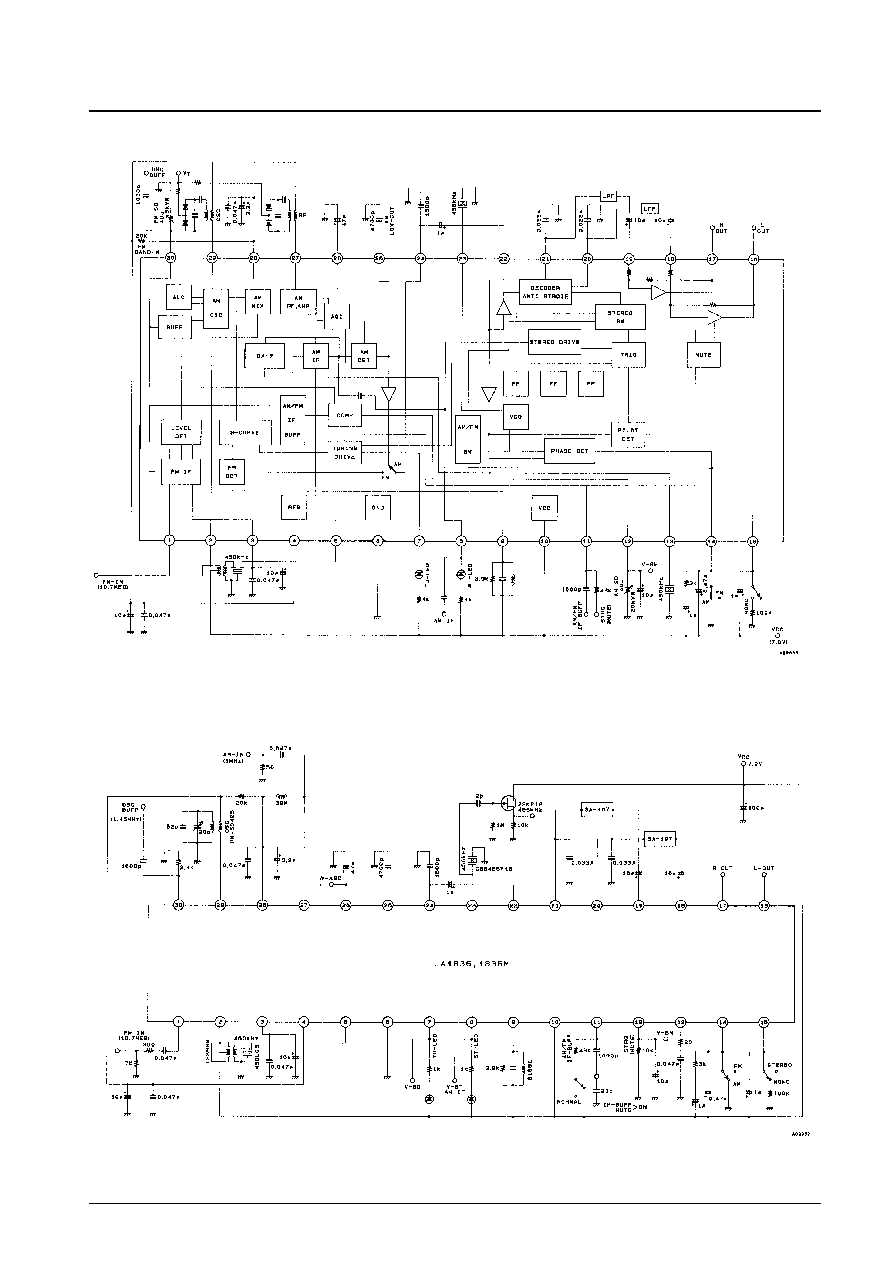
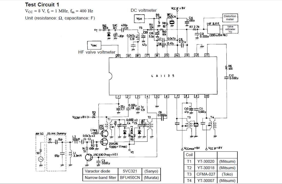
The Significance of Familiarizing Yourself with La1836 Documentation

Understanding the intricacies of electronic components and their specifications is paramount in today’s technological landscape. Whether you’re a seasoned engineer or a novice enthusiast, delving into the documentation surrounding devices like the La1836 holds immense value.
Enhanced Technical Comprehension

Exploring the documentation enables a deeper comprehension of the inner workings and capabilities of the La1836 module. By deciphering the technical jargon and specifications presented, one can unlock insights into its functionality, performance parameters, and potential applications.
Optimized Implementation and Troubleshooting

Thorough familiarity with the documentation streamlines the integration process of the La1836 into your projects. It equips you with the knowledge needed to configure the module optimally and troubleshoot any encountered issues efficiently. Rather than resorting to trial and error, a solid grasp of the documentation empowers informed decision-making throughout the development lifecycle.
| Benefits of Documentation Familiarization | Examples |
|---|---|
| Improved Design Efficiency | Optimal circuit design based on precise specifications. |
| Facilitated Debugging | Rapid identification and resolution of operational discrepancies. |
| Expanded Application Possibilities | Exploration of diverse use cases leveraging nuanced understanding. |
Key Specifications and Features

Exploring the essential attributes and distinguishing characteristics of this component unveils a realm of performance indicators and functionalities critical for its operation. Delving into its core properties and operational traits elucidates its prowess and applicability within various contexts.
Performance Metrics

Enumerating the performance benchmarks and operational metrics offers insights into its efficiency, reliability, and efficacy. From signal processing capabilities to power consumption, each metric underscores its ability to meet diverse application requirements.
Distinctive Features

Highlighting the distinctive features and unique functionalities illuminates the versatility and adaptability inherent in this component. From innovative design elements to specialized modes of operation, each feature contributes to its multifaceted utility across different domains.
Application Insights and Circuit Design Pointers

In this section, we delve into practical strategies and insightful recommendations for optimizing circuit performance and leveraging application-specific nuances. By exploring various design considerations and operational insights, you can enhance the functionality and efficiency of your electronic systems.
Understanding Circuit Dynamics

Before delving into specific design tips, it’s crucial to grasp the underlying dynamics of electronic circuits. From signal propagation to component interactions, every aspect contributes to overall performance. By comprehending these dynamics, designers can make informed decisions and tailor their circuits to meet desired specifications.
Efficient Signal Processing Techniques

Effective signal processing lies at the heart of circuit design, encompassing methods to manipulate and interpret signals accurately. Whether it’s filtering unwanted noise or amplifying weak signals, employing efficient processing techniques is essential for achieving desired outcomes. This section explores proven strategies to optimize signal processing within diverse application scenarios, fostering enhanced functionality and reliability.
Common Pitfalls and Troubleshooting Advice

In the realm of electronic components, navigating potential stumbling blocks and resolving technical issues is an indispensable skill for engineers and enthusiasts alike. This section aims to shed light on common challenges encountered in the utilization of semiconductor resources, offering insightful strategies for effective troubleshooting and problem resolution.
| Issue | Symptoms | Probable Causes | Recommended Actions |
|---|---|---|---|
| Intermittent Connectivity | Unreliable signal transmission, sporadic functionality | Loose connections, faulty wiring, or signal interference | Inspect and secure all connections, replace damaged wiring, isolate and mitigate sources of interference |
| Overheating | Elevated temperature readings, potential component damage | Inadequate ventilation, excessive power consumption, or insufficient heat dissipation mechanisms | Improve airflow, optimize power usage, incorporate heat sinks or cooling systems |
| Unexpected Behavior | Deviation from expected performance, erratic operation | Software bugs, incompatible configurations, or hardware defects | Update firmware/software, verify compatibility, conduct thorough hardware diagnostics |
| Power Supply Issues | Fluctuating voltage, power surges, or insufficient power delivery | Faulty power source, inadequate capacity, or improper wiring | Test power source, upgrade capacity if necessary, verify proper wiring and connections |
By preemptively addressing these potential pitfalls and diligently applying troubleshooting techniques, engineers can enhance the reliability and performance of their electronic systems, ensuring seamless operation and optimized functionality.