
Have you ever marveled at the wonders of the technological advancements that have transformed our everyday lives? One such marvel is the Iv-9, an ingenious creation that brings together the realms of information and display. With its sleek design and cutting-edge capabilities, this revolutionary device has redefined the way we interact with technology.
Embedded within the Iv-9 lies a wealth of information, awaiting to be unveiled. This compact marvel is not just a mere datasheet, but a gateway to a world of endless possibilities. By harnessing the power of innovative technology, the Iv-9 pours forth a symphony of knowledge that illuminates our understanding of the digital landscape.
As you embark on this journey into the realm of the Iv-9, prepare to be captivated by its intriguing features. The Iv-9 transcends traditional displays, captivating your senses and unfolding a tapestry of information that comes alive before your eyes. With each glimpse, you will witness a fusion of captivating visuals and insightful data, intricately entwined to create an immersive experience like no other.
The Features of the IV-9 Datasheet

In this section, we will explore the various characteristics and functionalities of the IV-9 datasheet. We will delve into the unique aspects and noteworthy features of this document, providing insights into its uses and importance.
Comprehensive Information

A wealth of valuable data is contained within the IV-9 datasheet. It serves as a comprehensive resource for users, offering detailed information on the various specifications, capabilities, and performance indicators of the product. The datasheet ensures that individuals have access to all the necessary details and technical data required for a thorough understanding and effective utilization of the IV-9.
Functional Diagrams and Schematics

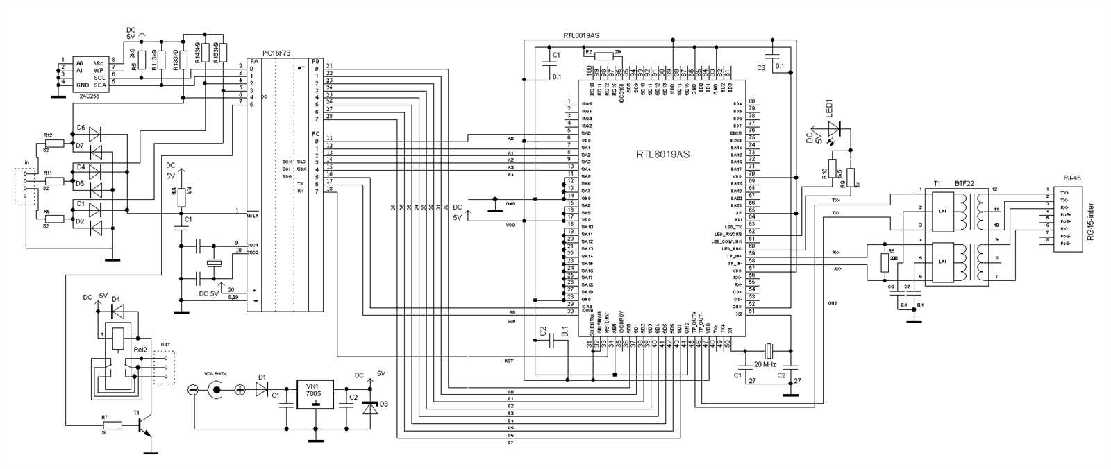
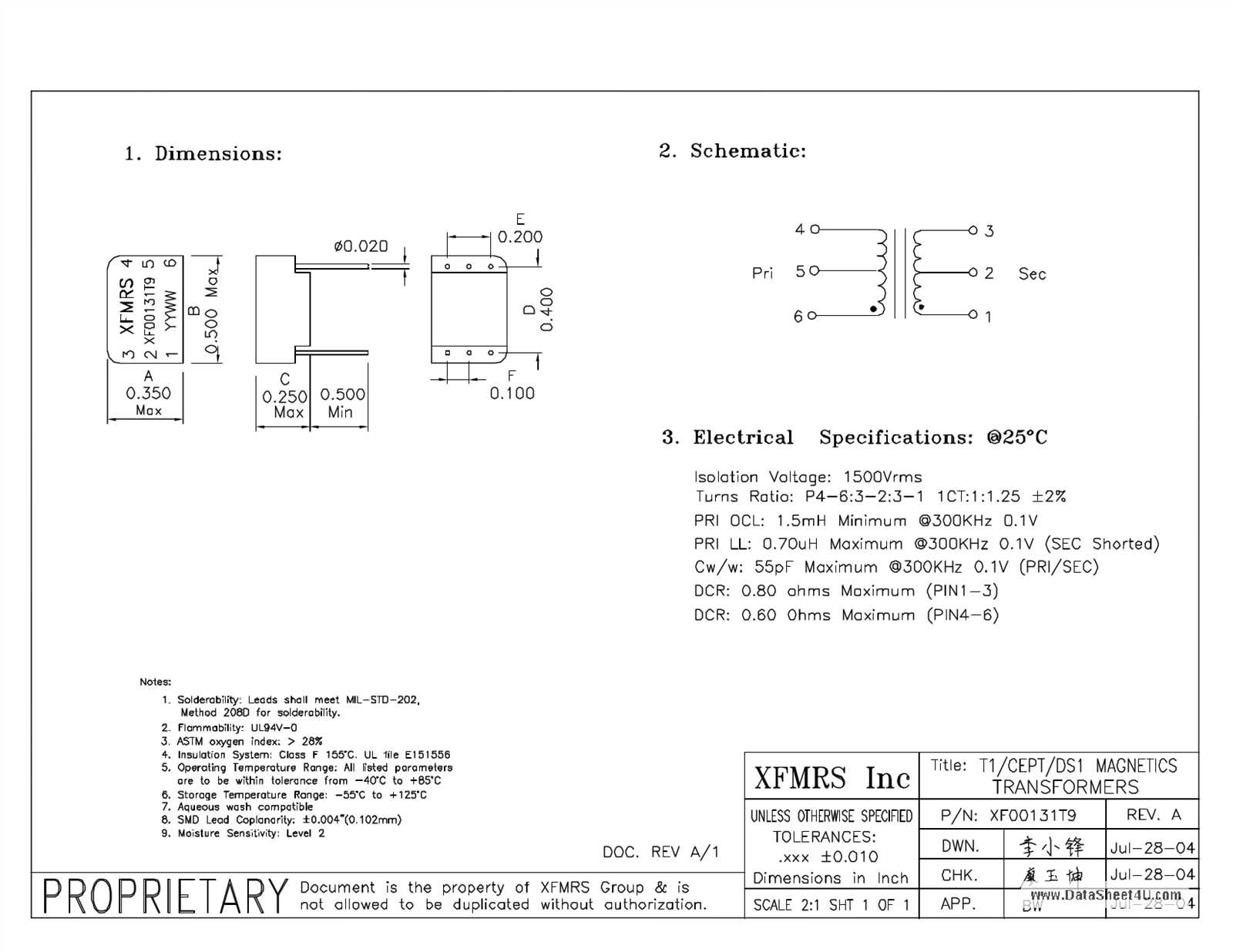
One of the standout features of the IV-9 datasheet is the inclusion of functional diagrams and schematics. These visual representations provide a clear and concise depiction of the internal structure and operational mechanisms of the IV-9. They aid in understanding the connections, interfaces, and overall design of the device, making it easier for engineers and designers to integrate the IV-9 into their projects.
| Features | Benefits |
|---|---|
| Electrical Specifications | Enables precise understanding of the IV-9’s electrical requirements and performance |
| Pin Configuration | Facilitates proper connection and integration of the IV-9 into electronic systems |
| Operating Characteristics | Provides crucial details regarding voltage ranges, temperature ranges, and other environmental factors that affect the IV-9’s operation |
| Application Information | Offers guidance and insights on how to effectively utilize the IV-9 in various applications |
The IV-9 datasheet also encompasses electrical specifications, pin configuration details, operating characteristics, and application information. These sections play a pivotal role in assisting product developers and designers in making informed decisions and maximizing the potential of the IV-9 in their specific applications.
By harnessing the power of the IV-9 datasheet, individuals can unlock the full potential of this remarkable device and leverage its capabilities in various projects and applications.
Understanding the IV-9 Datasheet: A Comprehensive Guide

In this section, we will delve into the intricacies of the documentation provided for the IV-9 display module, shedding light on its functionalities and specifications. By gaining a thorough understanding of the information presented within the datasheet, one can make informed decisions and effectively utilize the IV-9 display for their specific purposes.
Exploring the Datasheet Sections:
- 1. Introduction: Unveiling the IV-9 Display
- 2. Pin Configuration: Deciphering the Connection Points
- 3. Electrical Characteristics: Unraveling the Power Requirements
- 4. Absolute Maximum Ratings: Understanding Operating Limitations
- 5. Functional Description: An In-Depth Look into the Display’s Capabilities
- 6. Timing Diagrams: Visualizing Signal Timing and Waveforms
- 7. Mechanical Dimensions: Determining the Display’s Physical Specifications
- 8. Recommended Operating Conditions: Optimizing Performance Factors
- 9. Application Information: Exploring Possible Use Cases
- 10. Package Outline: Identifying the Display’s Package Structure
- 11. Ordering Information: Decoding the Product Codes and Packaging Options
Key Takeaways:
- Understanding the overview of the IV-9 display module
- Analyzing the pin configuration and connection points
- Examining the electrical characteristics and power requirements
- Knowing the operating limitations through absolute maximum ratings
- Comprehending the functional description and capabilities of the display
- Visualizing signal timing and waveforms through timing diagrams
- Considering the mechanical dimensions and physical specifications
- Optimizing performance factors through recommended operating conditions
- Exploring possible use cases and application information
- Identifying the display’s package outline and ordering information
By carefully perusing and grasping the content covered in the IV-9 datasheet sections, one can harness the full potential of this display module and effectively incorporate it into their projects.
Key Specifications and Performance Characteristics of the IV-9 Datasheet

In this section, we will explore the essential specifications and performance characteristics of the IV-9 datasheet, shedding light on its key features and capabilities. This comprehensive analysis aims to provide a deeper understanding of the datasheet’s technical aspects and potential applications.
Specifications Overview

When examining the IV-9 datasheet, it is crucial to consider its main specifications, which outline the device’s fundamental characteristics. These specifications encompass various aspects such as voltage range, operating temperature, display dimensions, and power supply requirements. Each specification plays a vital role in assessing the overall performance and suitability of the IV-9 datasheet for specific applications.
One significant specification to consider is the voltage range, which defines the acceptable input voltage levels for proper device operation. Understanding this range is essential to ensure compatibility with the desired power source and avoid any potential damage or malfunction. Furthermore, the datasheet provides valuable information about the recommended operating temperature range, which highlights the environmental conditions under which the device can deliver optimal performance and reliability.
Performance Characteristics

Aside from specifications, the IV-9 datasheet also presents various performance characteristics that define the device’s capabilities in practical applications. These performance characteristics delve into details such as luminous intensity, response time, viewing angle, and overall display quality, which influence the usability and effectiveness of the IV-9 display in different contexts.
The luminous intensity specification reveals the brightness level of the display, indicating the device’s visibility under different lighting conditions. This characteristic is crucial for applications that require clear and easily visible display elements. Furthermore, the response time specification measures the speed at which the display can change and update information, contributing to the overall user experience and responsiveness of the IV-9 datasheet.
The viewing angle specification determines the range at which the display can be viewed without significant degradation in readability and visibility. This characteristic is particularly relevant for applications where multiple users need to access the information simultaneously or when the display is viewed from different angles. Lastly, the overall display quality, which encompasses factors such as contrast ratio, color accuracy, and image stability, ensures the IV-9 datasheet’s ability to render clear and accurate information reliably.
By thoroughly understanding the key specifications and performance characteristics provided in the IV-9 datasheet, users can make informed decisions and leverage the full potential of this versatile display module. The following sections will delve deeper into each key feature, offering valuable insights and practical guidance for successful integration and optimization.