
Delve into the intricacies of a foundational electronic component, where a wealth of technical insights awaits.
Embark on a journey through the labyrinth of electronic engineering, where the power of innovation converges with meticulous design. Within this realm lies a crucial element, its essence embodied in a myriad of intricate details and specifications.
Discover the blueprint of modern circuitry, where performance is defined not merely by function, but by the mastery of its components.
Explore the labyrinthine corridors of technical documentation, where each specification is a thread woven into the fabric of possibility.
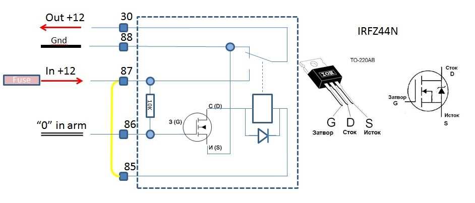
Understanding the Irfz44 Datasheet: Key Specifications and Features

In delving into the intricacies of the Irfz44 component documentation, we uncover vital insights crucial for comprehending its functionality and application. Exploring the detailed breakdown of specifications and features illuminates the operational scope and potential of this electronic element.
Performance Metrics

Within the datasheet confines, performance metrics unveil the operational efficiency and limits of the component. Through scrutinizing parameters like power dissipation, drain-source voltage, and current ratings, a comprehensive understanding of its capabilities emerges.
Functional Characteristics

Beyond numerical specifications, the datasheet elucidates the functional intricacies and unique attributes defining the Irfz44. Descriptions of its switching speed, gate charge, and thermal resistance shed light on its operational behavior and suitability for diverse applications.
| Specification | Description |
|---|---|
| Power Dissipation | The maximum amount of power the component can dissipate without exceeding specified temperature limits. |
| Drain-Source Voltage | The maximum voltage that can be applied between the drain and source terminals while maintaining proper operation. |
| Current Ratings | Specifies the maximum continuous and pulsed currents that the component can handle. |
| Switching Speed | Indicates how quickly the component can change states, crucial for applications requiring rapid switching. |
| Gate Charge | The amount of electric charge required to switch the component between on and off states. |
| Thermal Resistance | Specifies how effectively the component can dissipate heat under specified conditions. |
Unveiling the Technical Specifications of the High-Power Transistor

In this section, we delve into the intricate technical details of a robust electronic component, shedding light on its operational parameters and performance metrics. This exploration unveils the inner workings and capabilities of a high-power semiconductor device, providing insight into its functionality and potential applications.
| Parameter | Description |
|---|---|
| Maximum Drain-Source Voltage (VDS) | The highest voltage that can be applied between the drain and source terminals without causing permanent damage to the transistor. |
| Continuous Drain Current (ID) | The maximum current that the transistor can handle continuously while remaining in the active region. |
| Maximum Power Dissipation (PD) | The maximum amount of power that the transistor can dissipate without exceeding its specified junction temperature. |
| Gate-Source Threshold Voltage (VGS(th)) | The minimum voltage required to turn the transistor on and allow significant drain current to flow. |
| Gate-Source Voltage (VGS) | The voltage applied between the gate and source terminals to control the conductivity of the transistor. |
| Input Capacitance (Ciss) | The total capacitance between the gate and source terminals, including the inherent capacitance of the transistor and any external capacitance. |
| Output Capacitance (Coss) | The capacitance between the drain and source terminals of the transistor, primarily affecting the switching speed and dynamic behavior. |
| Reverse Transfer Capacitance (Crss) | The capacitance associated with the reverse transfer of charge between the drain and gate terminals, influencing the switching characteristics. |
These specifications play a crucial role in determining the suitability of the transistor for various electronic circuits and applications. Understanding these parameters empowers engineers and designers to make informed decisions regarding component selection and circuit design, ensuring optimal performance and reliability.
Exploring the Performance Characteristics of a Popular MOSFET Component in Real-world Applications

In this section, we delve into the practical implications and operational behavior of a widely used MOSFET component, renowned for its versatile application in various electronic circuits. Through a comprehensive analysis of its performance characteristics, we aim to elucidate its efficacy and limitations in real-world scenarios, shedding light on its potential role in enhancing circuit efficiency and functionality.
We begin by examining the dynamic interplay between voltage, current, and temperature, elucidating how these fundamental parameters influence the MOSFET’s operational stability and efficiency. Through empirical observations and theoretical insights, we unravel the intricate relationship between these factors, offering valuable insights into optimizing performance and mitigating potential issues.
Furthermore, we explore the MOSFET’s response to different load conditions, scrutinizing its ability to regulate current flow and withstand varying levels of stress. By analyzing its transient response and switching characteristics, we provide valuable guidance on selecting appropriate drive circuitry and implementing effective control strategies to maximize performance and reliability.
Moreover, we investigate the MOSFET’s thermal behavior under different operating conditions, elucidating the significance of proper heat dissipation mechanisms in preventing thermal runaway and ensuring long-term reliability. Through thermal simulations and empirical testing, we offer practical recommendations for thermal management strategies, aiming to prolong the component’s lifespan and optimize system performance.
Lastly, we explore the MOSFET’s susceptibility to parasitic elements and transient phenomena, highlighting the importance of robust circuit design and layout considerations in minimizing parasitic effects and enhancing overall system integrity. By addressing common pitfalls and design challenges, we empower practitioners to harness the full potential of this ubiquitous component in diverse electronic applications.
Maximizing Efficiency: Tips and Tricks for Enhancing Performance with Datasheet Insights

In the quest for optimal performance, understanding the intricacies of electronic components is paramount. In this section, we delve into strategies to maximize efficiency while utilizing the powerful capabilities offered by components such as the Irfz44. Drawing insights from its technical specifications and performance metrics, we uncover actionable tips and tricks to enhance overall system efficiency.
Understanding Operational Characteristics

Efficient utilization of electronic components hinges on a profound comprehension of their operational characteristics. By delving into the nuances of voltage ratings, current handling capabilities, and switching speeds, one can tailor the implementation of the Irfz44 to align seamlessly with the demands of the application at hand. Embracing a holistic understanding empowers engineers to unlock the full potential of this component.
Optimizing Circuit Design

Maximizing efficiency extends beyond the component level to encompass the holistic design of the electronic circuit. Through meticulous attention to layout considerations, thermal management strategies, and gate driving techniques, engineers can mitigate losses and streamline performance. Leveraging insights gleaned from the datasheet, subtle tweaks in circuit design can yield significant gains in efficiency, ensuring that the Irfz44 operates at its peak under varying conditions.