
Embark on a journey into the intricate realms of semiconductor specifications, where the fabric of innovation intertwines with the essence of precision. Delve into the blueprint of technological marvels, navigating through the labyrinth of technical intricacies and design intricacies. Here lies the gateway to understanding the core elements that drive modern electronic marvels.
Illuminate your path with insights into the intricate workings of cutting-edge electronic components, where each line of code and configuration holds the promise of unlocking new horizons. This journey transcends the mere surface of documentation; it is an expedition into the heart of innovation, where possibilities abound and creativity knows no bounds.
Discover the backbone of tomorrow’s devices as you immerse yourself in the unveiling of technical blueprints, deciphering the language of innovation with each stroke of insight. Beyond the mere words lies a realm of limitless potential, waiting to be harnessed by those daring enough to explore its depths.
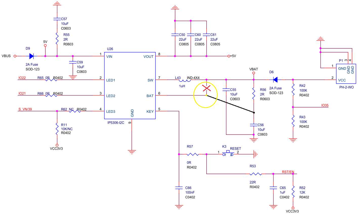
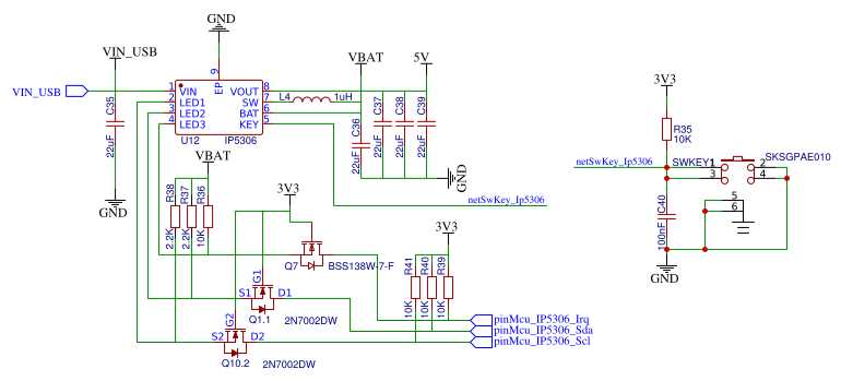
Understanding IP5306 Documentation: Crucial Components and Functions
In the realm of electronic components, delving into the intricacies of documentation unveils the very essence of innovation and functionality. Within the realm of power management, one finds the IP5306, a cornerstone in modern circuitry. This section aims to elucidate the core elements and operational facets encapsulated within the documentation, shedding light on its pivotal role in contemporary electronics.
Key Components

At the heart of the IP5306 documentation lie pivotal components, each contributing uniquely to its overarching functionality. These components, though discrete in nature, synergize to orchestrate seamless power management operations. Exploring their interplay unveils a tapestry of precision engineering and technological finesse, essential for optimal performance.
Essential Features

Beyond its constituent components, the IP5306 documentation unveils a plethora of features, each tailored to address specific demands within the realm of power management. From voltage regulation to charge management, these features epitomize versatility and adaptability, catering to a myriad of application scenarios. Understanding their nuances is paramount for harnessing the full potential of the IP5306 and integrating it effectively within diverse electronic systems.
Explore the Essential Components of IP5306

In this segment, we delve into the core elements comprising the heart of the IP5306, a pivotal unit in modern electronic systems. Unveiling the intricate architecture and fundamental functionalities, this exploration navigates through the foundational components shaping the essence of this innovative device.
Power Management System: At the nucleus of the IP5306 lies a sophisticated power management system, orchestrating the efficient allocation and distribution of electrical energy. This system, akin to a vigilant conductor, regulates the flow of power to various subsystems, ensuring optimal performance and resource utilization.
Battery Charging Mechanism: Integral to its operation is a robust battery charging mechanism, imbued with intelligence to monitor, control, and optimize the charging process. Seamlessly balancing the need for swift replenishment and long-term battery health, this mechanism epitomizes reliability and endurance.
Voltage Regulation: Embracing the vital role of voltage regulation, the IP5306 embeds intricate circuits and algorithms to maintain stable voltage levels across diverse operational conditions. Through meticulous calibration and adaptation, it safeguards connected devices against voltage fluctuations, fostering longevity and reliability.
Current Management: Effortlessly managing current flow within prescribed limits, the IP5306 encapsulates advanced current management capabilities. By dynamically adjusting current delivery in response to varying load demands, it optimizes power utilization while safeguarding against overcurrent scenarios.
Protection Mechanisms: Upholding the ethos of safety and durability, the IP5306 integrates a suite of protection mechanisms. From overvoltage and overcurrent protection to temperature monitoring and fault detection, these safeguards fortify the device against adversities, ensuring uninterrupted functionality and user confidence.
Embark on a journey through the core components of the IP5306, unraveling the intricacies that underpin its unparalleled performance and reliability.
Unveiling the Functionality and Specifications of IP5306

In this section, we delve into the intricate workings and technical specifications of a cutting-edge electronic component, shedding light on its myriad functionalities and performance attributes. Through a detailed exploration, we aim to uncover the essence of this innovative device, providing insights into its operational capabilities, design intricacies, and practical applications.
Exploring Operational Capabilities

At the core of this component lies a sophisticated array of features designed to facilitate efficient power management and distribution. Through a meticulous examination, we uncover the diverse range of tasks it can undertake, encompassing voltage regulation, charging protocols, and power path management. By elucidating these capabilities, we gain a deeper understanding of its role within electronic systems, elucidating its significance in ensuring optimal performance and reliability.
Analyzing Technical Specifications
Embedded within the specifications of this component are critical parameters that dictate its performance characteristics and compatibility with diverse applications. Through meticulous analysis, we decipher the intricacies of its electrical parameters, thermal management capabilities, and interface protocols. By scrutinizing these specifications, we gain valuable insights into its suitability for various electronic designs, enabling informed decision-making and seamless integration into targeted systems.
| Feature | Description |
|---|---|
| Input Voltage Range | Specifies the range of input voltages supported by the component for efficient operation. |
| Output Voltage Regulation | Details the mechanism employed for maintaining stable output voltages under varying load conditions. |
| Charging Protocols | Enumerates the charging algorithms supported by the component for diverse battery chemistries and charging scenarios. |
| Power Path Management | Describes the functionality enabling seamless power transfer between input and output sources, optimizing energy utilization. |
| Temperature Range | Specifies the operating temperature range within which the component ensures reliable performance. |
| Interface Compatibility | Details the interface standards supported by the component, facilitating seamless integration with diverse electronic systems. |
Optimizing Power Management with IP5306: Tips and Tricks
In the realm of efficient power management, maximizing the potential of cutting-edge technology like the IP5306 demands a comprehensive understanding of its capabilities and nuances. This section delves into strategies and techniques aimed at enhancing power efficiency and performance without relying solely on the standard documentation.
The Power of Voltage Regulation

One fundamental aspect of optimizing power management with the IP5306 revolves around voltage regulation. Rather than adhering rigidly to predefined parameters, exploring the intricacies of voltage control opens avenues for fine-tuning power consumption to suit specific requirements. This section explores dynamic voltage scaling and its implications for achieving optimal power efficiency.
Efficient Charging Strategies
Efficient charging strategies form another cornerstone of effective power management with the IP5306. Beyond the conventional charging profiles outlined in typical documentation, this section investigates alternative approaches to charging algorithms. By tailoring charging cycles to match device usage patterns, significant gains in battery life and overall efficiency can be realized.
- Exploring dynamic voltage scaling for fine-tuning power consumption
- Investigating alternative charging algorithms for enhanced battery life