
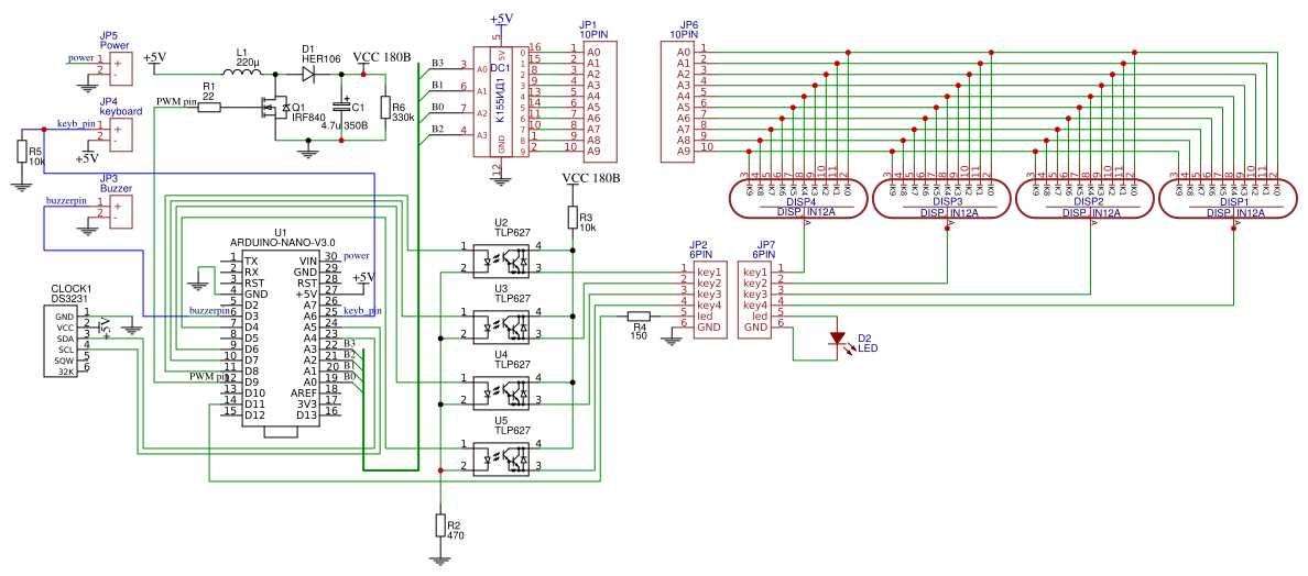
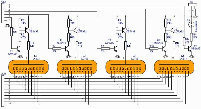
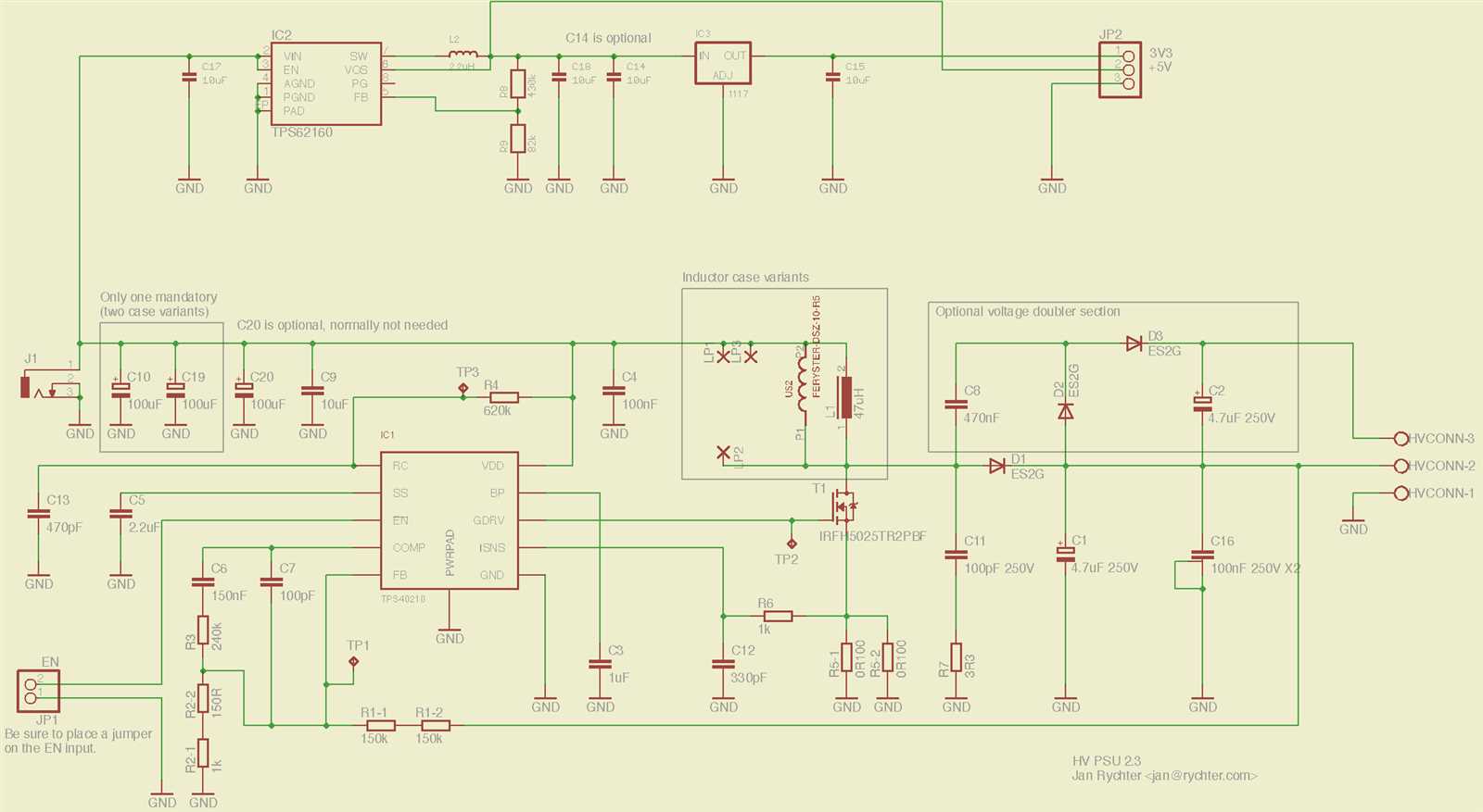
In the realm of electronic components, there exists a category of devices that evoke a sense of nostalgia and fascination, drawing enthusiasts and engineers alike into their intricate world. These delicate glass tubes, with their glowing filaments and mesmerizing displays, hold within them a rich tapestry of history and functionality.
Exploring the intricacies of these devices requires delving into the technical literature that accompanies them, offering a glimpse into their inner workings and potential applications. Amidst this documentation lies a trove of information, guiding both the curious novice and the seasoned expert through the complexities of implementation and optimization.
Within these pages, terminology dances like electrons in a vacuum, shaping the understanding of circuitry and design principles essential for harnessing the full potential of these venerable technologies. Unraveling the mysteries concealed within the pages of these documents unveils not only the practical specifications but also the nuances of craftsmanship and innovation that characterize each unique creation.
Exploring the Characteristics of 9 Vintage Tube Spec Sheets

Delve into the intricacies of documents detailing the specifications and functionalities of nine distinct models of retro electronic display tubes. Unravel the unique traits and capabilities encapsulated within these historic artifacts, shedding light on their engineering marvels and operational intricacies.
1. Unveiling Technical Specifications

- Deciphering the technical jargon and numerical specifications that define the performance metrics of these vintage tubes.
- Exploring parameters such as voltage requirements, current consumption, luminosity, and lifespan, which characterize the operational scope of these devices.
- Analyzing the significance of each specification in determining the suitability of these tubes for diverse applications.
2. Understanding Operational Characteristics

- Investigating the operational nuances and functional behaviors elucidated within the confines of these documentation pieces.
- Examining factors influencing tube behavior, including temperature dependencies, startup times, and response dynamics, to comprehend their operational intricacies.
- Exploring the operational limitations and constraints imposed by these characteristics and their implications on practical usage scenarios.
Embark on a journey through the detailed narratives woven within these vintage tube spec sheets, uncovering the rich tapestry of technical information and historical significance they encapsulate.
Understanding Vintage Tube Technology

Delving into the intricacies of antiquated tube technology unveils a fascinating realm where electrical signals dance within glass enclosures, illuminating the past with their retro glow. This section embarks on a journey through the essence of vintage tube mechanisms, elucidating their inner workings and historical significance.
- Discovering the Core Principles
- Exploring the Ingenious Design
- Unraveling the Mysteries of Operation
At the heart of vintage tube technology lies a marriage between craftsmanship and innovation, where delicate filaments and noble gases conspire to produce mesmerizing displays. By peeling back the layers of complexity, one gains insight into the meticulous engineering behind these relics of bygone eras.
- Embracing the Legacy of Tube Manufacturing
- Tracing the Evolution of Display Technologies
- Appreciating the Timeless Aesthetic Appeal
Through a lens tinted with nostalgia, the allure of vintage tube technology transcends mere functionality, offering a glimpse into a time when innovation sparked the imagination and illuminated the path toward modernity.
Key Specifications and Performance Metrics

Within the realm of electronic components, understanding the core specifications and performance indicators is paramount for informed decision-making and optimal integration. This section delves into the fundamental characteristics and metrics that encapsulate the essence of the component under scrutiny. Through a comprehensive analysis of its key attributes, users can ascertain its capabilities and suitability for diverse applications.
Functional Parameters

- Operational voltage range
- Power consumption
- Operating temperature
Performance Metrics

- Response time
- Accuracy
- Noise levels
Exploring these facets illuminates the operational boundaries, efficiency, and reliability of the component, facilitating nuanced comprehension and informed utilization.
Practical Applications and Integration Tips

Exploring the myriad of real-world scenarios and seamless amalgamations of cutting-edge technology is pivotal in harnessing the full potential of innovative components. In this section, we delve into practical applications and provide insightful integration tips, fostering a deeper understanding of how to incorporate these elements effectively.
| Application | Integration Tip |
|---|---|
| Automation Systems | Employing intuitive interfaces to streamline processes and enhance productivity. |
| Illumination Solutions | Utilizing dynamic lighting controls to create captivating visual displays. |
| Instrumentation | Integrating precision measurement tools for accurate data acquisition. |
| Consumer Electronics | Customizing user interfaces for enhanced user experience and market appeal. |
| Communications Systems | Implementing seamless connectivity solutions for reliable data transmission. |
By exploring these practical applications and integration tips, engineers and enthusiasts alike can unlock the full potential of innovative technologies, paving the way for transformative advancements across various domains.