
Imagine a device that possesses the uncanny ability to control time, trigger events, and create precise oscillations, all within the confines of a tiny integrated circuit. Meet the Ic lm555, a ubiquitous component that plays a crucial role in countless electronic devices, from toys and appliances to communication systems and automotive applications.
At first glance, the Ic lm555 may appear unassuming, clad in its unremarkable form factor. Yet, beneath this unpretentious exterior lies an intricate network of electronic wizardry, capable of transforming electrical signals into an orchestra of computational symphony. Akin to a conductor, the lm555 orchestrates the flow of electrons, enabling devices to perform their designated tasks flawlessly, with unmatched precision.
Often referred to as the “heart” of electronic designs, the Ic lm555 breathes life into circuits, controlling timing intervals, generating precise waveforms, and ensuring synchronization between various components. Its versatility and simplicity have made it a cornerstone of electronics, empowering engineers, hobbyists, and inventors to bring their imaginative concepts to life.
In this article, we embark on a journey to unravel the mysteries of the Ic lm555, delving into its inner workings, exploring its applications, and understanding the principles that make it an indispensable tool in the world of electronics. Join us as we dive into the intricacies of timing circuits, pulse generation, and explore the limitless possibilities offered by this remarkable IC.
The Functionality of the LM555 Timer IC

In this section, we will explore the various functions and capabilities of the LM555 Timer IC. The LM555 is a highly versatile integrated circuit that can be used in a wide range of applications, providing precise timing and control functions.
Timing and Oscillation

One of the primary functions of the LM555 Timer IC is to generate accurate and stable timing signals. It can be configured as a timer or an oscillator, allowing for precise control of time intervals. This makes the LM555 ideal for applications such as pulse generation, frequency division, and time delay circuits.
Monostable and Astable Operation

The LM555 can operate in two modes: monostable and astable. In monostable mode, the LM555 functions as a “one-shot” timer, producing a single output pulse of a defined duration in response to a trigger signal. This mode is commonly used for applications such as pulse width modulation, debounce circuits, and time delay functions.
In astable mode, the LM555 acts as an oscillator, continuously generating a square wave output with a fixed frequency and adjustable duty cycle. This mode is useful for applications such as tone generation, frequency modulation, and clocking circuits.
Adjustable Parameters

The LM555 Timer IC offers various adjustable parameters to tailor its operation to specific requirements. These parameters include the timing capacitor and resistor values, which determine the time intervals in monostable and astable modes, respectively. Additionally, the LM555 can be externally controlled through its control voltage pin, allowing for precise fine-tuning of the timing characteristics.
Furthermore, the LM555 features a wide supply voltage range, making it suitable for both low and high voltage applications. Its versatile operating conditions and adjustable parameters make the LM555 an essential component in many electronic circuits.
Additional Features

Beyond its core functionality, the LM555 Timer IC also includes additional features for enhanced performance. These features include a high output current capability, allowing it to directly drive loads such as LEDs, relays, and motors. It also incorporates a built-in reset function, enabling easy restart and synchronization of timing operations.
In conclusion, the LM555 Timer IC offers a range of functions and features that make it an essential component in electronic projects requiring precise timing and control. Its versatility and adjustable parameters allow for a wide variety of applications, making it a popular choice among hobbyists and professionals alike.
An Overview of the LM555 Timer IC

When it comes to electronic timing applications, the LM555 Timer IC stands as a versatile and widely used component. Its ability to generate accurate time delays, oscillations, and pulse widths makes it a vital element in various circuit designs.
Introduction to the LM555 Timer IC
The LM555 Timer IC, also known as the NE555, is a highly reliable integrated circuit that operates as an oscillator or a flip-flop timer. Its flexibility and ease of use have made it a popular choice among electronic hobbyists, engineers, and designers alike.
Equipped with a voltage comparator, a flip-flop, and a discharge transistor, the LM555 IC enables accurate timing control with its three operational modes: monostable, astable, and bistable. Each mode offers distinct functionality, allowing for a wide range of applications.
Key Features and Specifications

The LM555 Timer IC possesses a variety of features and specifications that contribute to its versatility and reliability. It operates over a wide range of supply voltages, typically between 4.5V and 16V, making it compatible with various power sources.
Furthermore, the LM555 IC can handle high output currents and can drive various types of loads. Its timing accuracy is dependent on the external timing components, which can be easily customized to meet specific timing requirements.
Additionally, the LM555 IC offers a built-in adjustable resistor, allowing for easy adjustment of timing intervals. This feature enhances the usability and precision of the IC in a wide range of timing applications.
Applications of the LM555 Timer IC
Due to its versatility and reliability, the LM555 Timer IC finds applications in numerous fields. It is commonly used in electronic circuits for controlling time delays, generating precise clock signals, producing oscillatory waves, and triggering events at specified intervals.
Moreover, the LM555 IC is frequently utilized in various timer circuits, pulse-width modulation applications, frequency divider circuits, and voltage-controlled oscillators. Its capability to withstand harsh environmental conditions makes it an ideal choice for both industrial and consumer electronic devices.
In conclusion
The LM555 Timer IC’s flexibility, reliability, and varied functionality make it an essential component in electronic circuit design. Whether it is used for precise timing control, generating repetitive waveforms, or triggering events, the LM555 IC continues to play a significant role in a wide range of applications across different industries.
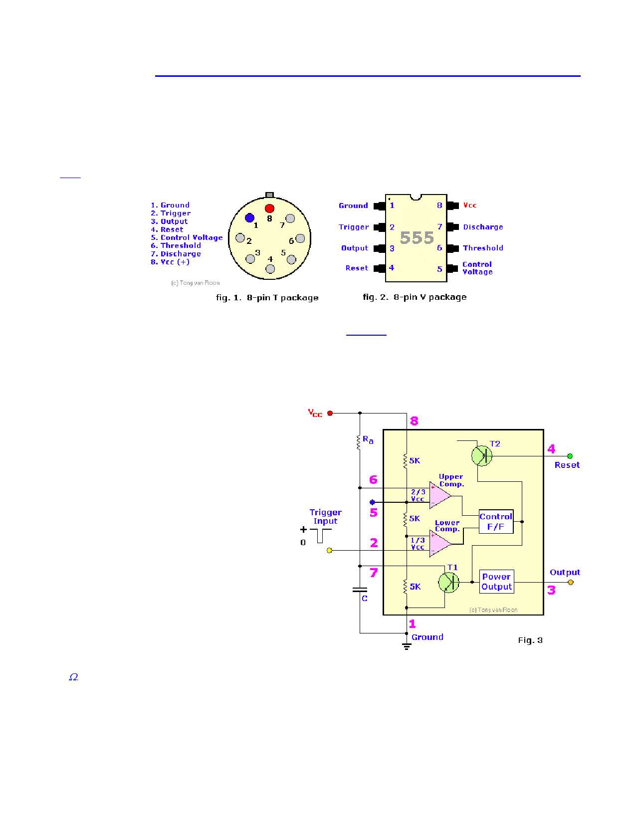
The Internal Structure of the LM555 Timer IC

In this section, we will explore the intricate internal architecture and functionality of the LM555 timer integrated circuit, a versatile and widely used component in electronic circuits. Understanding the internal structure of the LM555 IC is crucial for engineers and hobbyists alike who seek to effectively utilize its various timer and oscillator functions.
An Overview of the LM555 IC

The LM555 timer IC is a highly reliable and accurate timing device that can generate precise time delays, oscillations, and pulse widths. It is widely used in applications such as timing circuits, pulse generation, frequency measurement, and waveform generation. The internal structure of the LM555 IC consists of multiple functional blocks interconnected in a way that enables its diverse set of operations.
Internal Functional Blocks

The LM555 IC consists of three main functional blocks: a voltage divider network, a comparator, and a flip-flop. The voltage divider network is responsible for dividing the supply voltage into three distinct reference voltages used by the other components. The comparator compares the input voltage with the internal reference voltages and controls the behavior of the flip-flop accordingly. The flip-flop, in turn, controls the output of the LM555 IC based on the inputs from the comparator and other external components.
Additionally, the LM555 IC includes passive components such as resistors and capacitors that influence the timing characteristics and precision of the device. These components, along with the functional blocks, work together to provide the desired timing or oscillation functionality.
| Functional Block | Description |
|---|---|
| Voltage Divider Network | Divides the supply voltage into reference voltages |
| Comparator | Compares input voltage with reference voltages |
| Flip-Flop | Controls the output based on comparator inputs |
Understanding the internal structure of the LM555 IC allows engineers and hobbyists to effectively tailor their circuit designs to suit specific timing requirements. By leveraging the capabilities and interactions of the functional blocks, one can unlock the full potential of the LM555 timer IC and achieve precise and reliable timing in electronic systems.
Applications and Uses of the LM555 Timer IC

The LM555 Timer IC, a versatile and widely used integrated circuit, finds numerous applications across various electronic devices and systems. This article explores the diverse range of practical uses for the LM555 Timer IC without delving into technical details.
1. Timing and Delay Circuits:
The LM555 Timer IC is commonly employed in timing and delay circuits to control the timing of events or the duration of specific processes. It offers precise timing capabilities, making it suitable for applications such as blinking lights, generating precise frequencies, or controlling the duration of signals. Its stable operation allows for accurate timekeeping.
2. Oscillators and Frequency Generators:
With its ability to function as an astable or monostable multivibrator, the LM555 Timer IC is extensively used in oscillator and frequency generator circuits. It can generate square, triangular, or sawtooth waveforms at predetermined frequencies. This feature makes it invaluable in various applications, including music synthesizers, tone generators, and frequency modulators/demodulators.
3. PWM Generation:
The LM555 Timer IC is widely employed for pulse width modulation (PWM) signal generation. By adjusting the timing components, it can create variable-width pulses for controlling the power output or mimicking analog signals in applications like motor speed control, LED dimming, and audio amplifiers.
4. Sequential Timing:
In circuits requiring sequential timing of events, the LM555 Timer IC can be utilized to ensure sequential operations. It can trigger one process after the completion of another, enabling the proper sequencing of events in applications like sequential lighting control, sequencing electronic displays, and multi-step process control.
5. Pulse Generation and Delay:
With its ability to produce accurate pulses of varying widths and delays, the LM555 Timer IC is instrumental in applications such as pulse position modulation, time delays in digital systems, and pulse stretching. It provides flexibility in controlling timing parameters to suit specific requirements.
6. Touch and Light Sensitive Switches:
The LM555 Timer IC can be incorporated into touch-sensitive or light-sensitive switch circuits, allowing for responsive activation or deactivation based on external stimuli. This application is commonly found in touchless faucets, automatic lighting systems, and security systems.
7. Voltage Regulator Circuits:
By utilizing the LM555 Timer IC’s internal voltage divider and reference voltage capabilities, it can be employed in voltage regulator circuits to maintain output voltage stability. This application is often seen in battery charging systems, power supplies, and voltage control circuits.
These are just a few examples of the extensive range of applications and uses for the LM555 Timer IC. Its reliability, simplicity, and versatility make it a popular choice among electronics enthusiasts and professionals alike.