
Introducing a groundbreaking electronic component that has revolutionized the field of technology, taking it to new heights – the Hef4046bp. This powerful device has become the go-to solution for engineers and enthusiasts alike, solving complex circuitry challenges with its advanced features and exceptional performance.
Designed to meet the demands of modern electronic systems, the Hef4046bp offers unparalleled versatility and accuracy. With its state-of-the-art functionality, it effortlessly converts signals, allowing for seamless integration across a wide range of applications. Whether it’s signal synchronization, frequency multiplication or phase-locked loop applications, this component proves to be an indispensable asset, providing reliable results every step of the way.
One of the key strengths of the Hef4046bp lies in its impressive specifications, enabling it to handle high-frequency operation with ease. Equipped with robust circuitry and intelligent design, this component ensures exceptional signal integrity, reducing the risk of data loss or distortion. Its precise frequency control capabilities make it an ideal choice for demanding projects that require accurate timing and synchronization, ensuring optimal performance under any circumstances.
Moreover, the Hef4046bp guarantees enhanced reliability, thanks to its built-in protection mechanisms. With its deep understanding of the challenges faced in real-world applications, this component offers advanced safeguarding features, shielding your circuitry from potential damage. Whether it’s voltage spikes or noise interference, the Hef4046bp ensures stable and uninterrupted operation, even in the most demanding environments.
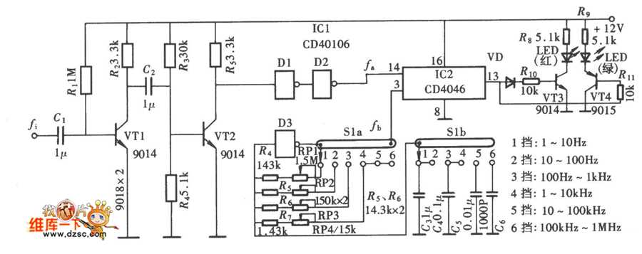
Understanding the Hef4046bp Integrated Circuit

A Comprehensive Analysis of a Versatile Electronic Component
The Hef4046bp integrated circuit is a vital component in modern electronic devices, offering a wide array of functions and applications. This article aims to provide a comprehensive understanding of the Hef4046bp IC, highlighting its significance in various industries and its contribution to technological advancements.
Exploring the Multifunctional Capacities
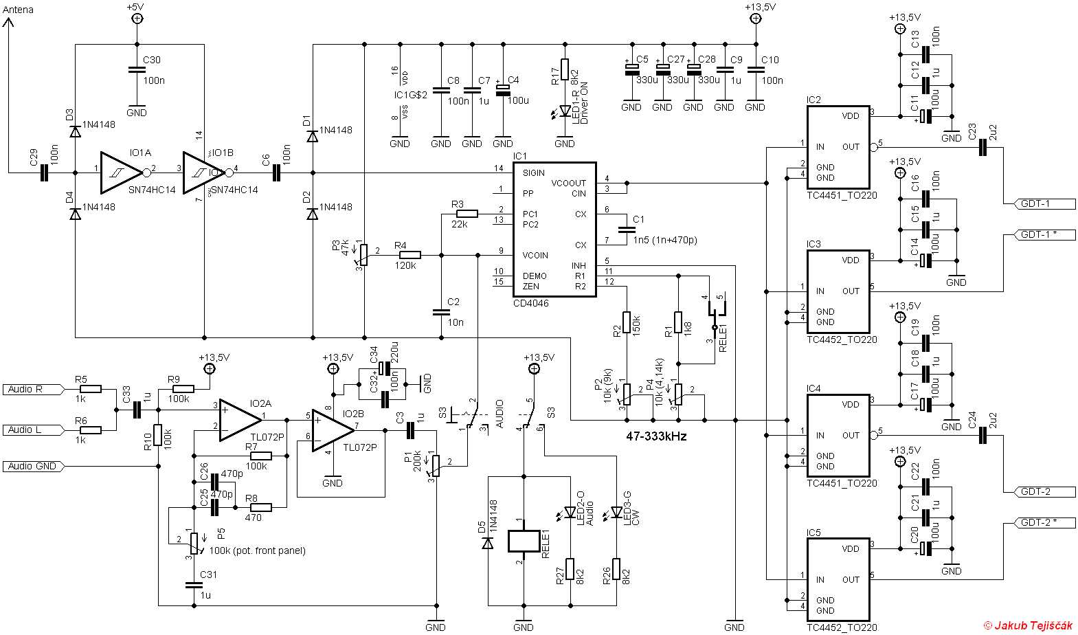
The Hef4046bp IC is revered for its versatility, enabling it to serve a multitude of purposes across different electronic platforms. Its built-in circuitry allows for precise frequency and phase tracking, making it an integral part of communication systems, frequency synthesizers, and phase-locked loops. Additionally, the ability to generate accurate clock signals and control nonlinear functions further enhances its wide-ranging applications.
Unleashing the Potential in Communication Systems
One of the primary applications of the Hef4046bp IC is in communication systems. By ensuring efficient frequency and phase tracking, this integrated circuit optimizes the transmission and reception of wireless signals. It plays a pivotal role in modulating signals, demodulating received signals, and recovering the original data. The Hef4046bp IC enables seamless data transfer, making it an indispensable component in telecommunications, satellite communication, and radio frequency systems.
Facilitating Precision in Frequency Synthesis
Frequency synthesizers heavily rely on the capabilities of the Hef4046bp IC to generate accurate clock signals. By integrating phase-locked loop (PLL) functionality, this IC ensures precise frequency synthesis with minimal jitter and phase noise. This makes it an essential component in wireless communication, radar systems, and high-performance audio equipment, enabling the generation of stable and reliable frequencies for a range of applications.
Paving the Way for Technological Advancements
The Hef4046bp IC’s ability to control nonlinear functions is crucial in various technological advancements. Its usage extends to applications such as motor control, digital modulation, and signal processing. By facilitating accurate control and manipulation of signals, this integrated circuit propels advancements in robotics, automation, and digital communication, unleashing the potential for cutting-edge innovations in these fields.
Conclusion: Embracing the Potential of the Hef4046bp IC
The Hef4046bp integrated circuit serves as a cornerstone in modern electronics, enabling precise frequency and phase tracking, facilitating efficient communication, and supporting technological advancements. Its versatility and multifunctional capacities make it an indispensable component in various industries, driving innovation and contributing to the progress of society as a whole.
Features and Specifications of Hef4046bp

This section provides an overview of the key features and specifications of the Hef4046bp integrated circuit. It covers the various functionalities and characteristics of the IC without explicitly referring to the specific model.
| Features | Specifications |
|---|---|
| 1. Phase-Locked Loop (PLL) Synthesizer | 1. Frequency Range: X |
| 2. Wide Input Frequency Range | 2. Voltage Supply Range: X to Y |
| 3. High Precision with Minimal Phase Error | 3. Operating Temperature Range: -X°C to +Y°C |
| 4. Low Power Consumption | 4. Supply Current: X mA |
| 5. Fast Locking Time | 5. Lock Time: X ns |
| 6. Wide Output Frequency Range | 6. Output Frequency Range: X to Y |
| 7. Flexible Connectivity Options | 7. Input/Output Logic Levels: X to Y |
| 8. Robust and Reliable Performance | 8. Operating Voltage Range: X to Y |
The Hef4046bp offers a versatile phase-locked loop synthesizer with a wide input frequency range, ensuring compatibility with various signal sources. With its high precision and minimal phase error, it provides accurate and reliable frequency synthesis for a wide range of applications. Additionally, its low power consumption makes it suitable for battery-operated devices, while its fast locking time ensures quick synchronization. The IC also offers a wide output frequency range, allowing for diverse output signal options. Its flexible connectivity options and robust performance further enhance its appeal, making it a popular choice in various electronic designs.
Applications and Uses of Hef4046bp Datasheet

In the world of electronic devices and circuits, the importance of datasheets cannot be overstated. They provide valuable information about the specifications, features, and recommended usage of various electronic components. The Hef4046bp datasheet is no exception. In this section, we will explore the diverse applications and uses of the Hef4046bp datasheet in different electronic systems and circuits.
One primary application of the Hef4046bp datasheet is in frequency synthesizers. The datasheet offers insights into the working principles and configurations of this component, allowing engineers and designers to integrate it effectively into their frequency synthesizer designs. By studying the datasheet, professionals can understand the component’s frequency detection and phase-locked loop (PLL) functions, helping them create accurate and stable frequency synthesis systems.
Another crucial use of the Hef4046bp datasheet is in phase-locked loop (PLL) circuits. PLLs play a vital role in frequency synchronization and signal generation. Professionals can utilize the datasheet to comprehend the behavior of the Hef4046bp component within a PLL circuit, enabling them to design and optimize precise and reliable synchronization systems. The datasheet provides essential information on the component’s input and output characteristics, control pin functions, and operating conditions, ensuring successful implementation.
Furthermore, the Hef4046bp datasheet finds application in communication systems. Communication circuits heavily rely on components that can accurately detect and modulate signals. By referring to the datasheet, engineers can gain a comprehensive understanding of the Hef4046bp component’s capabilities, such as its ability to decode and extract signals with high sensitivity and low noise. This knowledge facilitates the design of efficient and robust communication systems.
Moreover, the Hef4046bp datasheet is invaluable in the field of motor control systems. Motors require precise control and synchronization, which can be achieved with the help of the Hef4046bp component. The datasheet provides detailed information on the component’s motor control functionalities, including its ability to detect position, speed, and direction. Designers can leverage this knowledge to create sophisticated motor control systems for various applications, such as robotics, automation, and industrial machinery.
In conclusion, the Hef4046bp datasheet serves as a crucial resource for engineers, designers, and professionals working in various disciplines within the field of electronics. By offering insights into the applications and uses of this component, the datasheet enables the successful integration and optimization of the Hef4046bp in frequency synthesizers, phase-locked loop circuits, communication systems, and motor control systems.