
Unlocking the intricacies of cutting-edge electronic components often leads us into a realm of marvel, where innovation converges with precision. In this journey, we delve into the depths of a technical masterpiece, uncovering its inner workings and unraveling the complexities that define its functionality.
Embarking on this expedition, we navigate through a landscape of advanced engineering, where each component serves as a testament to human ingenuity. Through meticulous examination and keen observation, we decode the language of circuits and systems, uncovering the secrets concealed within.
Here, amidst the realm of silicon and conductors, we encounter a beacon of technological prowess, a cornerstone in the architecture of modern electronics. Our quest leads us to explore the essence of innovation, as we dissect the essence of a formidable electronic entity, illuminating the path for enthusiasts and professionals alike.
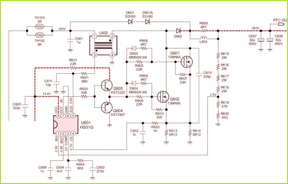
Understanding the Key Specifications of the Fp40r12kt3g Component

In this section, we delve into the vital specifications that define the performance and functionality of the component in question. By comprehensively examining these attributes, we gain a clearer understanding of its capabilities and potential applications.
- Electrical Characteristics: These parameters elucidate the behavior of the component in various electrical conditions, encompassing factors such as voltage, current, and resistance.
- Thermal Properties: Understanding how the component dissipates heat and operates within specified temperature ranges is essential for ensuring reliability and longevity.
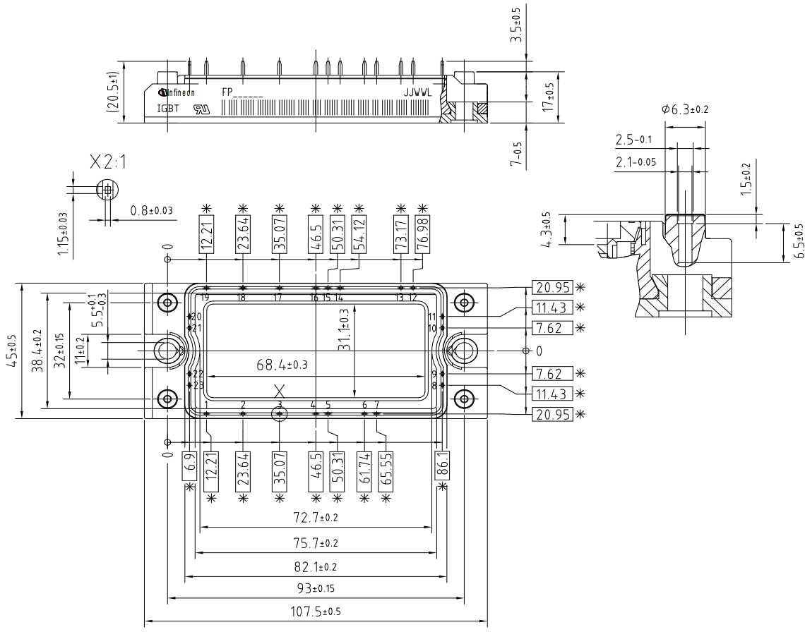
- Mechanical Dimensions: Detailed measurements and configurations provide insights into the physical form and compatibility of the component within different systems and setups.
- Performance Metrics: Metrics such as efficiency, speed, and power handling capacity offer crucial insights into the operational efficiency and capabilities of the component.
- Environmental Considerations: Factors such as operating conditions, humidity tolerance, and environmental certifications play a pivotal role in determining the suitability of the component for diverse applications.
- Safety and Compliance: Compliance with industry standards and regulatory requirements ensures the component’s reliability, safety, and compatibility within various regulatory frameworks.
By scrutinizing these key specifications with diligence and attention to detail, stakeholders can make informed decisions regarding the integration and utilization of the component, thereby maximizing its potential benefits while mitigating risks.
Exploring the Technical Parameters

In this section, we delve into the intricacies and nuances of the technical specifications associated with the subject matter. By dissecting the various parameters, we aim to gain a comprehensive understanding of its operational characteristics and performance metrics.
Functional Attributes

Within the realm of functionality, we scrutinize the operational capabilities and behavioral patterns exhibited by the subject, unraveling its potential applications and functional versatility. Through meticulous examination, we aim to elucidate the diverse scenarios in which it can be effectively deployed.
Performance Metrics

Turning our attention to performance metrics, we analyze the quantitative and qualitative measures that gauge the efficiency, reliability, and efficacy of the subject. By deciphering these metrics, we seek to uncover insights into its overall performance under varying conditions and loads, facilitating informed decision-making and optimization strategies.
Interpreting Performance Metrics

Understanding the intricacies of performance metrics is pivotal in grasping the effectiveness and efficiency of a given component or system. These metrics serve as quantifiable indicators, shedding light on various aspects of performance without relying solely on technical jargon. Through careful analysis and interpretation, one can glean insights into the functionality, reliability, and overall capability of the subject at hand.
Deciphering Functionality

Performance metrics offer a window into how well a component or system executes its intended tasks, showcasing its operational prowess and adaptability. By examining metrics such as throughput, response time, and resource utilization, observers can assess the extent to which the subject meets operational demands and navigates diverse scenarios.
Evaluating Efficiency

Efficiency metrics delve into the utilization of resources relative to the output achieved, providing valuable feedback on the economical utilization of resources. Parameters like power consumption, heat dissipation, and energy efficiency illuminate the sustainability and cost-effectiveness of the system, guiding decisions towards optimization and eco-friendly practices.
Unlocking the Potential of Cutting-edge Semiconductor Documentation: Applications

Delving into the expansive realm of semiconductor technologies unveils a landscape rich with possibilities. Within this domain lies the transformative potential of advanced datasheets, serving as blueprints for innovation across various industries. In this exploration, we uncover the myriad applications awaiting discovery and development through the comprehensive insights provided by these documents.
Empowering Engineering Innovation

At the heart of engineering endeavors lies the quest for innovation. Semiconductor datasheets act as guiding lights, illuminating pathways towards novel solutions. Through meticulous examination and interpretation, engineers unlock the intricacies of component functionalities, paving the way for groundbreaking designs in fields ranging from telecommunications to automotive engineering.
Pioneering Technological Advancements

The evolution of technology hinges upon the continuous integration of cutting-edge components. Semiconductor datasheets serve as catalysts for progress, fueling the development of next-generation devices and systems. By harnessing the wealth of information encapsulated within these documents, pioneers in technology push the boundaries of possibility, ushering in an era defined by unparalleled advancements in efficiency, performance, and functionality.
Utilizing Cutting-Edge Components in Power Electronics

In the realm of power electronics, the integration of advanced components plays a pivotal role in shaping the efficiency, reliability, and performance of electronic systems. Within this dynamic landscape, the incorporation of high-quality components can significantly elevate the functionality and effectiveness of power-related applications.
Enhancing Efficiency and Performance

Modern power electronics demand components that not only meet but exceed stringent performance standards. By leveraging innovative technologies, engineers can enhance the efficiency and performance of power systems, ensuring optimal operation across various applications. The integration of state-of-the-art components enables the development of robust solutions capable of meeting the evolving needs of industries ranging from automotive to renewable energy.
Driving Innovation and Sustainability

Utilizing cutting-edge components in power electronics not only fosters innovation but also contributes to sustainability efforts. With a focus on efficiency and reliability, these components enable the design of energy-efficient systems that minimize environmental impact. By pushing the boundaries of technological advancement, engineers can pave the way for the widespread adoption of sustainable power solutions, driving positive change in the global energy landscape.