
Embark on a journey through the intricate framework that underpins modern electronic devices. Delve into the foundational document that serves as a roadmap for engineers and enthusiasts alike, guiding them through the labyrinth of circuits and connections that breathe life into our gadgets. This treasure trove of information holds the key to unlocking the mysteries of a crucial component, revealing its inner workings and capabilities in vivid detail.
Discover the blueprint that fuels innovation, paving the way for advancements in technology and pushing the boundaries of what’s possible. Within these pages lies the essence of innovation, encapsulating years of research, development, and ingenuity. It’s a testament to human curiosity and perseverance, encapsulating the collective wisdom of countless minds striving to push the limits of what we know.
Unravel the complexities hidden within these cryptic lines, as each symbol and notation serves as a breadcrumb leading towards enlightenment. From the intricacies of circuit design to the nuances of data storage and retrieval, every detail plays a vital role in shaping the landscape of modern electronics. It’s a blueprint that transcends language barriers, speaking the universal language of innovation and progress.
Fm24c02b Datasheet Overview

In this section, we provide a comprehensive overview of the technical specifications and functionalities of the Fm24c02b integrated circuit. Delving into the intricate details of this component, we explore its features, operational characteristics, and applications, shedding light on its significance within electronic systems.
Introduction: Embark on a journey through the intricacies of a pivotal electronic component that serves as a cornerstone in numerous digital applications. Unveil the essence of this miniature marvel, understanding its role in facilitating data storage and retrieval functionalities within various electronic devices.
Functionalities: Explore the diverse functionalities encapsulated within the Fm24c02b, ranging from data storage to retrieval mechanisms. Delve into its capacity to seamlessly retain vital information while offering swift access to stored data, ensuring efficient operation within electronic systems.
Technical Specifications: Navigate through the technical specifications of the Fm24c02b, unraveling details regarding its storage capacity, data retention capabilities, and operational voltage ranges. Gain insights into the intricate engineering behind this component, deciphering its ability to meet the demands of modern electronic applications.
Applications: Illuminate the myriad applications of the Fm24c02b across diverse industries, from consumer electronics to industrial automation. Discover how this versatile component empowers the seamless integration of data storage functionalities, enhancing the performance and reliability of electronic systems.
Conclusion: Conclude this overview with a reflection on the pivotal role played by the Fm24c02b in shaping the landscape of modern electronics. Emphasize its significance as a fundamental building block, enabling the realization of innovative technological solutions across various domains.
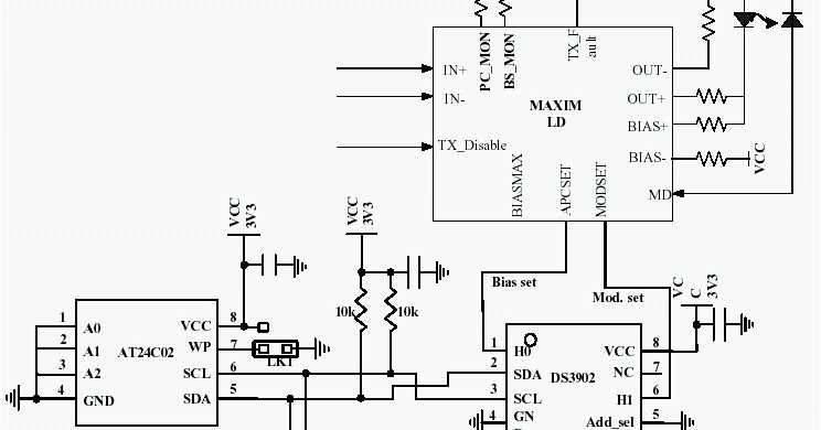
Understanding the Fm24c02b EEPROM Chip

In delving into the intricacies of this EEPROM chip, we embark on a journey to decipher its inner workings and applications. Through an exploration of its functionalities, capabilities, and potential uses, we aim to illuminate the significance of this component in modern electronics.
| Memory Storage | The chip’s ability to retain data even when the power is turned off provides a crucial feature for various electronic systems, ensuring data integrity and reliability. |
| Read and Write Operations | Understanding the mechanisms behind how data is written to and read from the EEPROM chip unveils its versatility in storing and retrieving information efficiently. |
| Addressing | An exploration of the addressing scheme employed by the chip sheds light on how it organizes and accesses data, facilitating seamless integration into diverse electronic architectures. |
| Operating Voltage and Power Consumption | Examining the chip’s power requirements and consumption rates elucidates its suitability for various power-sensitive applications, offering insights into energy-efficient design considerations. |
| Endurance and Longevity | Assessing the chip’s endurance levels and longevity characteristics provides valuable information on its lifespan and reliability, crucial factors for sustained performance in demanding environments. |
Through a comprehensive understanding of the intricacies encapsulated within the Fm24c02b EEPROM chip, we gain a deeper appreciation for its role as a foundational component in the landscape of modern electronics, driving innovation and functionality across a myriad of applications.
Fm24c02b Datasheet Features

In this section, we explore the distinctive attributes and functionalities encapsulated within the specifications of the FM24C02B device. Delving into its capabilities unveils a spectrum of characteristics designed to enhance performance, efficiency, and versatility in diverse applications.
Enhanced Storage Capacity

The FM24C02B embodies an expanded memory capacity, facilitating the storage of extensive data sets with seamless access and retrieval. Its robust storage capability empowers users to accommodate burgeoning information requirements without compromise, ensuring reliability and scalability.
Efficient Data Transfer

Facilitating swift and efficient data transfer, the FM24C02B integrates advanced communication protocols, optimizing transmission speed and accuracy. This feature streamlines processes, enabling seamless interaction with connected systems while maintaining data integrity and consistency.
Exploring Key Specifications and Functions

In this section, we delve into the fundamental characteristics and operational capabilities of the device in question. By dissecting its core features and functionalities, we gain a comprehensive understanding of its performance and applicability within various contexts.
Performance Parameters

First and foremost, we scrutinize the performance parameters that define the behavior and efficiency of the device. These metrics encompass factors such as speed, capacity, and power consumption, which collectively dictate its operational prowess and suitability for specific tasks.
Functional Capabilities

Beyond mere technical specifications, we explore the functional capabilities inherent to the device. This entails an examination of its supported operations, communication protocols, and data management mechanisms. Understanding these functionalities is crucial for leveraging the device effectively in practical scenarios and optimizing its utility.
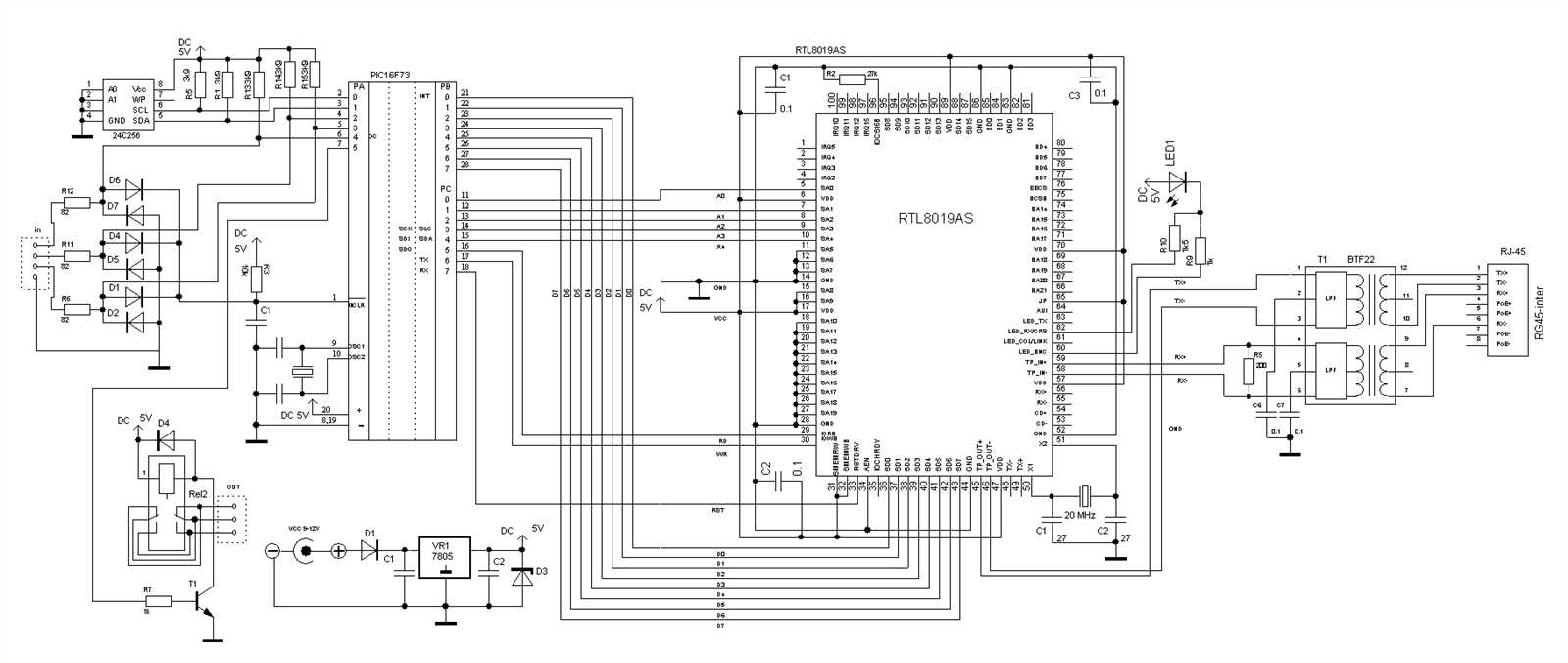
Fm24c02b Application Overview

In this section, we delve into the practical utilization of the FM24C02B integrated circuit, exploring its diverse range of applications beyond mere documentation. From its integration into electronic systems to its role in facilitating data storage and retrieval, we examine the versatile functions and contexts in which this component operates.
Exploring the myriad applications of this IC, we uncover its significance in enabling seamless data management across various electronic devices. Whether embedded within consumer electronics or industrial machinery, the FM24C02B plays a pivotal role in enhancing operational efficiency and facilitating streamlined functionality.
Furthermore, we delve into the intricacies of utilizing the FM24C02B in specific contexts, such as automotive systems, smart meters, and IoT devices. Through case studies and practical examples, we illustrate how this component contributes to the advancement of technology and the realization of innovative solutions.
Moreover, we explore the integration of the FM24C02B within broader electronic ecosystems, considering its compatibility with complementary components and its role in enabling seamless communication and data exchange. From sensor networks to embedded systems, this IC serves as a cornerstone for robust and reliable data storage and retrieval.
By understanding the practical applications of the FM24C02B beyond its datasheet specifications, we gain insight into its transformative potential across diverse industries and technological domains. From optimizing energy consumption to enhancing user experiences, this component embodies the essence of innovation and progress in the realm of electronics.