
Within the realm of Internet of Things (IoT) devices, one name undoubtedly stands out – the Esp8266-01. This tiny yet powerful module has gained immense popularity among hobbyists, engineers, and developers alike due to its versatility and remarkable capabilities.
With a multitude of applications ranging from home automation to robotics and beyond, the Esp8266-01 serves as the foundation for many innovative projects. Understanding the intricacies and technical details of this module is crucial for those seeking to harness its full potential.
In this guide, we will explore the Esp8266-01 module in depth, delving into its impressive datasheet, which acts as a comprehensive reference manual. Through a careful examination of its functionalities and features, we will unravel the powerful capabilities that lie beneath its unassuming surface.
By the end of this article, you will gain a profound understanding of the Esp8266-01 module and its immense potential, enabling you to leverage its capabilities to create cutting-edge IoT projects that push the boundaries of technology.
Understanding the ESP8266-01 Module

In this section, we will delve into the intricacies of the ESP8266-01 module, a versatile and powerful IoT device. We will explore its features, functionality, and applications to provide a comprehensive understanding of this groundbreaking component.
Overview of the ESP8266-01 Module
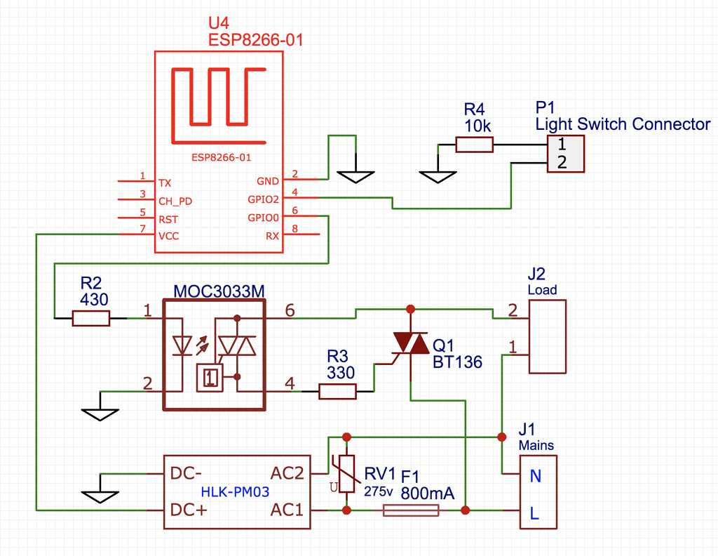
The ESP8266-01 module is a compact Wi-Fi module that enables wireless communication and IoT capabilities. It offers a range of advanced features, including low power consumption, built-in TCP/IP protocol stack, and support for multiple communication protocols. With its small form factor and cost-effectiveness, the ESP8266-01 module has revolutionized the field of IoT.
Features and Functionality
The ESP8266-01 module is equipped with a powerful 32-bit microcontroller with integrated Wi-Fi capabilities. It operates on low power while providing fast processing speeds and efficient network connectivity. The module supports various interfaces, including GPIO, SPI, I2C, and UART, making it compatible with a wide range of devices and sensors. Additionally, it offers firmware over-the-air (OTA) updates, enabling easy and convenient upgrades.
One of the key features of the ESP8266-01 module is its compatibility with different communication protocols, such as Wi-Fi, MQTT, and HTTP. This allows seamless integration with existing IoT infrastructure and platforms. The module also supports secure communication through encryption and authentication mechanisms, ensuring the integrity and confidentiality of data transmitted over the network.
Applications of the ESP8266-01 Module

The ESP8266-01 module finds applications in various domains, including home automation, industrial automation, smart agriculture, and wearable technology. Its low power consumption and compact size make it ideal for battery-powered devices and IoT projects requiring wireless connectivity. The module’s versatility and extensive feature set make it a popular choice among hobbyists, developers, and professionals alike.
- Home Automation: The ESP8266-01 module can be used to control and monitor various home appliances and systems remotely. It enables the creation of smart home solutions that provide convenience, energy efficiency, and enhanced security.
- Industrial Automation: In industrial settings, the ESP8266-01 module can be employed to monitor and control machinery, gather sensor data, and optimize production processes. It enables real-time monitoring and analysis, leading to increased operational efficiency and cost savings.
- Smart Agriculture: The module can be utilized in agricultural applications to monitor environmental conditions, automate irrigation systems, and collect data on crop health. By enabling remote monitoring and control, it helps farmers optimize resource utilization and improve yields.
- Wearable Technology: The ESP8266-01 module can be integrated into wearable devices, such as fitness trackers and smartwatches, to enable wireless connectivity. It enables real-time health monitoring, data synchronization, and remote control functionality.
Overall, the ESP8266-01 module offers a versatile and powerful solution for IoT applications. Its compact size, low power consumption, and extensive feature set make it a popular choice among IoT enthusiasts and professionals seeking to develop innovative and connected devices.
Exploring the Technical Specifications
In this section, we will delve into the intricate details and capabilities of the highly versatile wireless module. By delving into its technical specifications, we aim to provide a comprehensive understanding of the module’s functionality and its potential applications.
Performance and Connectivity: The module boasts impressive performance and connectivity features that enable seamless communication in a variety of scenarios. With its advanced wireless capabilities, it facilitates stable and reliable transmission of data, ensuring efficient and secure connectivity.
Processing Power: Equipped with a powerful microcontroller, the module can handle complex operations and tasks with ease. Its processing speed and efficiency make it suitable for a wide range of applications, from IoT devices to smart home systems.
Memory and Storage: The module’s ample memory capacity enables it to store and process vast amounts of data. This makes it ideal for applications that require extensive data handling, such as web servers or data logging systems.
Wireless Protocols: Supporting a variety of wireless protocols, including Wi-Fi and TCP/IP, the module provides seamless integration with existing networks and infrastructure. This enables easy and reliable communication with other devices and systems, enhancing the overall connectivity and functionality.
Power Consumption: The module’s low power consumption allows for prolonged operation on battery-powered systems, making it suitable for applications that require long-term deployment or remote monitoring.
Form Factor and Size: With its compact form factor, the module can be easily integrated into various devices and systems without occupying much space. This versatility enhances its potential for use in a wide range of applications, including wearable technology and embedded systems.
Development and Programming: The module supports various programming languages and frameworks, providing developers with flexibility and ease of use. This ensures a smooth and efficient development process, making it accessible for both beginners and experienced programmers alike.
Security Features: With built-in security protocols and encryption algorithms, the module ensures the confidentiality and integrity of data transmission. This makes it a reliable choice for applications that require a high level of security, such as smart locks or surveillance systems.
Interface and GPIOs: Equipped with multiple GPIO pins, the module allows for seamless integration with sensors, actuators, and other external components. This versatility enables the creation of complex and interactive systems, opening up a world of possibilities in the realm of IoT and automation.
Conclusion: Exploring the technical specifications of the module reveals its immense potential and versatility. From its impressive performance and connectivity features to its low power consumption and ample memory capacity, the Esp8266-01 datasheet showcases the module’s capabilities and sets the stage for innovative applications and developments in the world of wireless communication.
Applications and Projects Utilizing ESP8266-01

In this section, we will explore various applications and projects that make use of the versatile ESP8266-01 module. These projects showcase the diverse range of functionalities and capabilities offered by the ESP8266-01, making it an ideal choice for a wide range of Internet of Things (IoT) applications.
1. Home Automation

One popular application of the ESP8266-01 is in home automation systems. By integrating the module with other sensors and actuators, it is possible to control and monitor various aspects of a smart home, such as lighting, temperature, security, and more. The ESP8266-01’s Wi-Fi capabilities allow for easy communication with a centralized control system, enabling users to remotely manage their home environment.
2. Weather Monitoring

Another interesting use case for the ESP8266-01 is in weather monitoring systems. By connecting the module to weather sensors such as temperature, humidity, and pressure sensors, it is possible to collect real-time weather data. This data can then be transmitted to a server or displayed on a local interface, providing users with up-to-date weather information for their desired location.
3. IoT Prototyping
The ESP8266-01 module is widely used for IoT prototyping due to its compact size, low cost, and ease of use. With its built-in Wi-Fi capabilities, the module can be quickly integrated into various IoT projects, ranging from simple sensor networks to complex automation systems. Its Arduino compatibility and extensive online resources make it an ideal choice for hobbyists and professionals alike.
4. Wireless Sensor Networks

The ESP8266-01 can be used to create wireless sensor networks, where multiple sensors are connected to a central hub or gateway. This allows for remote monitoring and data collection from multiple locations, making it suitable for applications such as environmental monitoring, agriculture, industrial automation, and more. The ESP8266-01’s low power consumption and reliable wireless connectivity make it an excellent choice for such applications.
5. Remote Control Systems
The ESP8266-01 module can be used to create remote control systems for various devices and appliances. By integrating the module with appropriate sensors and actuators, it is possible to remotely control and monitor devices such as lights, fans, motors, and more. This enables users to conveniently manage their devices from a distance, enhancing comfort and efficiency in various settings.
- Home Automation
- Weather Monitoring
- IoT Prototyping
- Wireless Sensor Networks
- Remote Control Systems
These are just a few examples of the numerous applications and projects that can be implemented using the ESP8266-01 module. Its versatility, flexibility, and affordability make it a popular choice for IoT enthusiasts and professionals alike, enabling endless possibilities in the world of connected devices.