
Delving into the intricacies of electronic components unveils a world of innovation and precision engineering. Amidst the vast landscape of integrated circuits, each unit holds a trove of information, guiding engineers and enthusiasts alike through its functionalities and capabilities. In this exploration, we embark on a journey to decipher the essence of a document that serves as the gateway to understanding a particular integrated circuit.
Within the labyrinth of technical jargon and schematic diagrams lies a roadmap, a narrative carefully crafted to elucidate the inner workings of a component. While conventional wisdom may perceive it as mere documentation, its significance transcends the realms of paper and ink, offering a glimpse into the essence of innovation. Through meticulous detail and structured organization, these documents pave the way for unlocking the true potential of a component.
Join us as we navigate through the maze of information, decoding the nuances and implications hidden within the lines and graphs. From pin configurations to operational specifications, each section serves as a beacon of insight, guiding both novices and seasoned professionals towards a comprehensive understanding. As we delve deeper into the labyrinth of integrated circuit documentation, prepare to witness the convergence of technology and ingenuity, encapsulated within the confines of a datasheet.
The Basics of DS75176BM Datasheet

In the realm of electronic components, understanding the fundamental aspects of a component’s documentation is paramount for effective utilization. The DS75176BM, while often encountered in various electronic systems, necessitates a grasp of its foundational datasheet information. This segment delineates essential insights crucial for comprehending the operational nuances and specifications encapsulated within.
Fundamental Functionality: Delving into the intricacies of DS75176BM demands a foundational understanding of its operational principles. Within its documentation lie pivotal details elucidating its core functionality, enabling engineers to discern its applicability within diverse circuitry contexts.
Performance Parameters: Beyond mere functionality, the datasheet expounds upon the performance parameters governing the DS75176BM’s efficacy. Through delineating factors such as voltage thresholds, signal characteristics, and operational limitations, it furnishes engineers with indispensable insights vital for optimal integration.
Application Guidelines: Effective utilization of the DS75176BM necessitates adherence to prescribed application guidelines. Within the datasheet, delineations of recommended circuit configurations, layout considerations, and environmental constraints equip practitioners with a holistic understanding, facilitating seamless integration into diverse electronic systems.
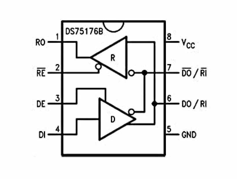
Interfacing Specifications: Given its role in facilitating communication within electronic systems, understanding the interfacing specifications is paramount. The datasheet serves as a compendium of information elucidating interface compatibility, communication protocols, and connectivity requirements, enabling engineers to orchestrate seamless interconnection with surrounding components.
Diagnostic Features: In the pursuit of robust system design, the DS75176BM’s diagnostic features assume significance. Insight into fault detection mechanisms, error reporting protocols, and diagnostic outputs, as encapsulated within the datasheet, empowers engineers with the means to preemptively address potential operational aberrations, fostering system resilience.
Conclusion: Mastery of the foundational aspects encapsulated within the DS75176BM datasheet is indispensable for engineers navigating the intricacies of contemporary electronic design. By elucidating fundamental functionality, performance parameters, application guidelines, interfacing specifications, and diagnostic features, the datasheet serves as a beacon guiding practitioners towards effective utilization and seamless integration within diverse electronic systems.
Understanding Key Specifications

Delving into the intricacies of technical documentation unveils a realm where specifications serve as guiding stars, illuminating the path towards informed decisions and optimal performance. Within the realm of electronic components, comprehending these specifications is akin to deciphering a blueprint, enabling engineers and enthusiasts alike to navigate the vast landscape of possibilities.
Voltage Ratings

One fundamental aspect encapsulated within the datasheet fabricates the foundation of any electronic device: voltage ratings. These metrics delineate the permissible thresholds within which the component operates efficiently and safely, safeguarding against overvoltage-induced malfunctions or failures. By comprehending the nuances of voltage ratings, one gains insight into the operational boundaries and the potential for scalability within a given circuit.
Operating Temperature Range

Beyond the realm of voltages lies the terrain of operating temperature ranges, a pivotal determinant of a component’s resilience and adaptability across diverse environments. Spanning from subzero cold to scorching heat, this spectrum encapsulates the bounds within which the component thrives, ensuring reliability and longevity under varying conditions. Understanding the implications of temperature ranges facilitates prudent design decisions, fortifying systems against the rigors of real-world usage.
Application Insights: DS75176BM Datasheet

In this section, we delve into the practical applications and functional insights of the DS75176BM integrated circuit. This component offers a myriad of functionalities, catering to diverse electronic systems with its versatile features. Let’s explore its utility beyond the conventional realm of technical specifications.
| Functionality | Application |
|---|---|
| Signal Amplification | Enhancing signal strength in communication systems, ensuring robust data transmission. |
| Signal Conditioning | Refining incoming signals from sensors, optimizing data accuracy in industrial automation. |
| Protocol Conversion | Facilitating seamless communication between devices with different communication protocols, fostering interoperability in interconnected networks. |
| Noise Suppression | Filtering out unwanted noise from electrical signals, improving signal integrity in sensitive measurement applications. |
| Driver Functionality | Driving signals to external devices such as motors or displays, enabling precise control in various electronic systems. |
By understanding the diverse applications of the DS75176BM, engineers can leverage its capabilities to design innovative solutions across industries ranging from telecommunications and automotive to consumer electronics and beyond. Its reliability and versatility make it a cornerstone component in modern electronic designs.
Optimizing Performance in Diverse Systems

In the pursuit of enhancing operational efficiency across a spectrum of platforms, it becomes imperative to delve into strategies aimed at refining system performance. This section elucidates various methodologies to augment operational effectiveness without fixating on specific components or technical specifications.
System Architecture Analysis

Understanding the intricate interplay between hardware and software components within different system architectures is fundamental to optimizing performance. By dissecting system architecture and identifying bottlenecks, stakeholders can devise targeted interventions to streamline processes and bolster overall efficiency.
Algorithmic Refinement

An often overlooked aspect of performance optimization lies in the refinement of algorithms utilized within systems. By revisiting algorithms through the lens of efficiency and resource utilization, significant performance enhancements can be achieved without necessitating substantial hardware upgrades.
| System | Optimization Strategy | Performance Gain (%) |
|---|---|---|
| Embedded Systems | Low-power Optimization Techniques | 12 |
| Data Centers | Virtualization and Load Balancing | 28 |
| Networking Infrastructure | Protocol Optimization | 17 |
Practical Guide: Implementing the DS75176BM Specifications

In this segment, we delve into a hands-on exploration of integrating the specifications provided by the DS75176BM document into real-world applications. We’ll navigate through the intricacies of incorporating the outlined parameters and functionalities into practical setups, ensuring seamless integration and optimal performance.
Understanding Component Requirements

Before delving into the implementation details, it’s imperative to grasp the essential requirements outlined within the documentation. By comprehensively understanding the functional expectations, voltage tolerances, and operational parameters, one can tailor the integration process to align precisely with the DS75176BM’s specifications.
Integration Strategies and Best Practices

Upon gaining clarity regarding the component requisites, the next phase involves devising integration strategies and adopting best practices. This encompasses selecting appropriate signal conditioning techniques, ensuring compatibility with existing circuitry, and mitigating potential issues such as noise susceptibility or signal distortion. By adhering to recommended practices, the implementation process can be streamlined, fostering optimal functionality and reliability.
| Parameter | Considerations |
|---|---|
| Operating Voltage | Ensure compatibility with power supply specifications; implement voltage regulation if necessary. |
| Communication Protocol | Adopt suitable protocols and interface configurations as per DS75176BM recommendations; address protocol-specific requirements. |
| Noise Immunity | Implement noise filtering mechanisms; utilize differential signaling to enhance immunity against electromagnetic interference. |
| Temperature Considerations | Account for temperature variations and thermal management; ensure operation within specified temperature ranges. |
By meticulously adhering to integration strategies and incorporating recommended practices, one can effectively translate the theoretical specifications outlined in the DS75176BM documentation into robust and reliable real-world implementations.