
Delving into the intricate realm of electronic components unveils a myriad of integrated circuits, each bearing its own unique functionality and significance in the domain of digital electronics. Among these, lies a remarkable gem of innovation, an integrated circuit renowned for its prowess in decimal decoding and display driving.
Unlocking the potential of numerical representation, this ingenious component serves as a cornerstone in countless electronic systems, seamlessly translating binary inputs into their corresponding decimal representations. Through a symphony of logical operations and signal manipulation, it orchestrates the conversion process with precision and efficiency, breathing life into numerical displays and instrumentation panels.
As engineers and enthusiasts traverse the landscape of digital design, this versatile IC emerges as a steadfast ally, offering unparalleled flexibility and reliability in the realm of numeric data manipulation. Its deployment spans across a spectrum of applications, from industrial automation to consumer electronics, bridging the chasm between digital signals and human-readable data with finesse and ingenuity.
The Essentials of IC 74LS47 Datasheet

In the realm of integrated circuits, understanding the foundational aspects of component datasheets is paramount for effective utilization. Delving into the intricacies of the specifications and functionalities, this segment illuminates the fundamental elements encapsulated within the datasheet of the 74LS47 IC.
Overview of IC 74LS47

At the core of electronic circuits, the 74LS47 integrated circuit plays a pivotal role in converting input signals into a corresponding output display. Its operational characteristics encompass a range of features essential for applications across various electronic systems.
Exploring Key Attributes
Unveiling the intricacies of its functionality, the datasheet elucidates the vital parameters governing the performance of the IC, including but not limited to input voltage levels, output characteristics, and power consumption metrics. These delineations serve as guiding principles for engineers and enthusiasts alike, enabling informed decision-making during the design and implementation phases.
Understanding the Functional Overview

In this section, we delve into comprehending the operational essence of the semiconductor component under scrutiny. Without delving into specific nomenclature, we explore the fundamental functionality, elucidating its core operations and purposes.
Core Functionality

The essence of the component’s operation lies in its ability to interpret and manipulate incoming signals, facilitating the conversion of input data into meaningful output representations. It operates within a defined framework, executing tasks essential for electronic systems’ functionality.
Operational Principles

At its heart, the component embodies a series of logical operations, orchestrating the flow of information to achieve desired outcomes. By understanding the interplay of its internal mechanisms, one gains insight into its role within broader electronic systems.
| Aspect | Explanation |
|---|---|
| Signal Interpretation | The component deciphers incoming signals, discerning patterns and encoding them into actionable data. |
| Logic Manipulation | Through logical operations, it transforms input information, adhering to predefined rules to generate output signals. |
| Output Representation | Ultimately, it translates processed data into tangible outputs, which serve various functions within electronic systems. |
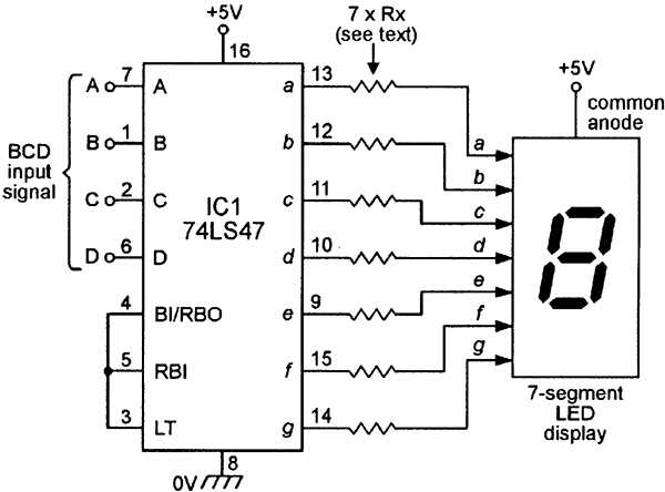
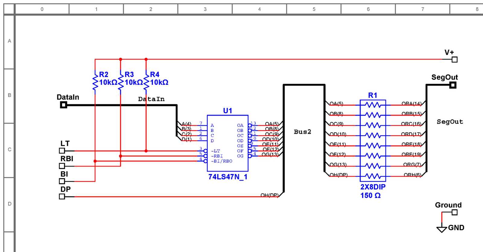
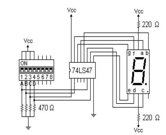
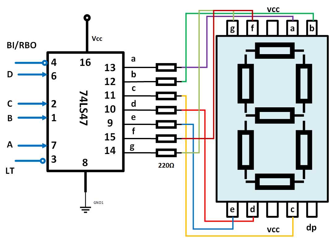
Pinout Configuration and Signal Descriptions

In this section, we delve into the intricate layout and functionalities of the integrated circuit under discussion. Understanding the arrangement of pins and their associated signals is crucial for comprehending the operation and interfacing of this component within electronic systems.
Pin Configuration

The pin configuration of the device delineates the physical arrangement of input and output terminals on the IC package. Each pin serves a distinct purpose, facilitating connectivity and communication with external components.
Pinout Identification: Identifying the pins involves discerning their respective roles in the circuit. These pins, through their configuration, establish connections with other elements, thereby enabling the flow of data and control signals.
Signal Descriptions

Signal descriptions elucidate the nature and characteristics of the electrical signals transmitted through the IC’s pins. These signals encompass a spectrum of functionalities, ranging from data input to output display, and are integral to the operation of the circuit.
Functional Significance: Understanding the signals entails grasping their functional significance within the broader context of the circuit operation. Each signal carries specific information or instructions essential for the proper functioning of the device.
Electrical Characteristics and Operating Conditions
In this section, we delve into the fundamental electrical traits and operational requisites pertinent to the functionality of the aforementioned integrated circuit, acknowledging its behavior under distinct circumstances and electrical parameters. Understanding these characteristics and conditions is paramount for ensuring optimal performance and reliable operation in various applications.
- Supply Voltage Range: The permissible span of input voltage that sustains proper functionality without risking damage or inefficiency.
- Output Voltage Levels: The prescribed range within which the output voltages fluctuate in response to input signals, elucidating the circuit’s signal processing capabilities.
- Operating Temperature: The ambient temperature range wherein the IC operates within specified parameters, crucial for assessing its suitability across diverse environmental conditions.
- Input Voltage Levels: The thresholds delineating acceptable input voltage magnitudes, delineating the circuit’s responsiveness to external stimuli.
- Output Current Capacity: The maximum current that the IC can deliver through its outputs, influencing its capacity to drive external loads.
By scrutinizing these electrical characteristics and operating conditions, engineers can ascertain the compatibility of the integrated circuit with intended applications, ensuring seamless integration and optimal performance within diverse electronic systems.