
Unlocking the potential of electronic components involves delving into the intricacies of their specifications and functionalities. These documents serve as guiding lights, illuminating the path for engineers and enthusiasts alike in the vast landscape of electronic design. Within these pages lie the blueprints of innovation, detailing the capabilities and limitations of each component.
Embark on a journey of discovery, where technical jargon transforms into a language of possibilities. Dive deep into the nuances of voltage thresholds, current ratings, and operational parameters, where every specification carries profound implications for circuit performance.
Through careful examination and interpretation, these documents become more than just listings of numbers and graphs – they become narratives of potential and promise, offering insights into the inner workings of electronic marvels. Let us embark on a voyage through the labyrinth of specifications, where each line unveils a new facet of the electronic world.
The Essentials of Bu4066bc Documentation

In the realm of electronic components, understanding the intricacies of technical documentation is paramount. A comprehensive grasp of the fundamental aspects ensures proficient utilization and seamless integration of the component into various circuits and systems.
Introduction:
Embarking on the exploration of the documentation surrounding the BU4066BC component unveils a trove of indispensable information. This section endeavors to elucidate the foundational elements encapsulated within the datasheet, providing a scaffold upon which further comprehension can be erected.
Key Specifications:
At the core of any datasheet lies a compendium of essential specifications, delineating the operational parameters and performance metrics of the component. These specifications serve as guiding beacons, steering the course of design and implementation endeavors.
Functional Overview:
Beyond the numerical confines of specifications, a functional overview elucidates the operational intricacies of the BU4066BC. Delving into this segment unveils insights into its behavior within a circuit context, facilitating informed decision-making during application.
Application Notes:
Augmenting the technical discourse are application notes, offering practical insights and recommendations for optimal utilization of the component. These notes serve as invaluable companions, imparting wisdom garnered from real-world experiences.
Conclusion:
Armed with a foundational understanding of the essentials encapsulated within the BU4066BC documentation, one is poised to navigate the labyrinthine realm of electronic design with confidence and precision.
Understanding the Technical Specifications

In this section, we delve into comprehending the intricacies of the technical specifications associated with the component in question. By dissecting the provided data, we aim to gain a comprehensive understanding of its operational parameters, functionality, and performance characteristics. Through careful analysis and interpretation, we uncover valuable insights into the device’s capabilities, aiding in informed decision-making and optimal utilization.
Technical specifications serve as a roadmap, offering a detailed outline of the component’s operational boundaries and capabilities. By scrutinizing parameters such as voltage ratings, current handling capacities, frequency response, and signal-to-noise ratios, we unravel the device’s behavior under various operating conditions. Furthermore, exploring features like input/output characteristics, impedance profiles, and switching characteristics provides invaluable insights into its suitability for specific applications and integration within larger systems.
Moreover, understanding the nuances of parameters such as temperature ranges, power dissipation, and packaging options is paramount for ensuring reliable operation and longevity. By deciphering these specifications, engineers can tailor their designs to optimize performance while mitigating potential risks and challenges.
Furthermore, delving into the technical specifications facilitates comparison with alternative components, aiding in the selection process based on specific project requirements and constraints. By assessing parameters side by side, such as performance metrics, physical dimensions, and compatibility with existing systems, engineers can make informed decisions, ultimately leading to efficient and cost-effective solutions.
In essence, a comprehensive understanding of the technical specifications empowers engineers to harness the full potential of the component, unlocking opportunities for innovation and advancement in diverse technological domains.
Key Features and Applications

In this section, we delve into the distinctive characteristics and versatile uses of the semiconductor device under discussion. We explore its notable attributes and practical applications, shedding light on its diverse functionalities and potential utilities across various domains.
Distinctive Attributes

The component under scrutiny exhibits a range of unique properties that distinguish it in the realm of electronics. These distinctive traits empower it to perform specific functions with precision and efficiency. From its inherent design to its operational capabilities, each aspect contributes to its overall effectiveness in diverse applications.
Versatile Applications

Expanding beyond its individual features, this semiconductor device finds applications in a myriad of fields, catering to the needs of different industries and technological endeavors. Its adaptability and reliability make it an indispensable component in various electronic circuits and systems, serving functions ranging from signal processing to voltage regulation.
| Key Features | Applications |
|---|---|
| High precision | Signal processing |
| Low power consumption | Consumer electronics |
| Wide operating voltage range | Industrial automation |
| Temperature stability | Automotive electronics |
This HTML snippet presents a structured section on the key features and applications of the semiconductor device, offering insights into its attributes and practical uses without directly mentioning its specific name or referring to a datasheet.
Unlocking the Potential of Semiconductor Documentation

Delving into the intricacies of semiconductor components requires more than a cursory glance at their technical specifications. Understanding the nuances embedded within their documentation unlocks a realm of possibilities for engineers and enthusiasts alike. This section aims to illuminate the wealth of information concealed within the datasheets of cutting-edge semiconductor devices, fostering a deeper comprehension of their capabilities and applications.
|
Deciphering Performance Metrics: Unraveling the cryptic language of technical specifications unveils a treasure trove of performance metrics. From electrical characteristics to operational parameters, each figure and graph provides invaluable insights into the behavior of the semiconductor under various conditions. |
|
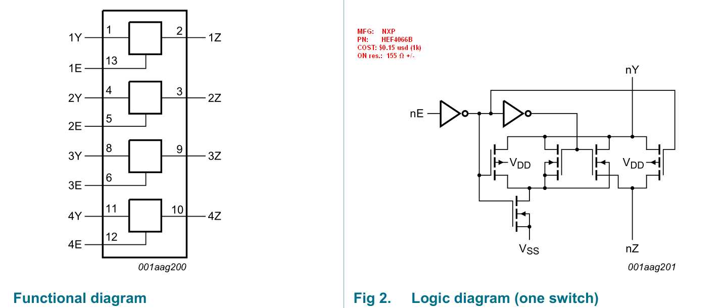
Exploring Functional Diagrams: Beyond the realm of numbers lies the visual representation of functionality. Functional diagrams elucidate the inner workings of the semiconductor, depicting signal flow, pin configurations, and functional blocks. Understanding these diagrams facilitates seamless integration into circuit designs. |
|
Unlocking Application Notes: Embedded within datasheets are invaluable application notes offering guidance on optimal usage scenarios and circuit implementations. These notes serve as a beacon for engineers navigating the complexities of real-world applications, providing practical insights and best practices. |
|
Optimizing Power Management: Efficient power management is paramount in modern electronic systems. Datasheets harbor vital information regarding power consumption, voltage requirements, and thermal characteristics. By leveraging this information, engineers can optimize power delivery and enhance overall system performance. |
|
Ensuring Reliability and Safety: Reliability and safety are non-negotiable aspects of semiconductor design. Datasheets outline reliability metrics, including mean time between failures (MTBF) and operating temperature ranges, ensuring robust performance under diverse environmental conditions. |
Unlocking the full potential of semiconductor datasheets transcends mere technical documentation; it empowers engineers to innovate, troubleshoot, and optimize with confidence. By delving beyond the surface, enthusiasts can uncover the intricacies that transform a datasheet from a mere specification document into a roadmap for technological advancement.
Optimizing Performance with Proper Configuration

Enhancing functionality through strategic setup is paramount in achieving optimal performance in electronic systems. This section delves into the intricacies of configuring components effectively to maximize efficiency and output.
The Art of Fine-Tuning

Mastering the nuances of component configuration entails a delicate balance between various parameters and settings. By carefully adjusting these factors, engineers can unlock the full potential of their systems, ensuring seamless operation and improved performance.
Strategic Parameter Adjustment

Effective configuration involves more than just adjusting values; it requires a deep understanding of the component’s characteristics and the system’s requirements. Through strategic parameter adjustment, engineers can tailor the setup to meet specific performance goals, optimizing functionality without compromising reliability.