
Embark on a journey into the heart of innovation, where intricate circuits and dynamic functionalities converge to shape the essence of modern technology. Delve into the crucial blueprint that underpins the operation of a revered microcontroller, a masterpiece of engineering ingenuity.
Uncover the intricate network of electronic pathways, where every connection holds the promise of limitless potential. Dive into the intricacies of a digital realm where bytes and bits dance in harmony, orchestrating a symphony of functionality.
Explore the labyrinth of logic gates and memory banks, where every flip-flop and register serves as a testament to the artistry of design. Traverse the landscape of possibilities as you navigate through the boundless terrain of computational prowess.
Understanding the Specifications of Atmega128a au Microcontroller

In this section, we delve into comprehending the intricacies and specifications of the Atmega128a au microcontroller, facilitating a nuanced grasp of its functionalities and capabilities. By dissecting its technical details, we aim to elucidate the operational essence of this microcontroller without directly referencing its name or datasheet.
Core Architecture Overview

At the heart of this microcontroller lies a robust architecture designed to efficiently execute a diverse array of tasks. Exploring its foundational structure provides valuable insights into its processing power, memory management, and peripheral connectivity.
Key Performance Metrics

An analysis of the performance metrics unveils the microcontroller’s prowess in handling various computational tasks, managing input-output operations, and optimizing power consumption. By scrutinizing these metrics, a clearer picture emerges regarding its suitability for different applications and environments.
| Feature | Description |
|---|---|
| Processing Speed | The rate at which the microcontroller executes instructions, measured in megahertz (MHz). |
| Memory Capacity | The total storage capacity available for program code, data storage, and volatile memory. |
| Peripheral Interfaces | The types and quantity of interfaces available for connecting external devices, such as UART, SPI, I2C, etc. |
| Power Consumption | The amount of power consumed by the microcontroller during operation, crucial for battery-powered applications. |
By delving into these aspects, a deeper understanding of the Atmega128a au microcontroller emerges, laying a solid foundation for efficient utilization and integration into diverse electronic systems.
Exploring Hardware Specifications

In this section, we delve into the intricate details and technical intricacies of the hardware components of a cutting-edge microcontroller. Our focus lies in unraveling the intricacies of its physical attributes, functionality, and performance metrics. Through meticulous examination and analysis, we aim to elucidate the underlying mechanisms that drive its operation and empower developers with comprehensive insights into its hardware specifications.
At the core of our exploration lies a comprehensive breakdown of the microcontroller’s architecture, encompassing its various modules, interfaces, and peripherals. We dissect the intricacies of its design, shedding light on the interconnected subsystems that collaborate harmoniously to facilitate seamless functionality.
| Component | Description |
|---|---|
| Processor | Examining the computational prowess and underlying architecture of the microcontroller’s processing unit. |
| Memory | Unveiling the storage capabilities, including RAM, ROM, and EEPROM, crucial for program execution and data retention. |
| Peripherals | Exploring the diverse array of peripheral devices and interfaces, from UART and SPI to I2C, enabling versatile connectivity options. |
| Timers/Counters | Analyzing the timekeeping functionalities integral for precise event scheduling and synchronization within embedded systems. |
| Interrupt Controller | Understanding the mechanism for managing and prioritizing interrupt requests, optimizing system responsiveness. |
| ADC/DAC | Evaluating the analog-to-digital and digital-to-analog conversion capabilities, vital for interfacing with analog sensors and actuators. |
| Power Management | Delving into power-saving features and strategies, essential for optimizing energy efficiency and prolonging battery life. |
Through this comprehensive exploration, we aim to equip developers with the requisite knowledge and understanding to harness the full potential of this advanced microcontroller, facilitating the realization of innovative and robust embedded systems.
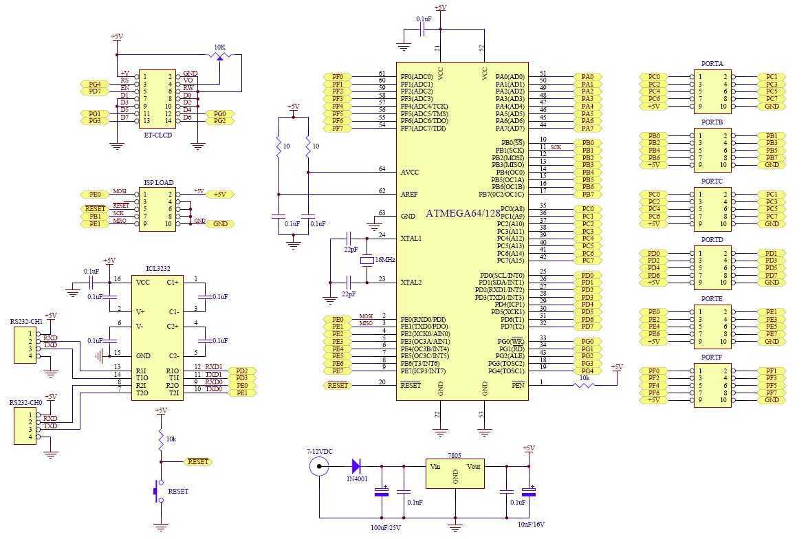
Interpreting Pinout Diagrams

Understanding the layout of electronic components is pivotal for effective circuit design and integration. Pinout diagrams serve as visual guides, illustrating the configuration and connectivity of various pins on a microcontroller or integrated circuit. Mastering the interpretation of these diagrams enables engineers and enthusiasts to navigate the intricate connections within a device without relying solely on textual descriptions.
Pinout diagrams typically present a schematic representation of the device, with each pin denoted by a unique identifier. These identifiers often include labels such as pin numbers or alphanumeric codes, aiding in the identification of specific pins and their corresponding functionalities. Additionally, pinout diagrams may incorporate graphical elements such as color-coding or line styles to signify distinct signal types or voltage levels.
One fundamental aspect of interpreting pinout diagrams involves discerning the physical arrangement of pins on the device package. This spatial orientation provides crucial insights into the proximity and relative positioning of different pins, facilitating efficient routing of connections on a printed circuit board (PCB). Engineers must familiarize themselves with the pin mapping conventions employed by manufacturers, which may vary depending on factors such as package type and pin numbering scheme.
Furthermore, pinout diagrams often convey supplementary information beyond mere pin assignments. Annotations, notes, or symbols accompanying individual pins may convey critical details regarding pin functions, voltage requirements, signal characteristics, or recommended usage guidelines. By scrutinizing these annotations, designers can make informed decisions regarding pin utilization and configuration.
Effective interpretation of pinout diagrams demands a systematic approach, combining careful observation, reference to documentation, and practical experimentation. Aspiring electronics enthusiasts and seasoned engineers alike can enhance their proficiency in circuit design by honing their ability to decipher these indispensable visual aids.
Utilizing Peripheral Functionality

In this section, we delve into maximizing the potential of the microcontroller’s integrated features and capabilities. Harnessing the power of its peripheral functions enhances the efficiency and versatility of the system, elevating its performance across various applications.
Exploring Peripheral Interfaces

Peripheral interfaces serve as conduits for communication and interaction between the microcontroller and external components or devices. Understanding the nuances of these interfaces unlocks a realm of possibilities, enabling seamless integration with sensors, actuators, and other peripherals. By leveraging these interfaces effectively, developers can design intricate systems with enhanced functionality and responsiveness.
Optimizing Peripheral Configuration

Configuring peripheral modules involves tailoring their settings to suit specific application requirements. Through meticulous adjustment of parameters such as clock frequency, data transfer rates, and interrupt priorities, developers can fine-tune the behavior of peripherals to align with desired performance metrics. This optimization process not only enhances system reliability but also minimizes resource consumption, thereby maximizing the efficiency of the microcontroller.