
Have you ever been curious about the intricacies of a microcontroller and its capabilities? In this article, we delve into the technical specifications of the AD7705 and explore its versatile functionality. This microcontroller, widely used in various electronic applications, offers a myriad of features that can be effectively utilized by engineers and electronics enthusiasts alike.
Unveiling the power of precision: The AD7705 microcontroller demonstrates exceptional precision when it comes to data acquisition. Its high-resolution analog-to-digital converter (ADC) allows for accurate measurements and readings, enabling precise control and analysis of signals. With its advanced technology and impressive signal-to-noise ratio, the AD7705 ensures reliable and dependable data acquisition, even in the most challenging environments.
Flexible configurations for diverse applications: The versatility of the AD7705 is truly remarkable. With its ability to support both differential and pseudo-differential input configurations, this microcontroller can be effectively employed in a wide range of applications. Whether it’s monitoring temperature variations, measuring pressure changes, or analyzing strain levels, the AD7705 can adapt to the specific needs of different projects.
Seamless integration and ease of use: Designed to simplify the implementation process, the AD7705 offers seamless integration with various microcontrollers and systems. Its SPI-compatible interface allows for easy communication and control, while its low-power consumption ensures energy-efficient operation. Additionally, its user-friendly software interface makes it straightforward to configure and customize the AD7705 to suit specific project requirements.
As we embark on a journey through the technical intricacies of the AD7705 microcontroller, we unravel the possibilities it offers to enhance electronic designs. Join us as we explore its exceptional precision, flexible configurations, and seamless integration, and discover the vast potential that the AD7705 brings to the world of electronics.
Understanding the AD7705: An Overview of its Functionality

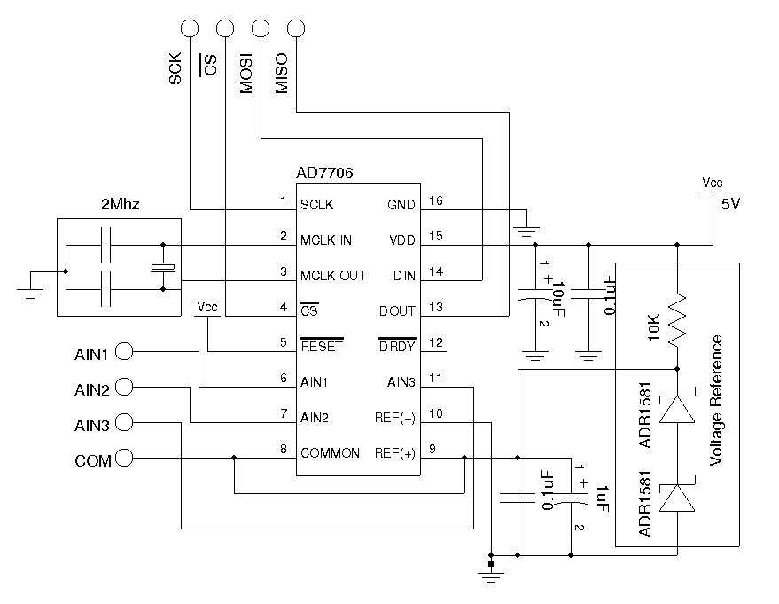
In this section, we will delve into an in-depth understanding of the AD7705 and explore the various functionalities it offers. The AD7705 is a highly versatile and advanced integrated circuit that provides precise measurement and conversion of analog signals. Through its comprehensive features and capabilities, the AD7705 serves as an indispensable tool for engineers and enthusiasts alike in a wide range of applications.
Signal Conversion: One of the key functionalities of the AD7705 is its ability to convert analog signals into digital data. The device employs a sigma-delta conversion technique, utilizing a delta-sigma modulator to achieve high-resolution and accurate conversion. This conversion process is vital for capturing and analyzing analog signals in various applications such as sensor systems, instrumentation, and industrial control systems.
Integrated Programmable Gain Amplifier: The AD7705 incorporates an integrated programmable gain amplifier (PGA). This enables users to adjust the gain of the incoming analog signal to accommodate different signal levels and optimize the dynamic range of the conversion. By leveraging the PGA feature, engineers can achieve optimal precision and accuracy in their measurement applications.
Flexible Input Configuration: Another noteworthy aspect of the AD7705 is its flexible input configuration. The device supports differential input mode, allowing the measurement of the voltage difference between two input channels. Additionally, it also offers a pseudo-differential input mode, enabling the measurement of single-ended signals by referencing one input channel to a common voltage reference. This versatility in input configuration ensures compatibility with a wide range of sensors and signal sources.
Serial Interface: The AD7705 utilizes a serial interface for communication with external microcontrollers or processors. This serial interface allows for easy integration with various digital systems and enables efficient data transfer. Moreover, the device supports both SPI and I2C communication protocols, offering flexibility and compatibility in different application scenarios.
Data Rate and Resolution: The AD7705 provides adjustable data rate and resolution settings, allowing users to optimize the trade-off between conversion speed and noise performance. By selecting an appropriate data rate and resolution, engineers can tailor the AD7705’s operation to meet the specific requirements of their applications.
Overall, the AD7705 presents a powerful and feature-rich solution for analog signal conversion and measurement. Its combination of high-resolution conversion, flexible input configuration, and programmable gain amplification facilitates accurate and versatile data acquisition in a wide array of applications. With its robust design and extensive functionality, the AD7705 is a go-to choice for engineers seeking reliable and precise analog-to-digital conversion.
Key Features of the AD7705 Datasheet: A Closer Look

In this section, we will delve deeper into the key features of the AD7705 datasheet, providing a comprehensive understanding of its capabilities and functionalities.
1. Voltage and Current Measurement

- The AD7705 datasheet offers versatile voltage and current measurement capabilities, making it suitable for a wide range of applications.
- It allows for precise and accurate measurements of both AC and DC signals, enabling users to monitor and analyze various electrical parameters.
- With its high resolution and low noise performance, the AD7705 ensures reliable and precise data acquisition, even in noisy environments.
2. Integrated Multiplexing

- One of the standout features of the AD7705 is its integrated multiplexing function, which enables the simultaneous measurement of multiple channels.
- This functionality streamlines data acquisition processes, reducing both complexity and system cost by eliminating the need for external multiplexers.
- The AD7705’s multiplexing feature offers flexibility and scalability, allowing users to easily expand their measurement capabilities as needed.
3. Low Power Consumption

- The AD7705 is designed with efficiency in mind, offering low power consumption without compromising on performance.
- Its low power requirements make it ideal for portable and battery-powered applications, extending the device’s operating time while minimizing energy consumption.
- By incorporating power-saving features such as standby and power-down modes, the AD7705 optimizes power usage, enhancing overall system efficiency.
Overall, the AD7705 datasheet showcases a range of key features that contribute to its effectiveness and versatility in various measurement applications. With its advanced voltage and current measurement capabilities, integrated multiplexing functionality, and low power consumption, the AD7705 offers a reliable and efficient solution for data acquisition requirements.
Exploring the Specifications of AD7705: Understanding its Performance

In this section, we will delve into the various specifications of the AD7705, a highly capable analog-to-digital converter. By understanding these specifications, we can gain insights into the device’s performance and determine its suitability for specific applications.
One key aspect to consider is the resolution of the AD7705. Resolution refers to the number of bits used to represent the analog signal in the digital domain. A higher resolution allows for more detailed and accurate measurements, while a lower resolution may result in less precise data. It is essential to examine the resolution of the AD7705 to determine its ability to meet the requirements of a particular application.
Another critical specification of the AD7705 is its input range. The input range refers to the minimum and maximum voltages that the device can accurately measure. Understanding the input range is crucial for ensuring that the AD7705 is capable of handling the expected voltage levels without signal distortion or loss of accuracy. Examining the input range can help determine whether the AD7705 is suitable for measuring specific signals or if additional circuitry is required.
The AD7705 also features a programmable gain amplifier (PGA) that allows for amplification of the input signal. The PGA provides flexibility to adjust the gain based on the specific requirements of the application. By exploring the gain options of the AD7705, we can determine whether it can accurately measure signals of varying magnitudes and choose the appropriate amplification settings to ensure optimal performance.
Furthermore, the AD7705 offers a variety of sampling rates, which determine how frequently the device measures and converts the analog signal. The sampling rate is crucial for capturing rapid changes in the input signal and ensuring accurate representation of time-dependent measurements. Understanding the available sampling rates of the AD7705 is essential for selecting the appropriate configuration that suits the desired application’s needs.
In addition to these specifications, we will also explore other relevant parameters, such as linearity, noise performance, and power supply requirements. By comprehensively examining these specifications of the AD7705, we can gain a deep understanding of its performance capabilities and make informed decisions when integrating it into various electronic systems.