
When it comes to electronic devices, the ability to process and manipulate data is crucial. This is where integrated circuits, or ICs, play a vital role. One particular IC that stands out is the 74LS45. This versatile component serves as a crucial link between various parts of a circuit, ensuring smooth and efficient data flow.
Designed with precision and functionality in mind, the 74LS45 IC is a powerhouse of performance. It acts as a decoder, deciphering complex binary patterns and converting them into understandable signals. With its ability to handle multiple inputs and generate output signals accordingly, this IC empowers devices to process data with utmost accuracy and speed.
Not only does the 74LS45 IC exhibit a high level of reliability, but it also boasts low power consumption. Its compact size and low energy requirements make it an ideal choice for a wide range of electronic devices, from calculators and digital clocks to industrial applications and more. With this IC at the heart of a circuit, engineers and developers can ensure efficient data processing while taking into account space and energy constraints.
With its exceptional performance and versatile nature, the 74LS45 IC has become a favorite among electronics enthusiasts and professionals alike. Its ability to handle complex data patterns and convert them to usable signals makes it an indispensable component in countless projects. Whether you’re building a simple circuit or designing a complex system, the 74LS45 IC can provide the necessary support to achieve your goals efficiently and effectively.
Understanding the Basics of 74LS45 Integrated Circuit

When it comes to electronic circuits, one component that plays a crucial role in signal processing and conversion is the 74LS45 integrated circuit. This article aims to provide a detailed understanding of the fundamental principles behind the functionality of this versatile IC.
Introduction to the 74LS45 Integrated Circuit

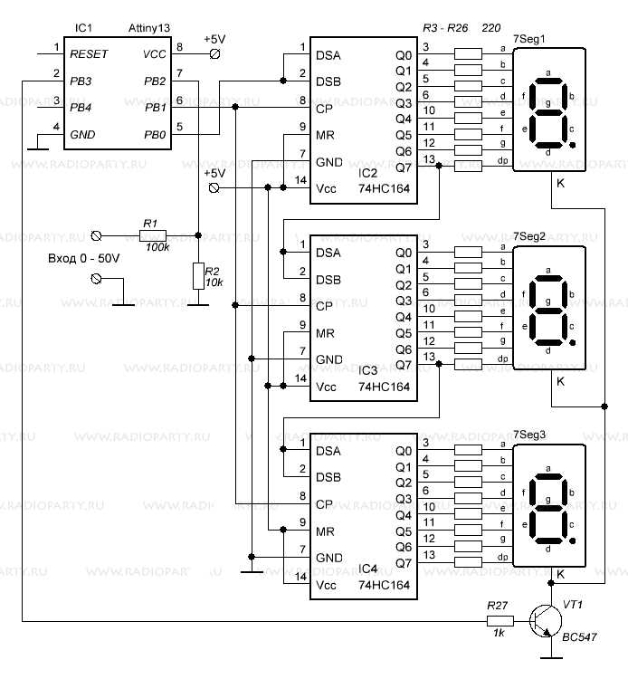
The 74LS45 integrated circuit, also known as a BCD to decimal decoder, is a vital component in digital electronics. It is designed to convert a Binary Coded Decimal (BCD) input into a corresponding decimal output. By decoding the BCD input, the 74LS45 IC enables precise control over display modules, such as 7-segment displays, ensuring accurate numerical representation.
Key Features and Applications

The 74LS45 IC offers several key features that make it highly efficient in various applications. Firstly, it supports a wide operating voltage range, typically from 4.75V to 5.25V, making it compatible with many electronic systems. Additionally, it boasts high-speed operation, allowing for swift data processing and output generation.
This versatile IC finds widespread applications in systems involving numerical displays, such as calculators, digital clocks, and electronic counters. Its ability to convert BCD inputs into decimal outputs with precision ensures reliable and accurate representation of numeric information.
Understanding the Functionality

At its core, the 74LS45 IC consists of four data inputs, BCD inputs (A, B, C, and D), and four active low output lines (Y0, Y1, Y2, and Y3). By manipulating the BCD input combinations, users can activate a specific output line corresponding to the decimal value represented by the BCD input. This mechanism allows for seamless control over the connected display, enabling the desired numeric representation.
The 74LS45 IC employs a combination of logic gates, such as AND, OR, and NOT gates, to decode the BCD input and determine the appropriate output line to activate. This decoding process ensures that the connected display accurately reflects the decimal value encoded by the input BCD signal, delivering reliable and precise numerical information.
Conclusion

The 74LS45 integrated circuit is a vital component in the world of digital electronics. By understanding its basic functionality and features, users can incorporate this IC into various applications that require accurate BCD to decimal conversion. Whether in calculators, digital clocks, or electronic counters, the 74LS45 IC ensures the reliable and precise representation of numerical information, improving the overall functionality of the system.
Key Features and Functions of 74LS45

The 74LS45 is an integrated circuit that offers a range of key features and functions designed to enhance performance and reliability in various electronic applications. This versatile component provides efficient signal conversion and communication between different parts of a circuit.
- Multiple Signal Lines: The 74LS45 supports up to eight signal lines, allowing for efficient data transfer and processing. These signal lines can be used for input or output purposes, enhancing flexibility and compatibility.
- Signal Encoding: This IC is capable of encoding and decoding signals, enabling seamless communication between different devices. It can convert digital signals into binary formats, ensuring accurate data transmission.
- High-Speed Operation: With its low propagation delay and high-speed capabilities, the 74LS45 offers quick response times and efficient data transfer rates. This makes it ideal for applications that require real-time processing and minimal latency.
- Noise Immunity: The 74LS45 is designed to minimize the impact of external interference and noise, ensuring reliable and accurate signal transmission. It incorporates built-in noise suppression mechanisms, enhancing overall performance and stability.
- Low Power Consumption: This integrated circuit is engineered to operate efficiently, consuming minimal power while delivering exceptional performance. Its low power requirements make it suitable for various battery-powered devices and energy-efficient applications.
- Wide Operating Voltage Range: The 74LS45 supports a wide voltage input range, allowing for compatibility with various power sources and voltage levels. This contributes to its versatility and ease of integration into different electronic systems.
In summary, the 74LS45 is a highly capable integrated circuit that offers a range of key features and functions to enhance performance in electronic circuits. Its ability to support multiple signal lines, efficient signal encoding, high-speed operation, noise immunity, low power consumption, and wide operating voltage range make it a versatile and reliable component in numerous applications.
Applications and Uses of 74LS45 Integrated Circuit

The 74LS45 integrated circuit, also known as a BCD to decimal decoder, finds various applications in electronic systems. This versatile component effectively converts Binary-Coded Decimal (BCD) inputs into corresponding decimal output signals. Its compact design and efficient functionality make it a popular choice in numerous electronic devices, ranging from calculators to digital displays.
One of the key uses of the 74LS45 is in digital display systems. By receiving BCD inputs and decoding them into their corresponding decimal representation, this integrated circuit allows for the seamless and accurate display of numerical information. This makes it an essential component in applications such as digital clocks, electronic scoreboards, and measurement instruments.
The 74LS45’s ability to convert BCD inputs also proves beneficial in calculators and computing devices. By effectively decoding the binary-coded decimal values, this integrated circuit enables accurate calculations and computations. It is commonly employed in arithmetic logic units (ALUs) and microprocessors, enhancing their capacity to perform mathematical operations with precision.
In addition to its role in display and calculation systems, the 74LS45 is utilized in various control and automation applications. Its decoding capabilities make it an ideal choice for control panels, where BCD inputs are received and translated into specific commands or actions. This integrated circuit is often found in industrial control systems, home automation devices, and automotive applications, allowing for precise control and efficient operation.
The 74LS45’s versatility extends beyond its primary function as a BCD to decimal decoder. When combined with other components and integrated into larger systems, it can be used to implement complex logic operations, such as data routing and signal processing. Its compatibility with other digital components makes it a valuable asset in designing and constructing advanced electronic circuits.
| Applications and Uses | Key Features and Benefits |
|---|---|
| Digital displays | Accurate conversion of BCD inputs to decimal outputs |
| Calculators and computing devices | Precision in arithmetic calculations |
| Control and automation systems | Precise command interpretation and execution |
| Logic operations | Integration into complex electronic circuits |
Overall, the 74LS45 integrated circuit continues to prove its importance and versatility in various electronic systems. From enabling accurate and reliable digital displays to enhancing the performance of computing devices, this component plays a crucial role in modern technology.