
In the world of electronic devices, there exists a powerful and versatile component that continues to amaze engineers and hobbyists alike. Its capabilities are vast, and its potential for innovation is virtually limitless. This component, which we will explore in detail in this article, is commonly referred to as the 74ls147.
Designed with precision and efficiency in mind, the 74ls147 embodies the essence of modern electronics. It serves as an essential building block for countless applications, from simple circuits to complex systems. Its compact size belies the immense functionality it offers, making it a staple in the world of electrical engineering.
Unleashing the true potential of the 74ls147 requires a deep understanding of its inner workings and capabilities. Through careful examination and analysis, we will uncover the intricate details of this remarkable component. By exploring its intricate design, deciphering its functionality, and delving into its numerous applications, we will gain a newfound appreciation for the immense value the 74ls147 brings to the world of electronics.
Key features and specifications of the 74ls147

In this section, we will explore the prominent features and specifications of a versatile electronic component known as the 74ls147. This device offers a wide range of functionalities, making it suitable for various applications in the field of electronics.
High-speed Operation

The 74ls147 operates at an impressive speed, ensuring efficient data processing and signal transmission. With its swift performance, this component enables seamless integration into systems that require fast and reliable performance.
Priority Encoding

The 74ls147 incorporates priority encoding capabilities, allowing for the efficient handling of multiple input signals. This feature ensures that the highest priority inputs are recognized and processed first, simplifying complex logic operations.
Additionally, the 74ls147 offers flexibility in terms of input and output configurations, making it compatible with a variety of devices and systems. Its versatile nature allows for seamless integration into different electronic setups, enabling developers to create customized solutions for their specific requirements.
Furthermore, the 74ls147 incorporates robust design elements, ensuring durability and reliability in various operating conditions. Its sturdy construction guarantees long-term performance, making it a dependable choice for critical applications.
In conclusion, the 74ls147 is a high-speed, priority encoding device with versatile input and output configurations. Its robust design and efficient performance make it an ideal choice for a wide range of electronic applications.
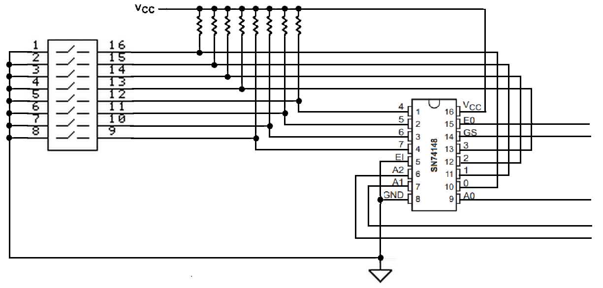
Understanding the pin configuration and functionality of the 74ls147

In the field of electronics, it is essential to have a comprehensive understanding of the pin configuration and functionality of integrated circuits. One such integrated circuit that requires careful analysis is the 74ls147. By exploring its pin layout and functions, we can gain insights into how this component operates and its potential applications.
Pin Configuration

The 74ls147 possesses a specific pin configuration that determines how it interacts with other components in a circuit. Each pin has a designated purpose and must be correctly connected for the integrated circuit to function optimally. Understanding the pin layout allows engineers and technicians to effectively integrate the 74ls147 into their designs.
Functionality

Aside from its pin configuration, the 74ls147 offers a range of essential functions that contribute to its versatility and usefulness in electronic applications. These functions enable the integrated circuit to perform specific tasks, such as decoding and encoding data, creating customized output patterns, and facilitating efficient data transmission.
| Pin | Description |
|---|---|
| 1 | Input A0 |
| 2 | Input A1 |
| 3 | Input A2 |
| 4 | Input A3 |
| 5 | Input A4 |
| 6 | Input A5 |
| 7 | Input A6 |
| 8 | Ground (GND) |
| 9 | Output Y0 |
| 10 | Output Y1 |
| 11 | Output Y2 |
| 12 | Output Y3 |
| 13 | Output Y4 |
| 14 | Output Y5 |
| 15 | Output Y6 |
| 16 | Output Y7 |
| 17 | Output Enable (OE*) |
| 18 | Input Enable (EI*) |
| 19 | Supply Voltage (Vcc) |
| 20 | Input BCD (BCD) |
In conclusion, understanding the pin configuration and functionality of the 74ls147 is crucial for effectively utilizing this integrated circuit in various electronic applications. By delving into its pin layout and functions, we can harness its capabilities to design and implement efficient electronic systems.