
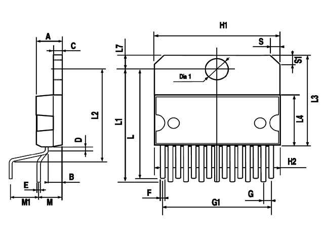
In the labyrinth of electronic components, lies a treasure trove of information concealed within the intricate details of microchips. These small wonders, harboring a wealth of functionality, beckon engineers and enthusiasts alike to decipher their mysteries. At the heart of this quest lies the exploration of 7294 integrated circuits, where every line, every symbol holds the potential to unveil the capabilities and nuances of these electronic marvels.
Unraveling the Veil: Delving into the realm of integrated circuits unveils a tapestry of specifications, a language unto itself, where currents flow as words and voltages dance as punctuation marks. Within this lexicon, the 7294 IC’s intricacies are enshrined, awaiting those who dare to decode its secrets. Through meticulous analysis and keen observation, we embark on a journey to decipher the essence of this electronic enigma.
Peering Beyond the Numbers: Beyond the mere numerical values lies a realm of context and application, where each specification serves as a brushstroke in painting the picture of functionality. Through the lens of understanding, we discern not just what the numbers dictate, but how they shape the behavior and performance of the 7294 integrated circuit.
Understanding the Functionality of the 7294 Integrated Circuit

In the realm of electronic components, certain integrated circuits stand as pillars of functionality, facilitating a myriad of applications with their intricate designs and specialized capabilities. Among these, the 7294 IC emerges as a cornerstone, offering a wealth of functionalities that power diverse electronic systems.
The Core Principles

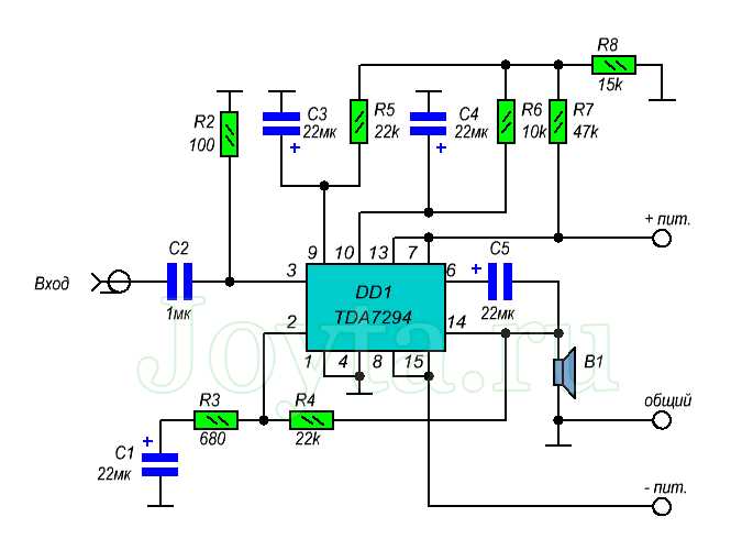
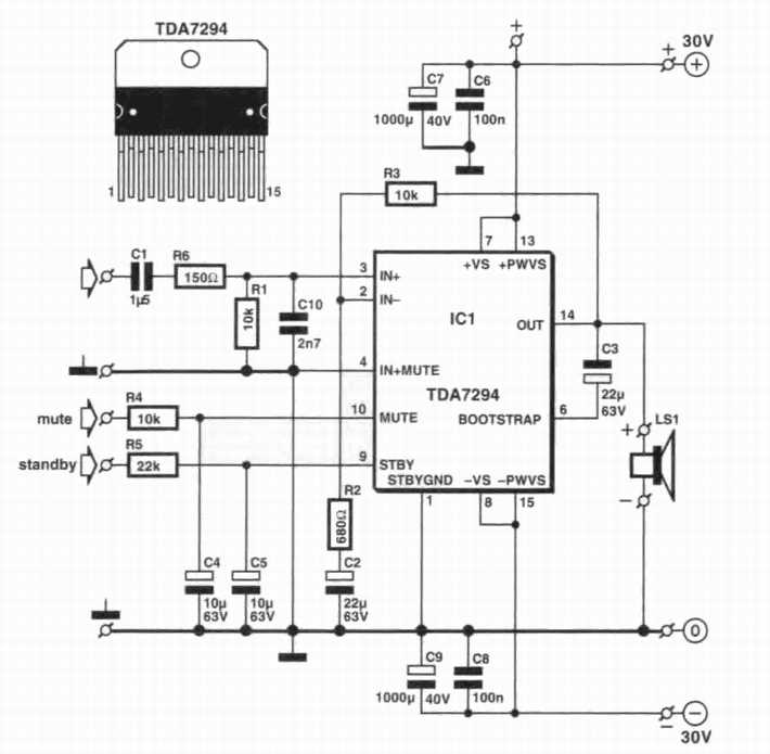
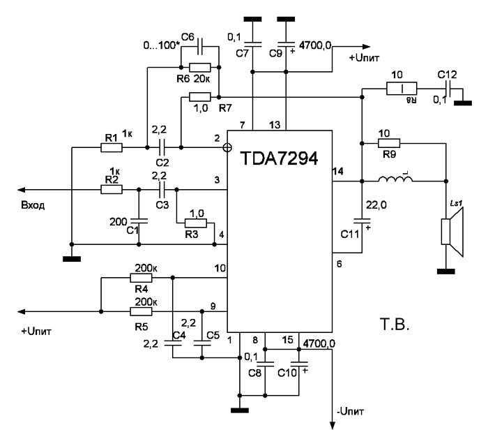
At its essence, the functionality of the 7294 IC revolves around the orchestration of electrical signals, embodying the principles of signal processing and amplification. Through its intricate circuitry, this component modulates and manipulates input signals to yield desired output responses, thus serving as a fundamental building block for audio amplification and similar applications.
Functional Attributes

Delving deeper, the functional attributes of the 7294 IC encompass a spectrum of operations, ranging from signal amplification to thermal management. Within its compact architecture lie mechanisms for voltage regulation, current amplification, and impedance matching, each contributing to the seamless transmission and enhancement of electrical signals.
| Functionality | Description |
|---|---|
| Signal Amplification | Enhances the strength of input signals to achieve higher output levels, crucial for applications requiring audio or signal amplification. |
| Thermal Management | Regulates temperature variations within the IC to ensure optimal performance and prevent overheating, thereby enhancing reliability. |
| Current Amplification | Increases the magnitude of electrical current while maintaining signal integrity, facilitating power delivery in various electronic systems. |
Together, these functionalities empower the 7294 IC to serve as a versatile solution for diverse electronic designs, spanning from audio amplifiers to power management systems.
Exploring the Core Features and Specifications

Delving into the heart of this integrated circuit, we uncover a myriad of functionalities and technical intricacies that define its performance and utility. In this section, we embark on a journey to unravel the fundamental attributes and specifications that shape its capabilities.
Functional Capacities

Functionality: This section illuminates the various operational capacities inherent within the core of the device. From signal processing to power management, each function contributes uniquely to its overall functionality.
Technical Specifications

Technical Parameters: Here, we delineate the critical technical specifications that serve as the blueprint for its operation. Parameters such as voltage tolerance, frequency response, and power consumption form the cornerstone of its engineering design, dictating its compatibility and performance in diverse applications.
Applications and Implementations in Electronic Devices

In the realm of electronic engineering, the utilization and integration of integrated circuits (ICs) play a pivotal role in various applications across a spectrum of electronic devices. These components serve as the backbone of modern electronics, enabling the realization of diverse functionalities and features.
Consumer Electronics

Consumer electronics encompass a broad range of devices designed for personal and household use, wherein ICs find extensive application. From smartphones to smart home appliances, integrated circuits facilitate seamless communication, processing, and control, enhancing user experience and functionality.
Industrial Automation

In industrial settings, the deployment of integrated circuits enables automation processes, optimizing efficiency, accuracy, and productivity. These circuits serve as control units, sensor interfaces, and data processing modules, enabling sophisticated automation solutions across manufacturing, logistics, and infrastructure sectors.
Moreover, integrated circuits contribute to advancements in medical devices, automotive systems, and communication networks, illustrating their versatility and significance in modern electronic applications.
Practical Tips for Enhancing Performance and Efficiency

In the pursuit of optimizing electronic circuits, it’s essential to explore strategies that elevate both performance and efficiency. By implementing prudent techniques and mindful approaches, engineers can significantly enhance the operational capabilities and resource utilization of their designs.
1. Streamline Component Selection

Begin by carefully scrutinizing the components utilized within your circuitry. Opt for components that offer high performance metrics while maintaining efficiency. Look for alternatives with lower power consumption, reduced heat dissipation, and enhanced reliability. A judicious selection can yield remarkable improvements in overall system efficiency.
2. Embrace Modular Design Principles

Modular design facilitates scalability and flexibility, enabling efficient management of complex systems. Break down your circuitry into modular units, each serving a distinct function. This approach not only simplifies debugging and maintenance but also fosters reusability, ultimately leading to optimized performance and resource utilization.
- Implement modular components
- Ensure compatibility and interoperability
- Facilitate easy integration and expansion
By incorporating these practical tips into your design methodology, you can navigate the intricacies of circuit optimization with confidence, achieving superior performance and efficiency.