
In the world of electronic circuits, the efficient routing of signals to multiple destinations is a crucial task. This is where the 4051 multiplexer comes into play, serving as a versatile component that enables the selection and transmission of signals. Delving into the technical intricacies of this multiplexer, this article strives to present a comprehensive overview of its capabilities and specifications.
Amidst the realm of semiconductor devices, the 4051 multiplexer stands as a pivotal tool that empowers engineers and circuit designers to streamline signal management in complex electronic systems. With its ability to handle multiple signals and route them to desired destinations, this component acts as a bridge between the source and recipient, offering flexibility and efficiency.
The 4051 multiplexer brings forth a myriad of features that cater to the diverse needs of various electronic applications. Equipped with multiple channels, this component allows users to select which signal path to activate, enabling efficient data transmission. With its robust design and low power consumption, the 4051 multiplexer embodies reliability, making it a desirable choice in countless electronic projects.
In conclusion, the 4051 multiplexer datasheet serves as an invaluable resource for engineers and enthusiasts alike who seek to harness the full potential of this versatile component. By studying its detailed specifications, pin configurations, and mode of operation, users can gain a profound understanding of how to effectively integrate the 4051 multiplexer into their circuits, ensuring seamless signal routing and enhanced efficiency.
Overview of the 4051 Multiplexer

The 4051 multiplexer, also referred to as a signal selector, is a versatile electronic component that plays a crucial role in various applications involving data routing and signal manipulation. This article provides an overview of the 4051 multiplexer, exploring its functionality, advantages, and potential use cases.
Functional Description

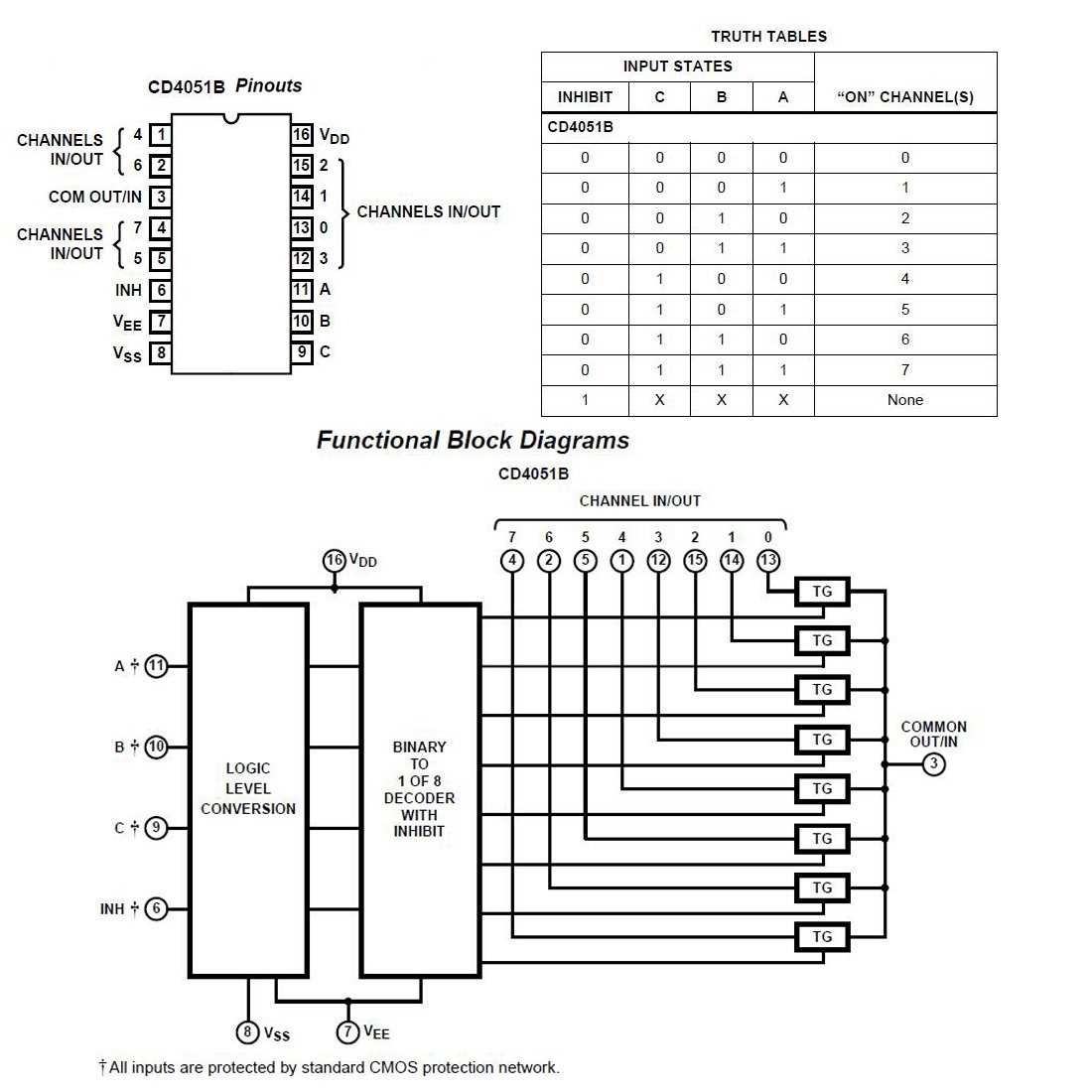
The 4051 multiplexer is designed to accept multiple input signals and route them to a single output channel based on a control signal, selecting one input at a time. It acts as a data selector, allowing the user to choose which input signal is desired for further processing or transmission. The 4051 multiplexer typically operates with analog signals, although it can also handle digital signals in some cases.
Featuring a set of multiple inputs, a single output, and several control pins, the 4051 multiplexer operates on the principle of multiplexing, enabling the transmission of multiple signals through a single channel. By utilizing various control combinations, users can effectively switch between different input signals, providing flexibility in system design and functionality.
Advantages and Applications

The 4051 multiplexer offers several advantages, making it a popular choice in a wide range of electronic applications. Firstly, it simplifies the routing and management of multiple signals, reducing the complexity of circuits and system designs. Secondly, it helps conserve precious board space by consolidating multiple inputs into a single component.
This versatile component finds its application in various fields, including audio and video signal routing, communication systems, analog-to-digital conversion, and industrial automation, to name a few. In audio mixing consoles, for example, the 4051 multiplexer allows engineers to select inputs from different audio sources and route them to the main output, achieving seamless audio routing and control.
In summary, the 4051 multiplexer serves as a critical component in various electronic systems, providing signal routing and selection capabilities. Its functional versatility, compact design, and ease of use make it a popular choice among engineers and designers facing the challenge of managing multiple signals efficiently.
Applications of the 4051 Multiplexer

The 4051 multiplexer, also known as a selector, is a versatile integrated circuit that can be used in various applications across different fields. This article will explore some of the common uses of the 4051 multiplexer, highlighting its ability to simplify complex control systems and streamline data selection processes.
Data Acquisition Systems

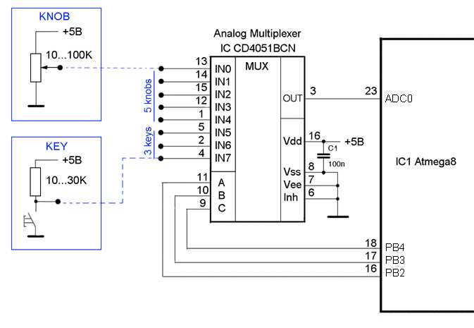
One of the key applications of the 4051 multiplexer is in data acquisition systems. These systems require the simultaneous sampling of multiple analog signals, and the 4051 multiplexer effectively enables this process. By sequentially selecting different input channels, the multiplexer allows for the conversion of analog signals into digital form using a single analog-to-digital converter (ADC). This saves cost, reduces complexity, and provides an efficient solution in applications such as industrial control, scientific research, and environmental monitoring.
Signal Routing and Switching

Another significant application of the 4051 multiplexer is in signal routing and switching. In complex electronic systems, there is often a need to route or switch signals between multiple sources and destinations. The 4051 multiplexer simplifies this process by providing a single device that can select and route signals from multiple sources to a single output or vice versa. By utilizing multiple 4051 multiplexers, more complex routing and switching tasks can be achieved. This makes the multiplexer an essential component in audio and video signal routing systems, telecommunications, and test measurement equipment.
Resource Sharing

The 4051 multiplexer also plays a valuable role in resource sharing applications. In scenarios where multiple devices or peripherals need to be interfaced with a single microcontroller or microprocessor, the multiplexer offers an effective solution. By using the multiplexer to sequentially connect each device to the shared controller, time multiplexing allows for efficient utilization of limited resources. This technique is particularly useful in intelligent systems, such as home automation, smart grid management, and robotic control.
- Automated Test Equipment
- Audio and Video Switching Matrix
- Data Logging Systems
- Electromyography (EMG) Signal Acquisition
In conclusion, the 4051 multiplexer offers a wide range of applications in data acquisition, signal routing, resource sharing, and much more. Its versatility and ability to simplify complex control systems make it a valuable component in various industries and electronic projects. Whether used in advanced scientific research or everyday consumer electronics, the 4051 multiplexer continues to find innovative applications that enhance efficiency and streamline processes.
Using the 4051 Multiplexer: Datasheet and Design Guidelines

With the 4051 multiplexer at your disposal, you can unlock a world of possibilities for your electronic circuits. This versatile component allows you to efficiently control and manage multiple input and output signals, empowering you to easily switch between various sources and destinations.
Designing and implementing an efficient circuit with the 4051 requires a thorough understanding of its key specifications and operating principles. By carefully studying the detailed datasheet and following the recommended design guidelines, you can effectively harness the power of this multiplexer to achieve optimal performance and reliability in your electronic projects.
- Gain insights into the various input and output channels of the 4051 multiplexer, enabling you to identify the best configuration for your specific application.
- Explore the different signal voltage and current specifications supported by the 4051, allowing you to accurately match the requirements of your circuit.
- Discover the control signals and pin connections necessary for effectively controlling the 4051 multiplexer, enabling seamless integration within your overall circuit design.
- Learn about the select logic and the truth table of the 4051, providing you with a clear understanding of its functionality and the corresponding signal routing.
- Discover valuable design guidelines and recommended operating conditions to ensure proper signal integrity, minimize noise, and achieve optimal performance in your circuits.
- Understand the limitations and potential challenges that may arise when using the 4051 multiplexer, allowing you to troubleshoot and overcome any obstacles during the design and implementation process.
By combining the information provided in the datasheet with practical design guidelines, you can unlock the full potential of the 4051 multiplexer in your electronic circuits. Whether you are working on audio equipment, data acquisition systems, or other applications that require efficient signal routing, the 4051 multiplexer offers a reliable solution that can greatly enhance the functionality and versatility of your designs.