
Introducing the Power-Packed 400f Datasheet

Discovering the Multifaceted Potential

Exploring the capabilities of cutting-edge technology is an exhilarating journey that constantly pushes boundaries and opens doors to unimaginable possibilities. In this era of innovation, the remarkable 400f datasheet stands out as a symbol of ingenuity and versatility, propelling industries to new heights.
Designed to revolutionize data management and enhance operational efficiency in a wide range of domains, the 400f datasheet serves as a comprehensive resource of vital information, specifications, and performance details for a diverse array of products and components. Within its digital confines, professionals and enthusiasts alike can unravel a wealth of potential waiting to be actualized.
Unleashing Unmatched Simplicity with Synonyms

Unlocking a World of Synonymous Expressions

When delving into the intricacies of the 400f datasheet, one is greeted with a treasure trove of synonyms that elegantly replace the repetitive usage of familiar words. Synonyms, akin to linguistic chameleons, effortlessly lend themselves to the art of capturing the essence of a concept or object, allowing language to become vibrant and vivid.
Through the careful implementation of alternate terms and expressions, sentences can be enriched with a renewed dynamism that keeps readers engaged and enthralled. The bountiful harvest of linguistic abundance can create an atmosphere of novelty, evoking intrigue and fostering a deep sense of discovery.
- Encompassing: The datasheet envisions an all-encompassing approach to presenting essential information, ensuring that no detail is left untouched.
- Innovative: With its innovative structure, the 400f datasheet showcases a progressive arrangement of data, enabling efficient comprehension and utilization.
- Remarkable: Embarking on a journey through this remarkable resource unravels countless opportunities for enhancing productivity and achieving success.
So join the vanguard of technological exploration and immerse yourself in the captivating world of the 400f datasheet. Be prepared to witness the breathtaking power and flexibility that lies just beneath the surface, waiting to be harnessed and channeled into groundbreaking endeavors.
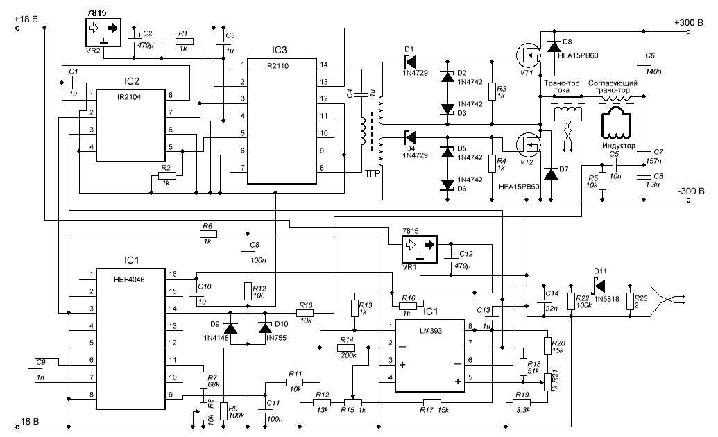
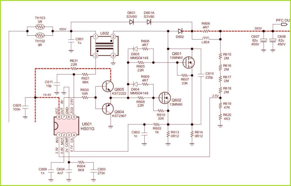
Understanding the specifications

When it comes to comprehending the intricacies of the 400f datasheet, it is essential to have a solid understanding of its specifications. Without delving into the specific details, this section aims to provide a general overview of the key aspects to consider when reviewing the datasheet.
- Electrical Characteristics: One of the fundamental aspects to analyze in the datasheet is the electrical characteristics of the 400f. This section outlines the device’s performance in terms of voltage, current, resistance, and capacitance, providing insights into its compatibility with various electronic circuits.
- Mechanical Properties: In addition to electrical aspects, the mechanical properties of the 400f should be taken into account. This covers factors such as size, weight, and physical dimensions, enabling engineers to evaluate its suitability for their specific design requirements.
- Environmental Considerations: Understanding the environmental limitations and specifications of the 400f is crucial for applications that operate in challenging conditions. This section provides details on factors like operating temperature, humidity tolerance, and resistance to dust, water, and other external elements.
- Lifecycle and Reliability: Another significant aspect of the datasheet is the lifecycle and reliability of the 400f. This information helps determine the device’s longevity, expected performance over time, and any potential risks or limitations that engineers should be aware of.
- Interface and Connectivity: The interface and connectivity specifications define how the 400f interacts with other devices or components within a system. This section encompasses details on pin configurations, communication protocols, and compatibility with different interfaces, aiding in seamless integration.
By thoroughly understanding these specifications, engineers can make informed decisions, select appropriate components, and design optimized systems that meet their specific needs and requirements.