
Delve into the intricacies of cutting-edge electronic components as we embark on a journey to uncover the boundless capabilities of a remarkable device. Within the realm of modern technology lies a gem of innovation, whose prowess extends beyond conventional boundaries. In this exploration, we navigate the realms of circuitry and semiconductor marvels, unearthing the essence of unparalleled performance and reliability.
Discover the heart of engineering brilliance as we dissect the enigmatic features and functionalities of this electronic masterpiece. Embedded within its circuits lies a symphony of precision and efficiency, orchestrated to redefine the standards of technological excellence. Prepare to be captivated by the seamless integration of advanced materials and intricate design, culminating in a harmonious fusion of form and function.
Unravel the mysteries of KE400CA, where every microcomponent serves as a testament to human ingenuity and innovation. From its inception to fruition, witness the evolution of a mere concept into a tangible embodiment of progress. Through meticulous analysis and insightful revelations, embark on a transformative odyssey that transcends the realms of possibility.
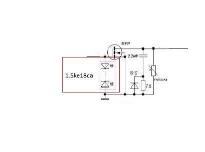
Exploring the Documentation for 1.5 ke400ca Components

Delving into the comprehensive resource for electronic components, we embark on an insightful journey through the intricacies of 1.5 ke400ca specifications. This section elucidates the myriad facets encapsulated within this technical compendium, offering a panoramic view of its contents and significance.
Firstly, we navigate through the labyrinthine corridors of technical intricacies, uncovering the nuanced features and functionalities concealed within the documentation. Within these pages lie a treasure trove of insights, guiding engineers and enthusiasts alike through the labyrinth of component specifications and performance metrics.
- Unveiling the operational parameters
- Deciphering electrical characteristics
- Exploring application notes
- Understanding performance graphs and charts
Moreover, this segment endeavors to shed light on the contextual relevance of each datum, elucidating its practical implications in diverse electronic applications. By dissecting the data with analytical precision, we aim to empower readers with a comprehensive understanding of the component’s capabilities and limitations.
Through systematic exploration and interpretation, this article endeavors to demystify the enigmatic realm of 1.5 ke400ca components, fostering a deeper appreciation for the invaluable insights embedded within their documentation.
Understanding Electrical Characteristics

In this section, we delve into comprehending the intricacies of the electrical attributes associated with electronic components. Examining the electrical characteristics of a component is paramount for engineers and designers to ensure optimal performance and compatibility within a circuit. Understanding these properties facilitates informed decision-making during the design and implementation phases, contributing to the overall efficacy and reliability of the electronic system.
- Voltage Ratings: One of the fundamental aspects to grasp is the voltage ratings of the component, which dictate the maximum and minimum voltage levels it can tolerate without compromising functionality or safety. These ratings provide insight into the component’s resilience against voltage fluctuations and surges.
- Current Capacity: Another crucial parameter is the current capacity, denoting the maximum amount of electric current that can flow through the component without causing damage or exceeding its operational limits. Understanding this characteristic aids in determining the component’s suitability for specific applications and ensures efficient current management within the circuit.
- Impedance and Resistance: Impedance and resistance elucidate the component’s opposition to the flow of alternating current (AC) and direct current (DC), respectively. Delving into these characteristics aids in evaluating the component’s behavior within different circuit configurations and frequencies, influencing signal integrity and power dissipation.
- Temperature Range: The temperature range specifies the environmental conditions under which the component can operate reliably. Knowledge of this characteristic is essential for applications subjected to varying temperatures, as it ensures the component’s stability and longevity under different thermal conditions.
- Frequency Response: Understanding the frequency response elucidates the component’s performance across a range of frequencies, particularly crucial for applications involving signal processing or modulation. This characteristic guides engineers in selecting components that exhibit desirable frequency response characteristics, optimizing system performance.
By comprehensively understanding the electrical characteristics outlined above and their implications within the context of electronic components, engineers can make informed decisions during the design, implementation, and integration stages. This knowledge empowers them to mitigate risks, optimize performance, and ensure the reliability of electronic systems in diverse applications.
Application Insights and Design Considerations

Delve into a realm of practical wisdom and innovative strategies for optimizing circuit performance and achieving desired outcomes. This section offers valuable insights and recommendations distilled from real-world experiences and engineering expertise. Discover techniques to enhance circuit efficiency, troubleshoot common issues, and unleash the full potential of your designs.
Maximizing Circuit Efficiency

Explore methods to optimize the utilization of components, minimize power consumption, and streamline signal pathways to achieve peak efficiency in your circuits. Uncover strategies for balancing performance with resource utilization, ensuring robust functionality while conserving energy and space.
Addressing Design Challenges

Navigate through common pitfalls and challenges encountered in circuit design, from mitigating electromagnetic interference to managing thermal dissipation. Learn how to anticipate and address potential issues through proactive design choices and iterative refinement, fostering resilience and reliability in your circuits.
Comparative Analysis with Similar Components

In this section, we delve into a thorough examination of analogous elements within the domain, exploring their functionalities, performance characteristics, and applicability. By juxtaposing these akin components, we aim to elucidate discernible differentiators, facilitating a comprehensive understanding of their respective roles within electronic circuits.
Exploring Functional Equivalents: We embark on a comparative journey, scrutinizing components akin to the subject of our inquiry. Through meticulous examination, we discern similarities and disparities in operational modalities, shedding light on nuanced functionalities.
Analyzing Performance Metrics: With a keen focus on quantitative attributes, we assess the efficacy of analogous components in diverse scenarios. By scrutinizing parameters such as voltage tolerance, current-handling capabilities, and transient response, we elucidate the nuanced performance differentials.
Considering Application Scenarios: Each component’s suitability within specific contexts is paramount. Through a comparative lens, we evaluate the compatibility of analogous elements in varied applications, discerning optimal scenarios for deployment.
Identifying Specialized Features: Beyond fundamental functionalities, we delve into the realm of specialized features inherent in comparable components. By identifying unique attributes such as transient suppression capabilities or temperature resilience, we unravel additional dimensions for evaluation.
Conclusion: Through this comparative analysis, we navigate the intricate landscape of electronic components, elucidating distinctions and commonalities among analogous entities. Armed with a nuanced understanding, practitioners can make informed decisions regarding component selection, tailored to the exigencies of diverse circuitry endeavors.